Curiosii for ever!
: Car repair manuals for everyone.
Home
>>
Honda Truck
>>
2006
>>
Element 2WD L4-2.4L
>>
Repair and Diagnosis
>>
Powertrain Management
>>
Computers and Control Systems
>>
Fuel Tank Pressure Sensor
>>
Service and Repair
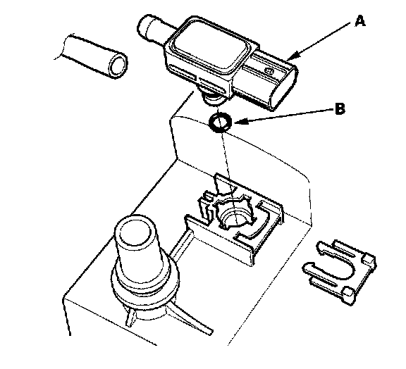
Fuel Tank Pressure Sensor: Service and Repair
FTP Sensor Replacement
1.
Remove the EVAP canister.
2.
Remove the FTP sensor (A).
3.
Install the sensor in the reverse order of removal with a new O-ring (B).