Curiosii for ever!
: Car repair manuals for everyone.
Home
>>
Honda Truck
>>
2006
>>
CR-V 2WD L4-2.4L
>>
Repair and Diagnosis
>>
Relays and Modules
>>
Relays and Modules - Lighting and Horns
>>
Interior Lighting Module
>>
Diagrams
>>
Electrical Diagrams
>>
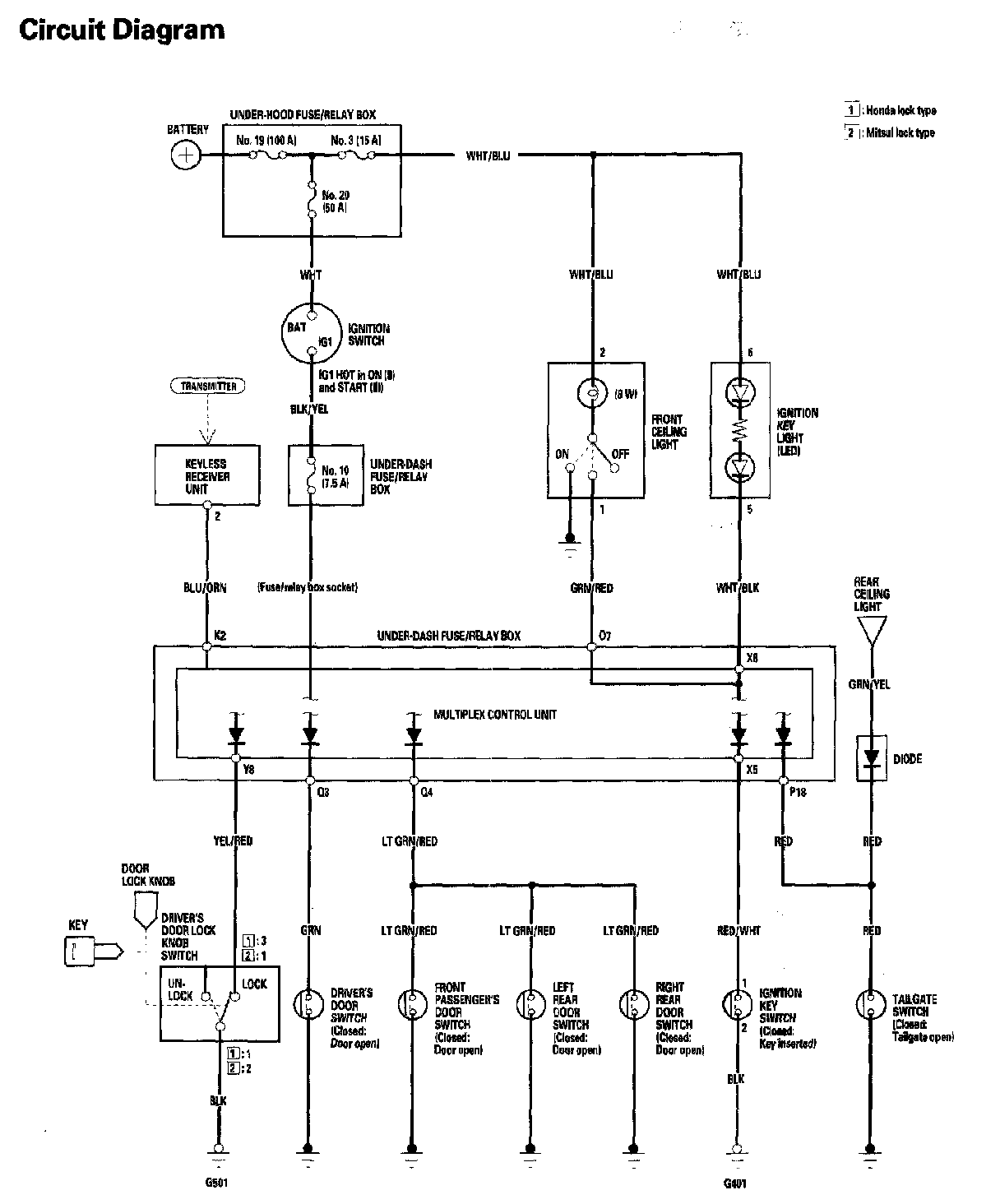
Entry Lights Control System Circuit Diagram
Entry Lights Control System Circuit Diagram
Entry Lights Control System - Circuit Diagram: