Curiosii for ever!: Car repair manuals for everyone.

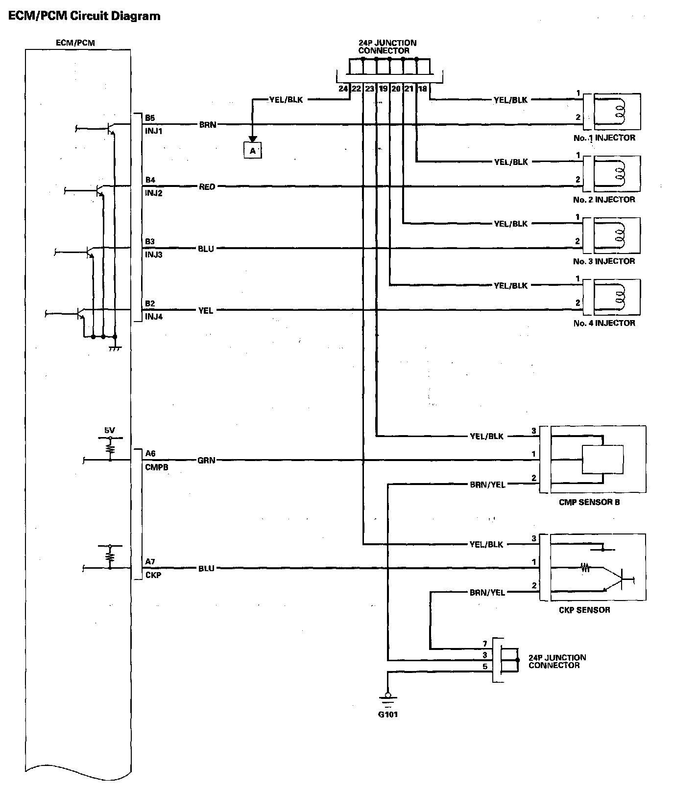
ECM/PCM Circuit Diagrams

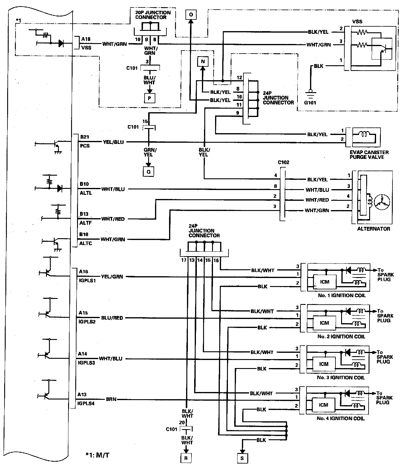
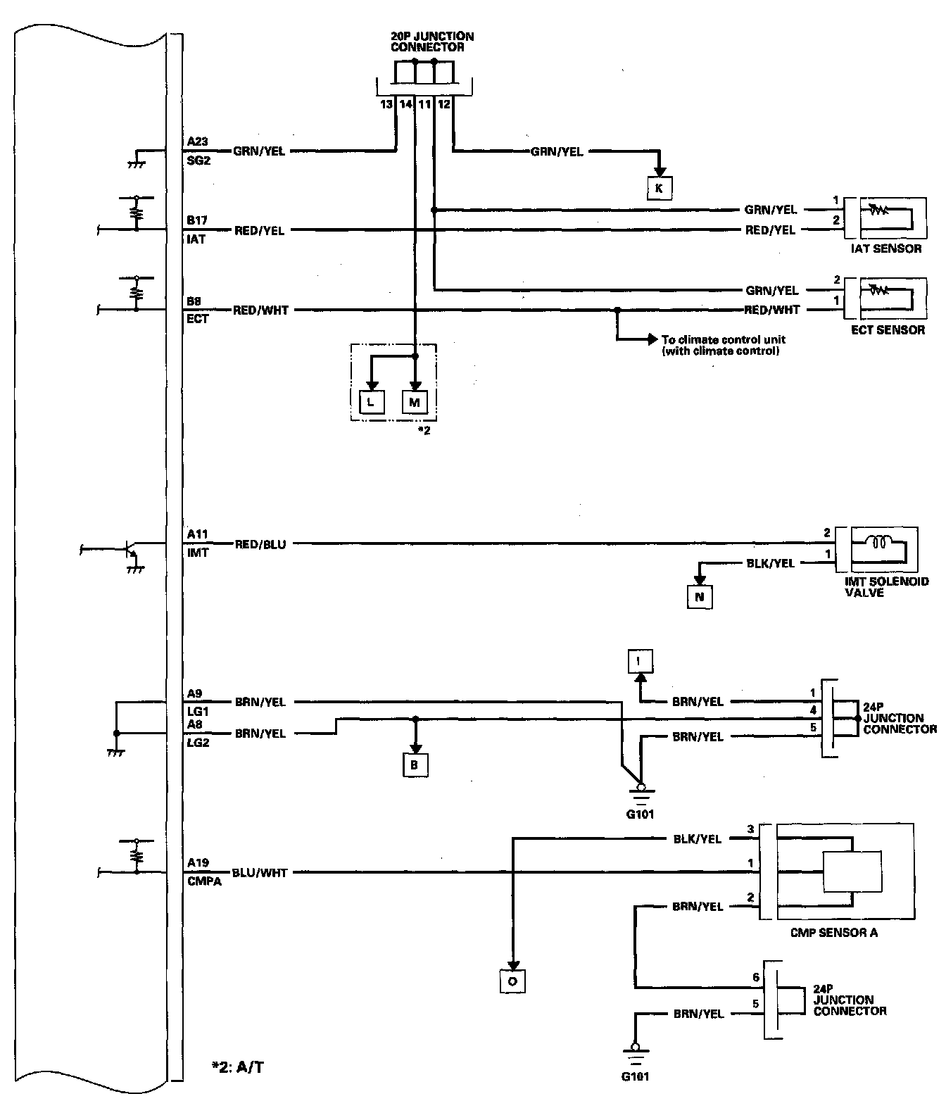
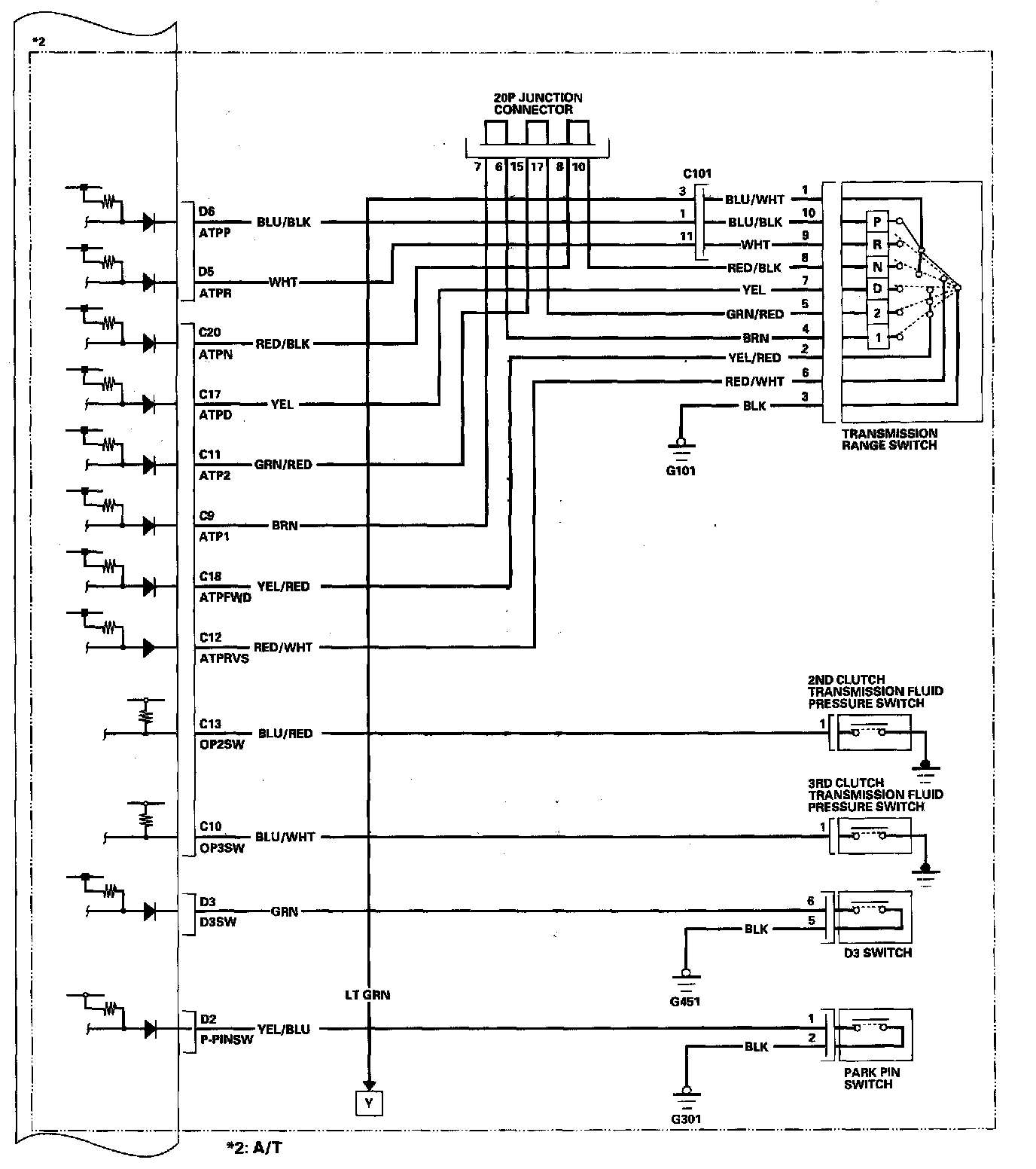
ECM/PCM Circuit Diagram 11-43:



ECM/PCM Circuit Diagram 11-44:



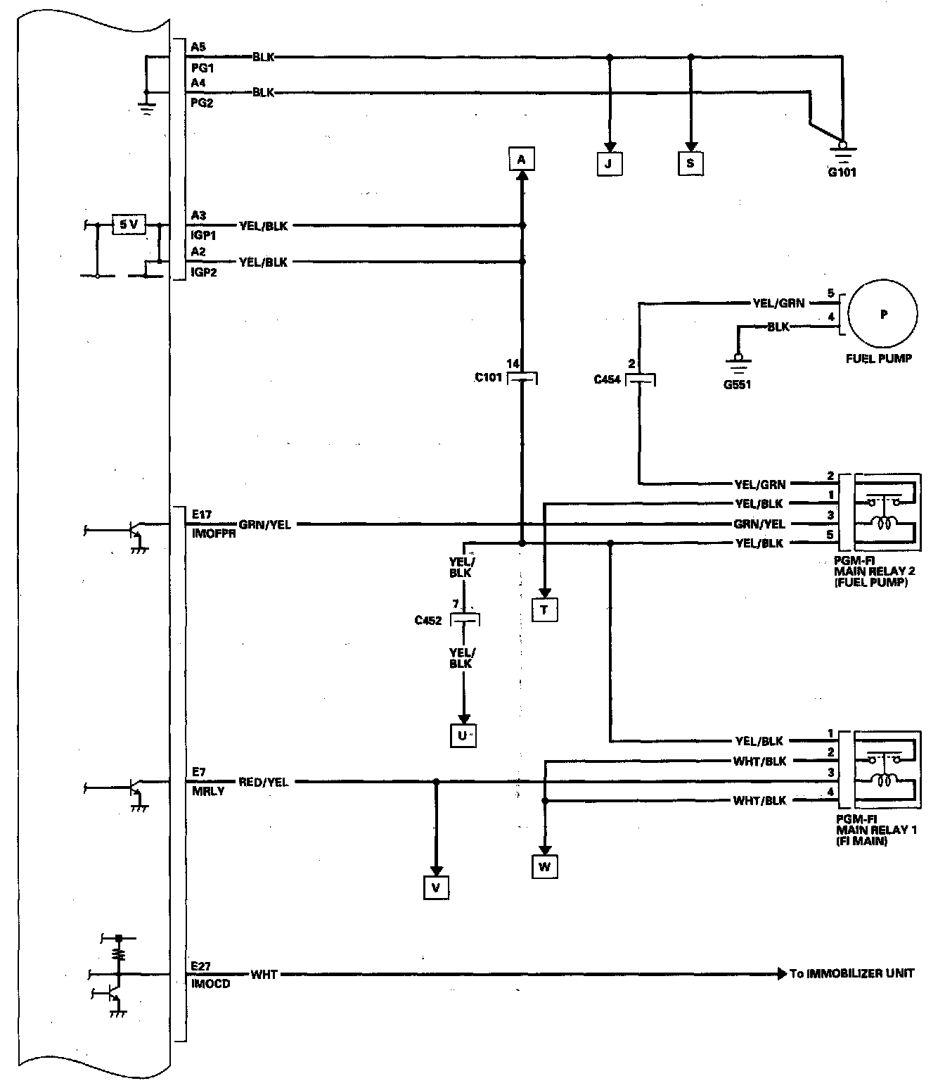
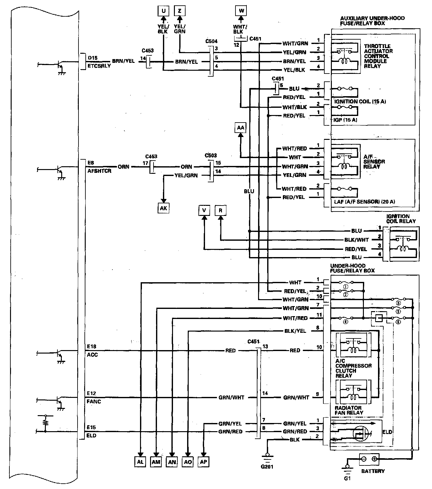
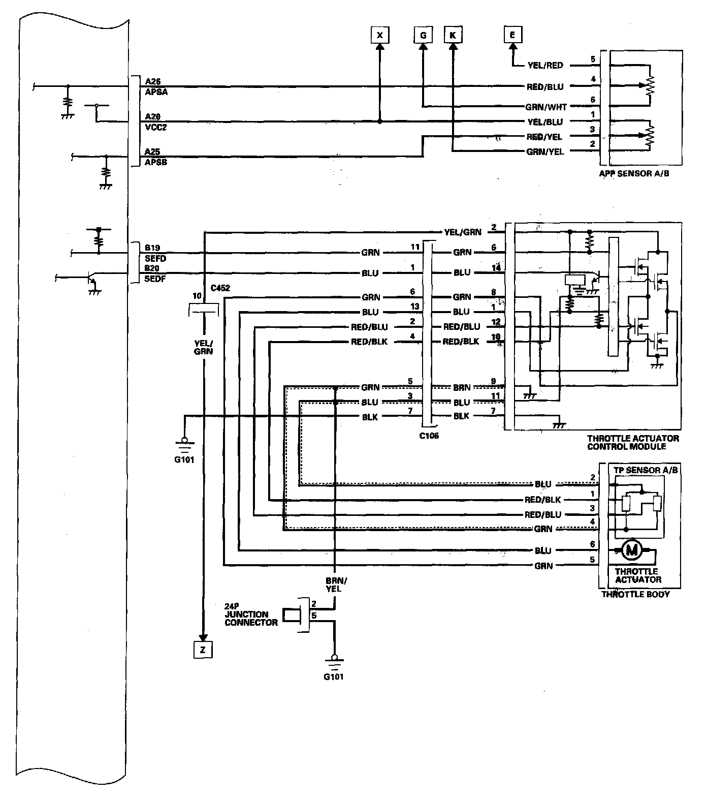
ECM/PCM Circuit Diagram 11-45:



ECM/PCM Circuit Diagram 11-46:



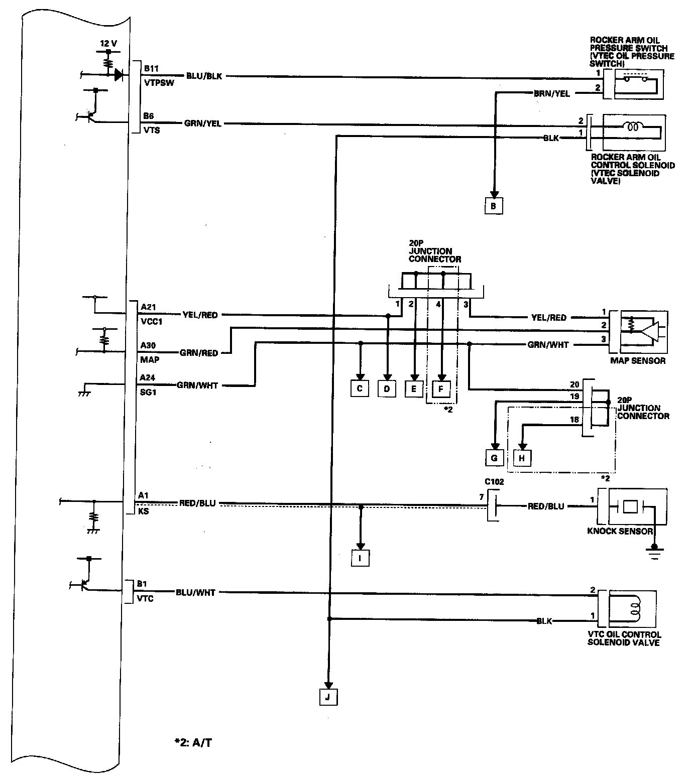
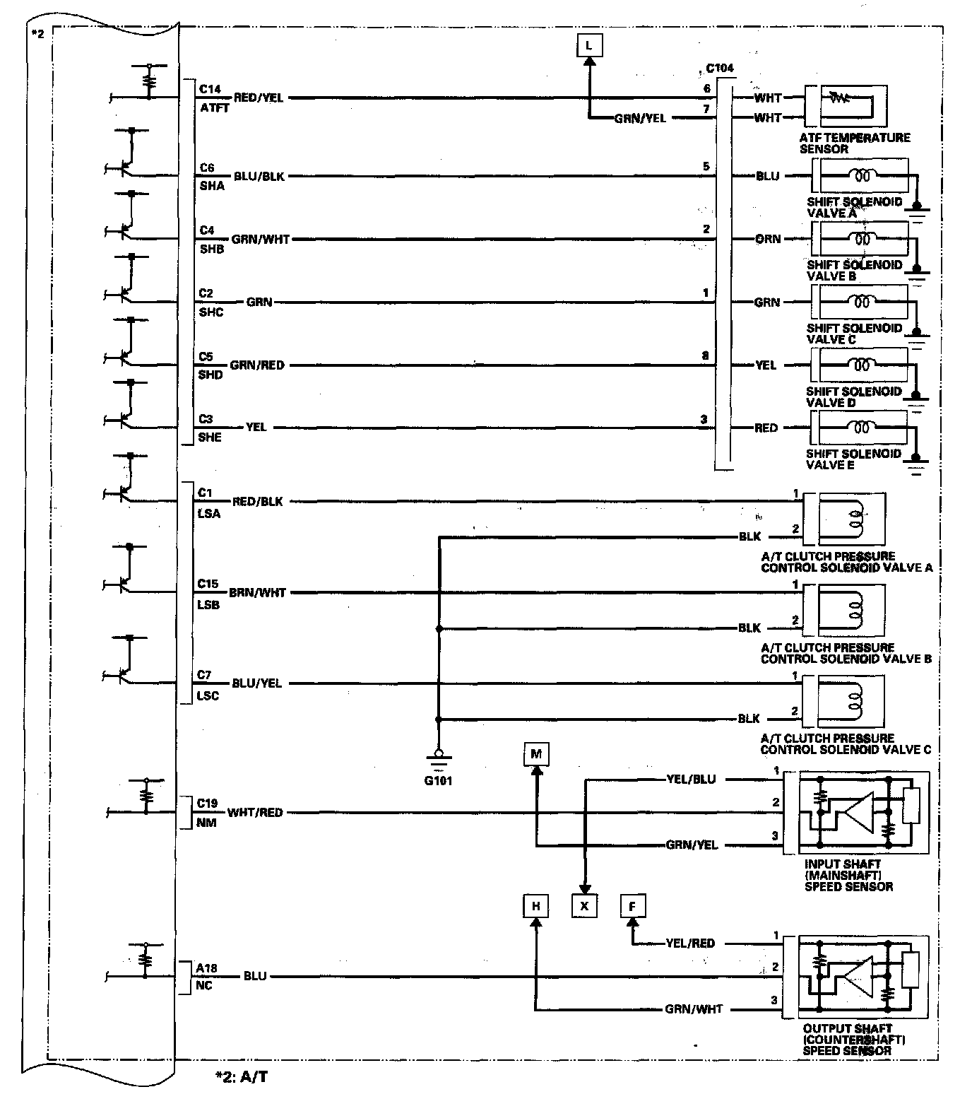
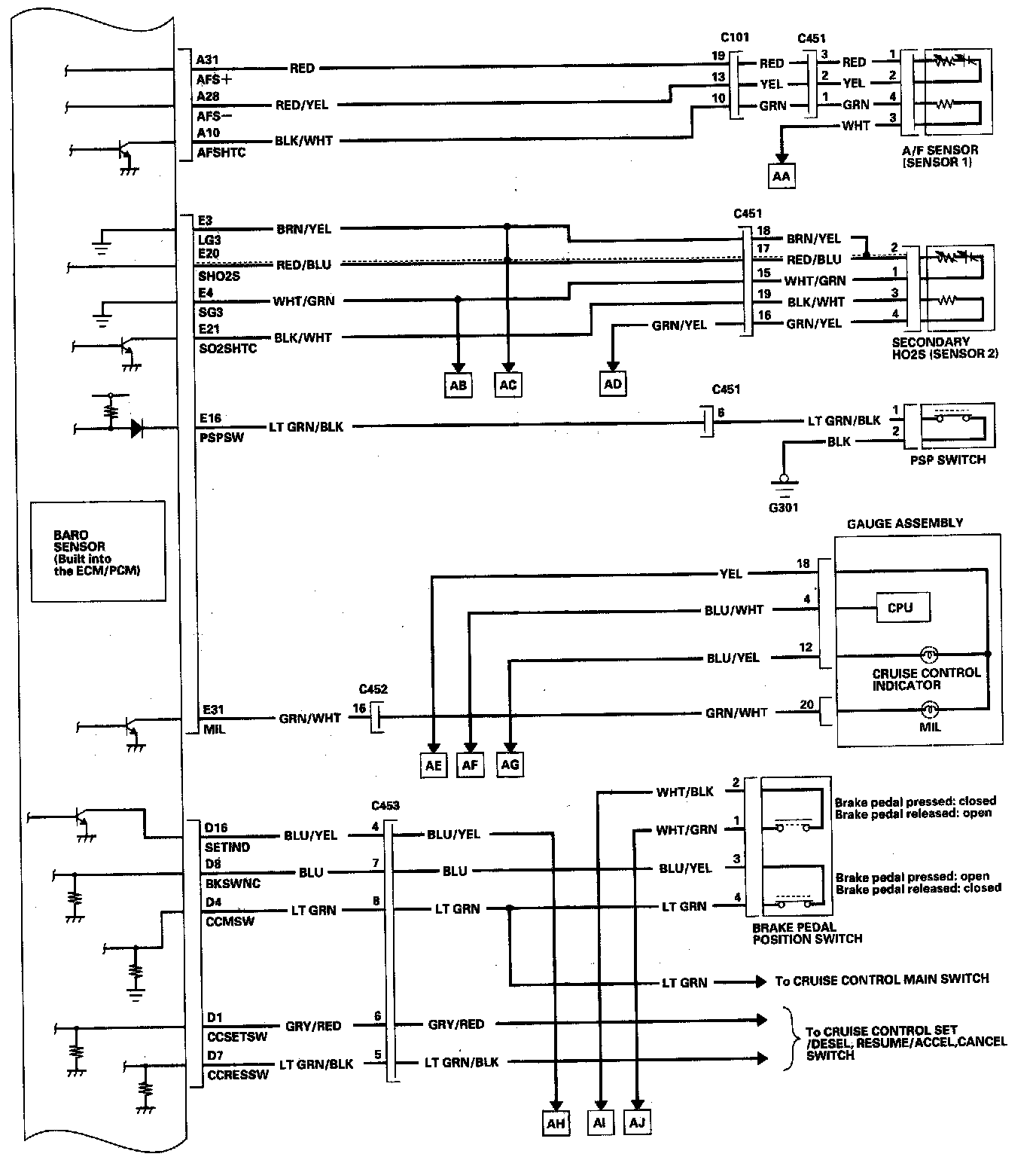
ECM/PCM Circuit Diagram 11-47:



ECM/PCM Circuit Diagram 11-48:



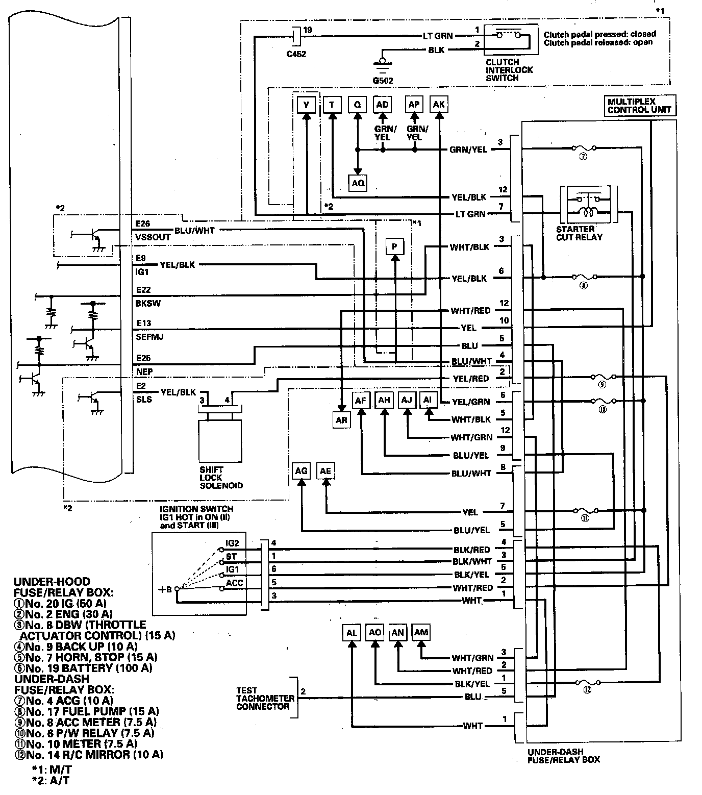
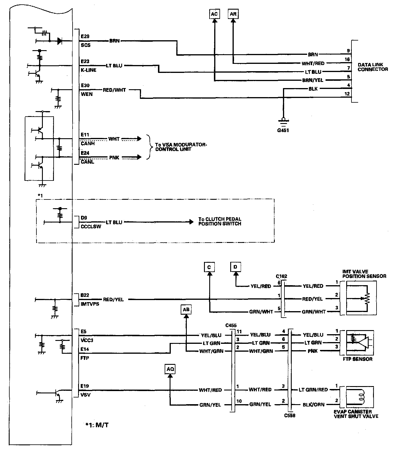
ECM/PCM Circuit Diagram 11-49:



ECM/PCM Circuit Diagram 11-50:



ECM/PCM Circuit Diagram 11-51:



ECM/PCM Circuit Diagram 11-52:



ECM/PCM Circuit Diagram 11-53:



ECM/PCM Circuit Diagram 11-54: