Curiosii for ever!
: Car repair manuals for everyone.
Home
>>
Honda Truck
>>
2006
>>
CR-V 2WD L4-2.4L
>>
Repair and Diagnosis
>>
Powertrain Management
>>
Computers and Control Systems
>>
Information Bus
>>
Diagrams
>>
Electrical Diagrams
>>
Multiplex Control System Circuit Diagram
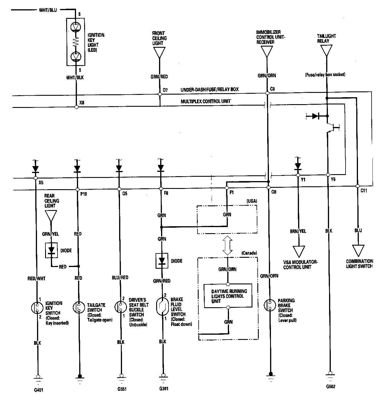
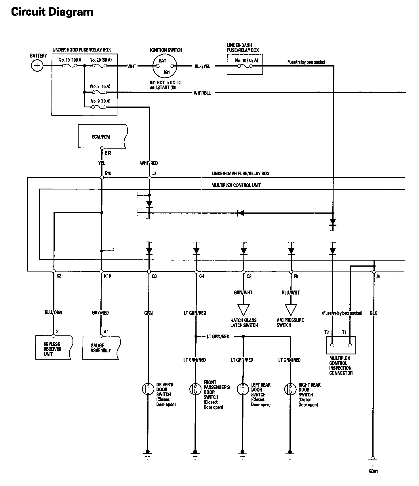
Multiplex Control System Circuit Diagram
Multiplex Control System - Circuit Diagram Part 1:
Multiplex Control System - Circuit Diagram Part 2: