Curiosii for ever!: Car repair manuals for everyone.

Replacement

Alternator Replacement

1. Make sure you have the anti-theft codes for the radio and the navigation system, then write down the customer's radio station presets.
2. Disconnect the negative cable from the battery first, then disconnect the positive cable.
3. Remove the intake manifold cover.
4. Remove the drive belt.




5. Remove the harness clamp (A), then remove the bracket (B).
6. Disconnect the alternator connector (C) and the BLK wire (D) from the alternator.




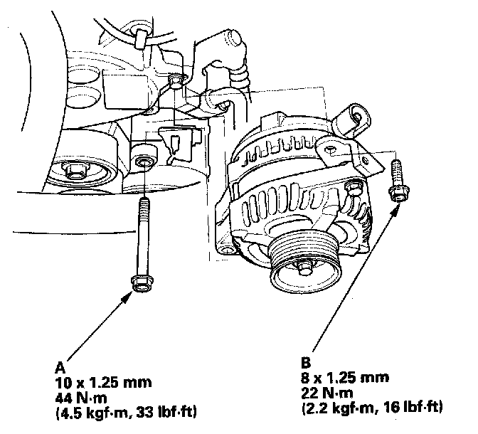
7. Remove the mounting bolt (A) and alternator bracket mounting bolt (B), then remove the alternator.

8. Install the alternator and drive belt in the reverse order of removal.

NOTE: For belt routing, see the Charging System Component Location Index.

9. Connect the positive cable to the battery first, then connect the negative cable.
10. Enter the anti-theft codes for the radio and the navigation system.
11. Enter the customer's radio station presets, and set the clock.
12. Do the power window control unit reset procedure.