Curiosii for ever!: Car repair manuals for everyone.

VSA Modulator-Control Unit Removal and Installation

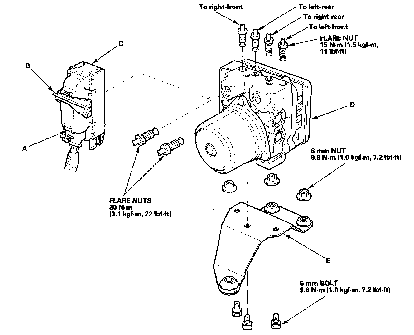
VSA Modulator-Control Unit Removal and Installation

NOTE:
^ Do not spill brake fluid on the vehicle; it may damage the paint; if brake fluid gets on the paint, wash it off immediately with water.
^ Be careful not to damage or deform the brake lines during removal and installation.
^ To prevent the brake fluid from flowing, plug and cover the hose ends and joints with a shop towel or equivalent material.

Removal





1. Push the tab (A), and pull up the lock (B) of the VSA control unit 47P connector (C), and the connector disconnects itself.
2. Disconnect the six brake lines from the VSA modulator-control unit (D).
3. Remove the three 6 mm nuts, then remove the VSA modulator-control unit with bracket (E) from the body.
4. Remove the three 6 mm bolts, then remove the VSA modulator-control unit from the bracket.

Installation
1. Install the VSA modulator-control unit on the bracket with three 6 mm bolts.
2. Install the VSA modulator-control unit/bracket on the body, then tighten the three 6 mm nuts.
3. Reconnect the six brake lines, then tighten the flare nuts.
4. Align the connecting surface of the VSA control unit 47P connector.
5. Carefully push in the lock of the VSA control unit 47P connector until you hear it click into place, then confirm the connector is fully seated.
6. Bleed the brake system, starting with the front wheels.
7. Do VSA sensor neutral position memorization.
8. Start the engine, and check that the ABS and VSA indicators go off.
9. Test-drive the vehicle, and check that the ABS and VSA indicators do not come on.