Curiosii for ever!
: Car repair manuals for everyone.
Home
>>
Honda Truck
>>
2005
>>
Odyssey V6-3.5L
>>
Repair and Diagnosis
>>
Specifications
>>
Mechanical Specifications
>>
Engine
>>
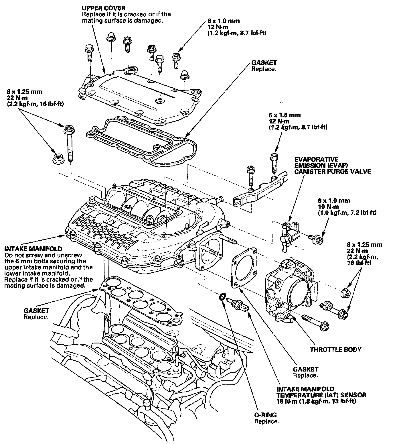
Intake Manifold
Intake Manifold
Intake Manifold
Install the
intake manifold
. Tighten the bolts and nuts sequentially in two or three steps. Always use a new intake manifold gasket.