Curiosii for ever!: Car repair manuals for everyone.

A/T Gear Position Indicator Panel Light Harness Replacement

A/T Gear Position Indicator Panel Light Harness Replacement
1. Remove the shift lever assembly.
2. Remove the tapes.





3. Remove the harness band.





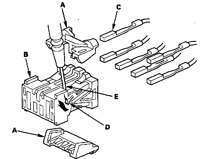
4. Pry the lock covers (A) of the D3 switch/park pin switch/A/T gear position indicator panel light harness connector (B). and remove them.
5. Remove the terminal (C) from the connector by pushing the lock tab (D) in the connector using a thin blade screwdriver (E). Remove all six terminals, and replace the connector.





6. Remove the A/T gear position indicator panel light socket from the A/T gear position indicator panel.
7. Install the new A/T gear position indicator panel light socket in the A/T gear position indicator panel.





8. Install the D3 switch harness terminals (WHT) (A) in the No. 1 and No. 3 cavities. Either D3 switch harness terminal can be installed in the No. 1 and No. 3 cavities.
9. Install the park pin switch harness terminals (GRN) (B) in the No. 2 and No. 6 cavities. Either park pin switch harness terminal can be installed in the No. 2 and No. 6 cavities.
10. Install the A/T gear position indicator panel light harness (RED/BLK) (C) in the No. 4 and No. 5 cavities. Either A/T gear position indicator panel light harness terminal can be installed in the No. 4 and No. 5 cavities.
11. Make sure that all six terminals lock securely, then install the lock covers (D) securely.





12. Route the harnesses along the harness guide (A), and tie the harnesses and guide with the new band (B).





13. Tie the harnesses together into bundles with new tape (A) in two places.
14. Tie the harnesses and the harness clamp (B) together into a bundle with tape (C)
15. Install the shift lever assembly.