Curiosii for ever!: Car repair manuals for everyone.

A/C Control Panel

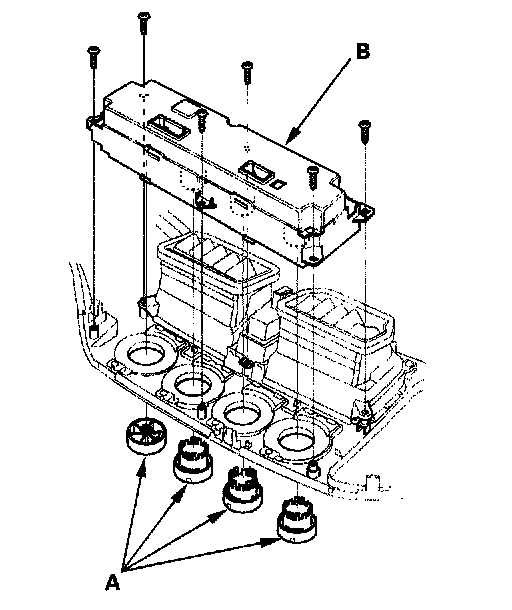
A/C Control Panel Removal and Installation

1. Remove the center panel.




2. Remove the dials (A), the self-tapping screws, and the A/C control panel (B).
3. Install the A/C control panel in the reverse order of removal. After installation, operate the various functions to make sure they work properly.
4. Run the self-diagnosis function to confirm that there are no problems in the system.