Curiosii for ever!
: Car repair manuals for everyone.
Home
>>
Honda Truck
>>
2005
>>
Odyssey V6-3.5L
>>
Repair and Diagnosis
>>
Diagrams
>>
Exploded Views
>>
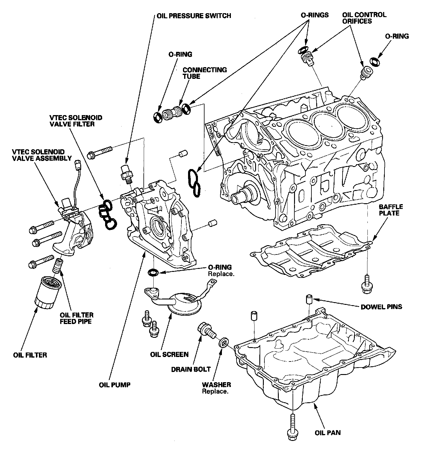
Engine Lubrication
Engine Lubrication
Component Location Index - Part 1: