Curiosii for ever!: Car repair manuals for everyone.

Navigation Module: Service and Repair

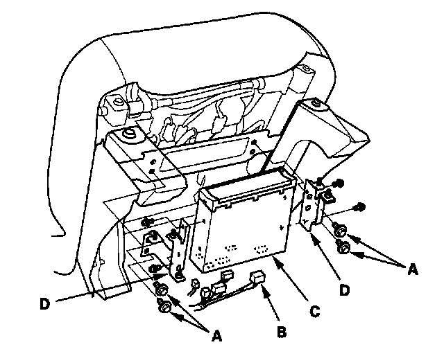
Navigation Unit Removal/Installation

NOTE: If the navigation unit is replaced or disconnected, a map match must be done.




1. Remove the four bolts (A) and connectors (B).
2. Remove the navigation unit (C) with bracket (D) from the driver's seat.
3. Remove the bracket from the navigation unit.
4. Install in the reverse order of removal.