Curiosii for ever!: Car repair manuals for everyone.

Replacement

Starter Replacement

1. Make sure you have the anti-theft code for the radio, then write down the frequencies for the customer's radio station presets.
2. Disconnect the negative cable from the battery, then disconnect the positive cable.
3. Remove the intake manifold.

M/T:




A/T:




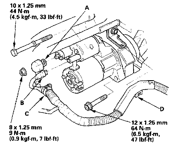
4. Disconnect the starter cable (A) from the B terminal, then disconnect the BLK/WHT wire (B) from the S terminal.
5. Remove the harness clamp (C).
6. Remove the harness holder (D).
7. Remove the two bolts holding the starter, then remove the starter.




8. Install the starter in the reverse order of removal. Make sure the crimped side of the ring terminal is facing out.
9. Install the intake manifold.
10. Connect the battery positive cable and negative cable to the battery.
11. Start the engine to make sure the starter works properly.
12. Enter the anti-theft code for the radio, then enter the customer's radio station presets.
13. Set the clock.
14. Perform the engine control module (ECM)/powertrain control module (PCM) idle learn procedure, and power window control unit reset procedure.