Heater Core: Service and Repair
Heater Unit/Core ReplacementSRS components are located in this area. Review the SRS component locations, and precautions and procedures before performing repairs or service.
1. Make sure you have the anti-theft code for the radio, then write down the frequencies for the radio's preset buttons.
2. Disconnect the negative cable from the battery.
3. With air conditioning; disconnect the A/C lines from the evaporator core.
4. From under the hood, open the cable clamp (A), then disconnect the heater valve cable (B) from the heater valve arm (C). Turn the heater valve arm to the fully opened position as shown.
5. When the engine is cool, drain the engine coolant from the radiator.
6. Slide the hose clamps (A) back, then disconnect the inlet heater hose (B) and the outlet heater hose (C) from the heater core. Engine coolant will run out when the hoses are disconnected; drain it into a clean drip pan. Be sure not to let coolant spill on the electrical parts or the painted surfaces. If any coolant spills, rinse it off immediately.
7. Remove the mounting bolt and the heater valve as shown. Remove the mounting nut from the heater unit. Take care not to damage or bend the fuel lines and the brake lines, etc.
8. Remove the dashboard.
9. Remove the ECM/PCM.
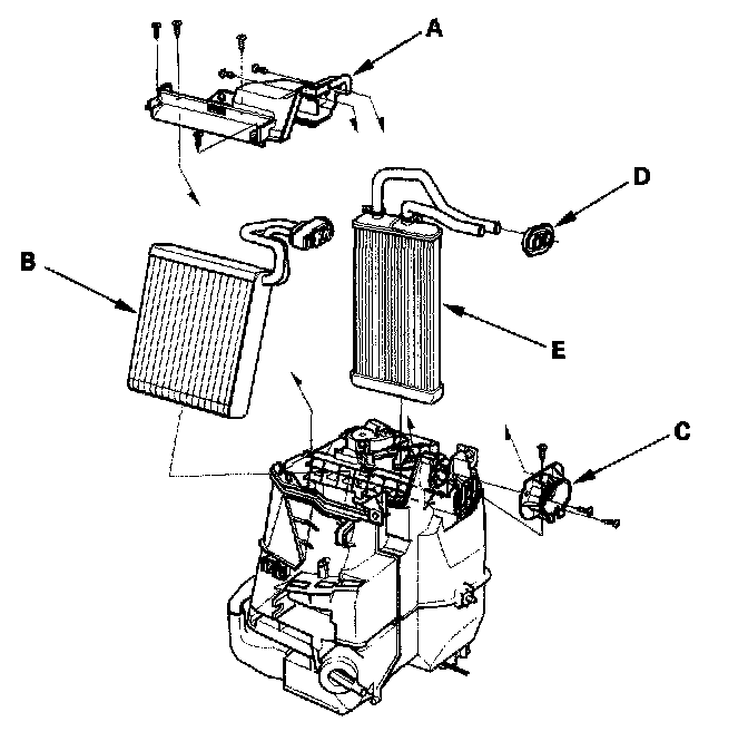
10. Disconnect the connectors (A) from the dashboard wire harness, the air mix control motor, the evaporator temperature sensor, the power transistor, the mode control motor, the blower motor, and the recirculation control motor, then remove the wire harness clips (B), the connector clips (C), the wire harness (D), the heater duct (E), and the clip (F). Disconnect the drain hose (G), then remove the mounting nuts and the blower-heater unit (H).
11. Remove the self-tapping screws and the expansion valve cover (A). With air conditioning; carefully pull out the evaporator core (B) so you don't bend the inlet and outlet pipes. Remove the self-tapping screws and the flange cover (C), then remove the grommet (D), and carefully pull out the heater core (E) so you don't bend the inlet and outlet pipes.
12. Install the heater core and the evaporator core (with A/C) in the reverse order of removal.
13. Install the heater unit in the reverse order of removal, and note these items:
- Do not interchange the inlet and outlet heater hoses, and install the hose clamps securely.
- Refill the cooling system with engine coolant.
- Be sure to connect the drain hose securely.
- Adjust the heater valve cable.
- Make sure that there is no coolant leakage.
- Make sure that there is no air leakage.
- With air conditioning, refer to evaporator core replacement.