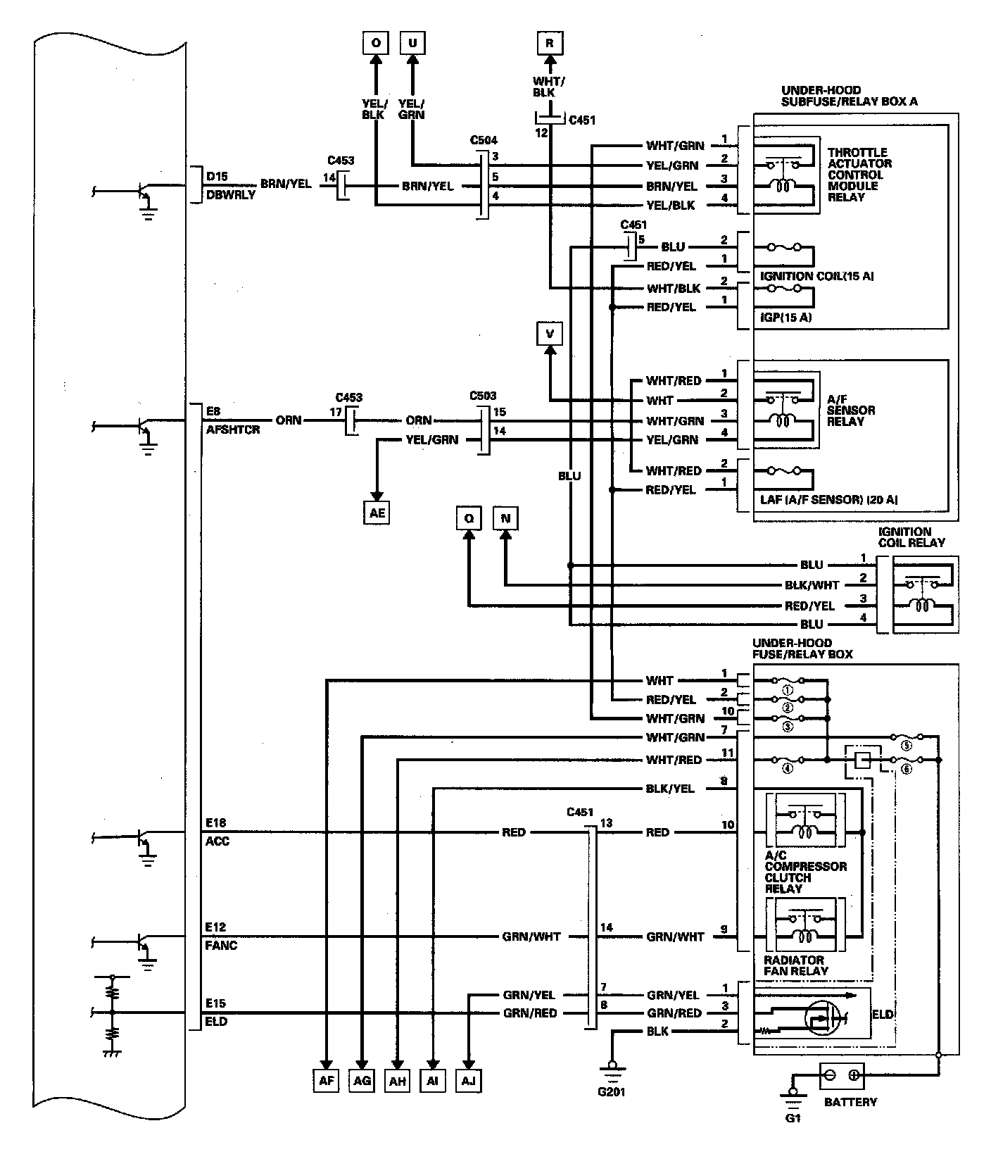
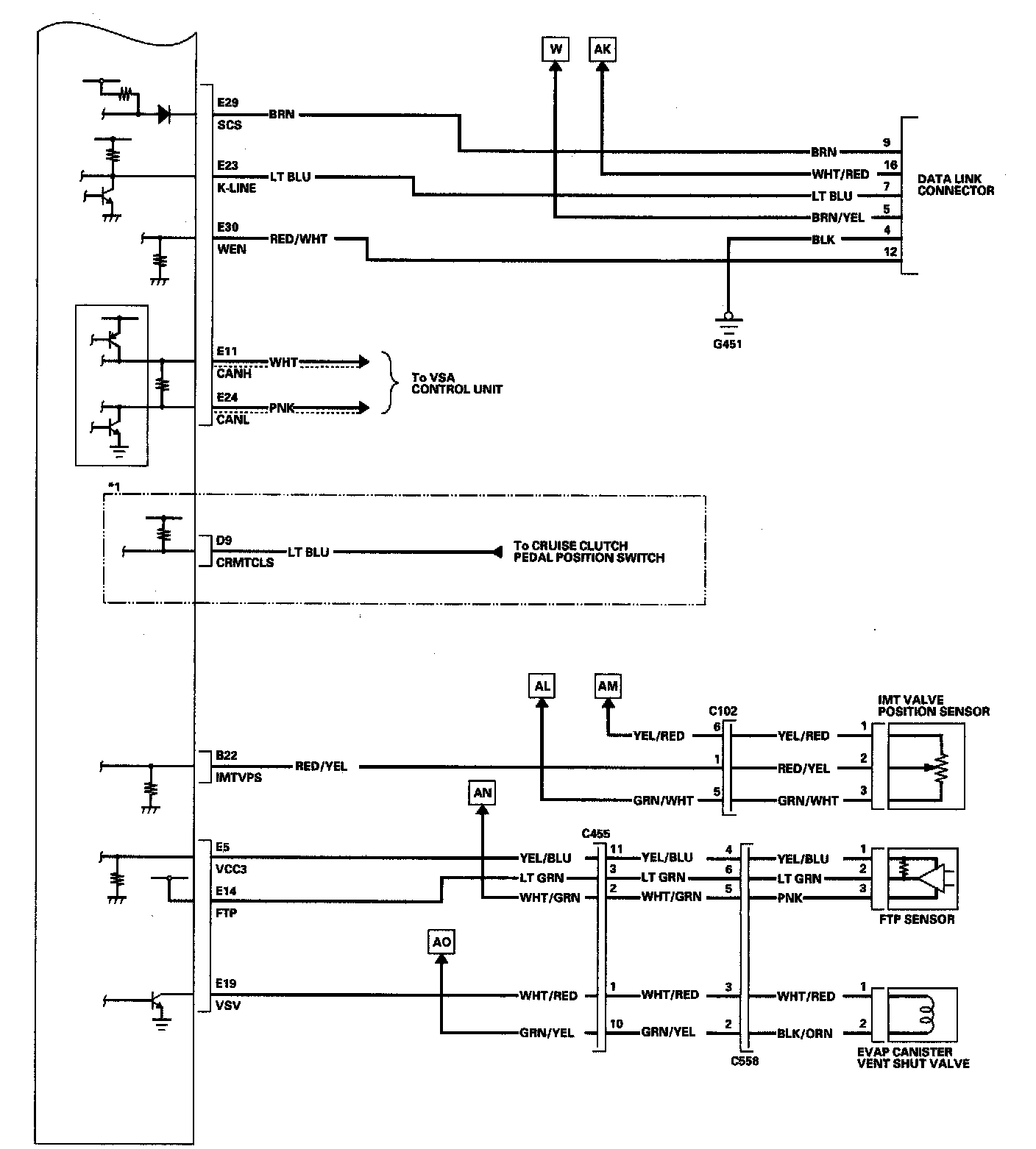
ECM/PCM Circuit Diagrams
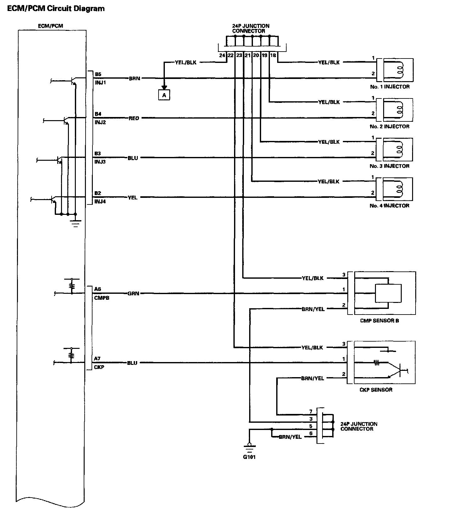
ECM/PCM Circuit Diagram 11-44:
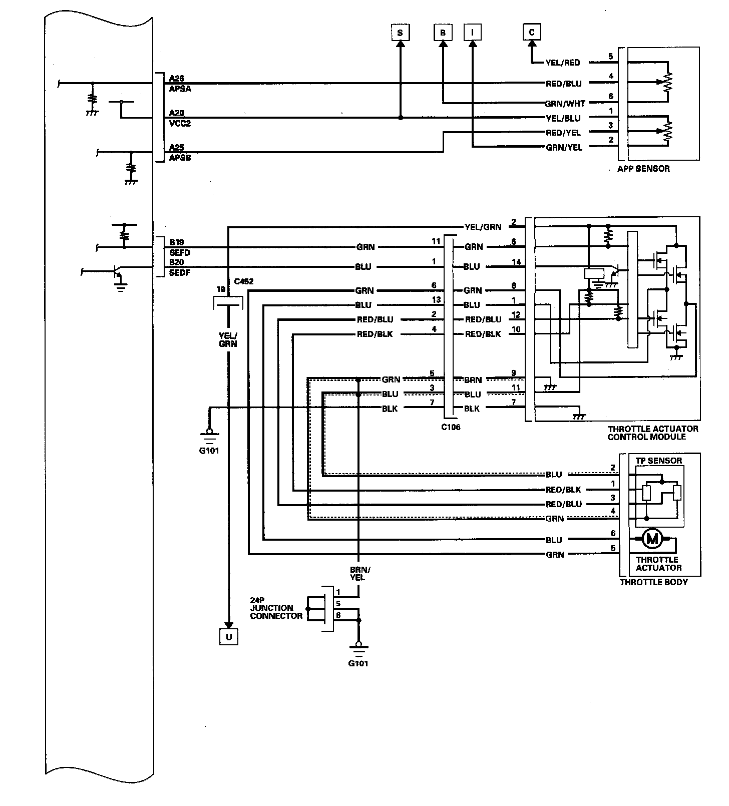
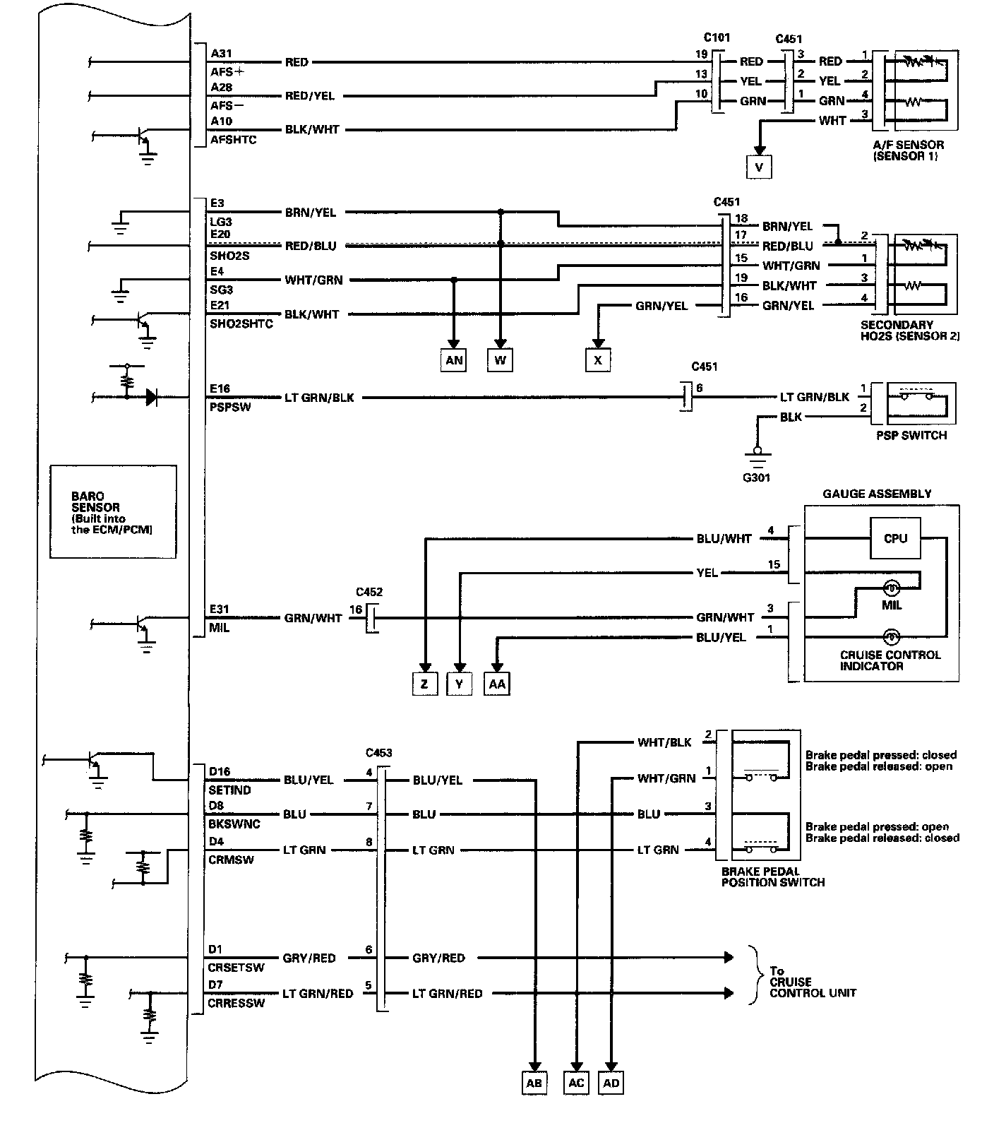
ECM/PCM Circuit Diagram 11-45:
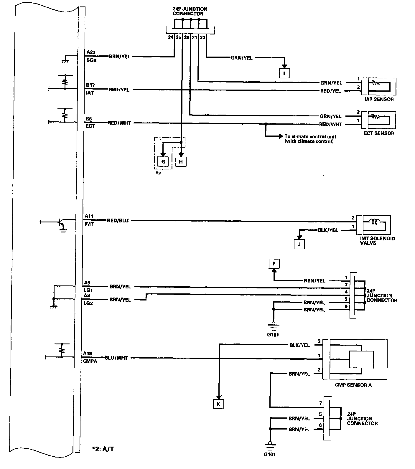
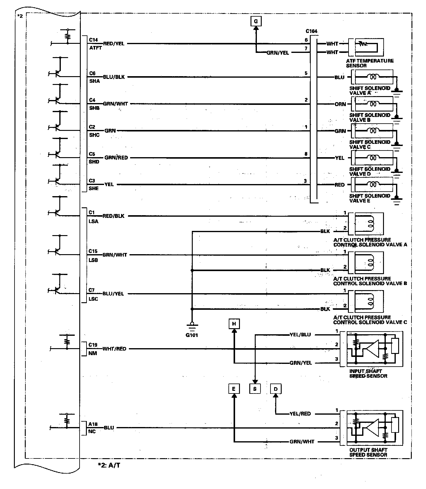
ECM/PCM Circuit Diagram 11-46:
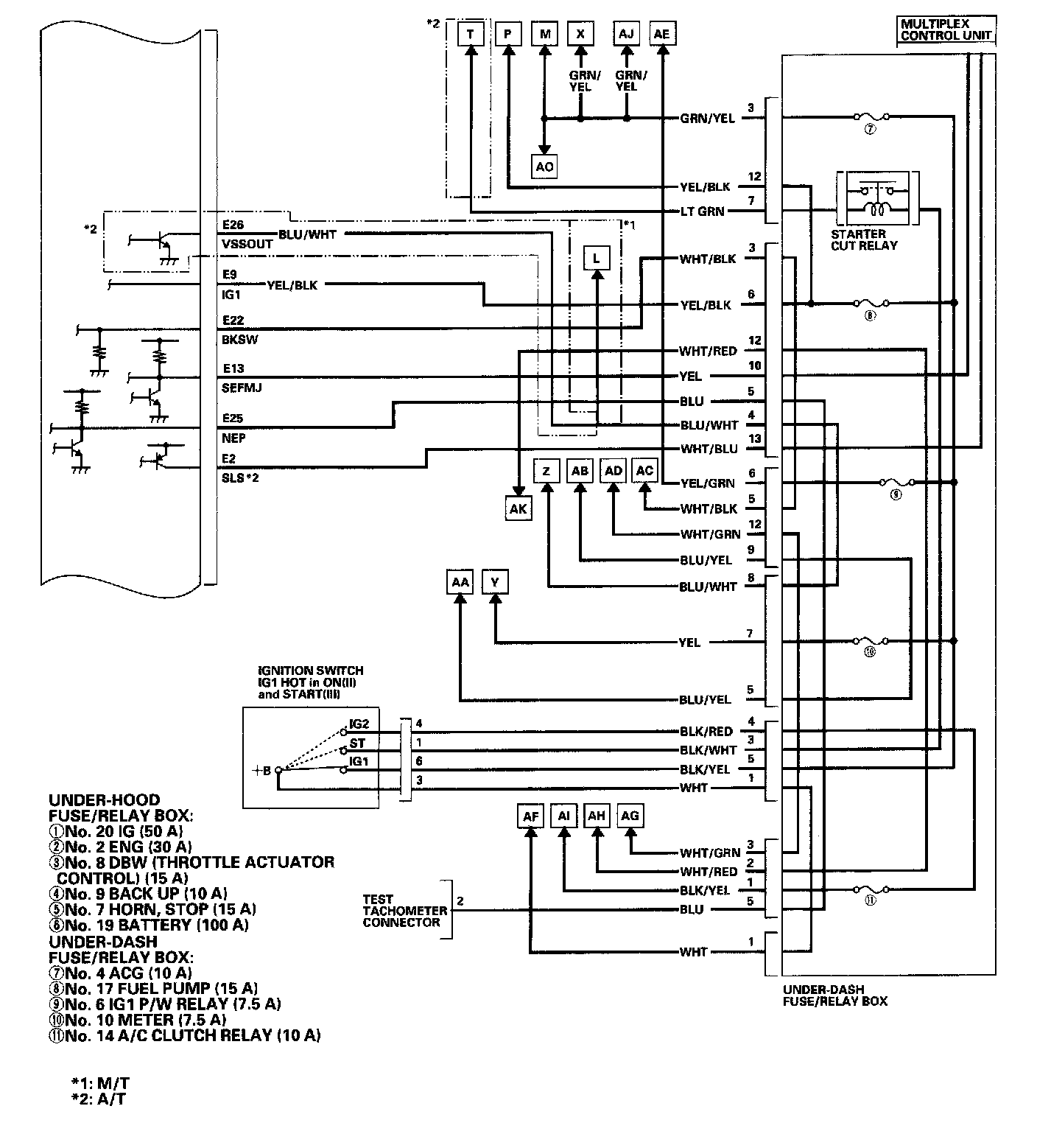
ECM/PCM Circuit Diagram 11-47:
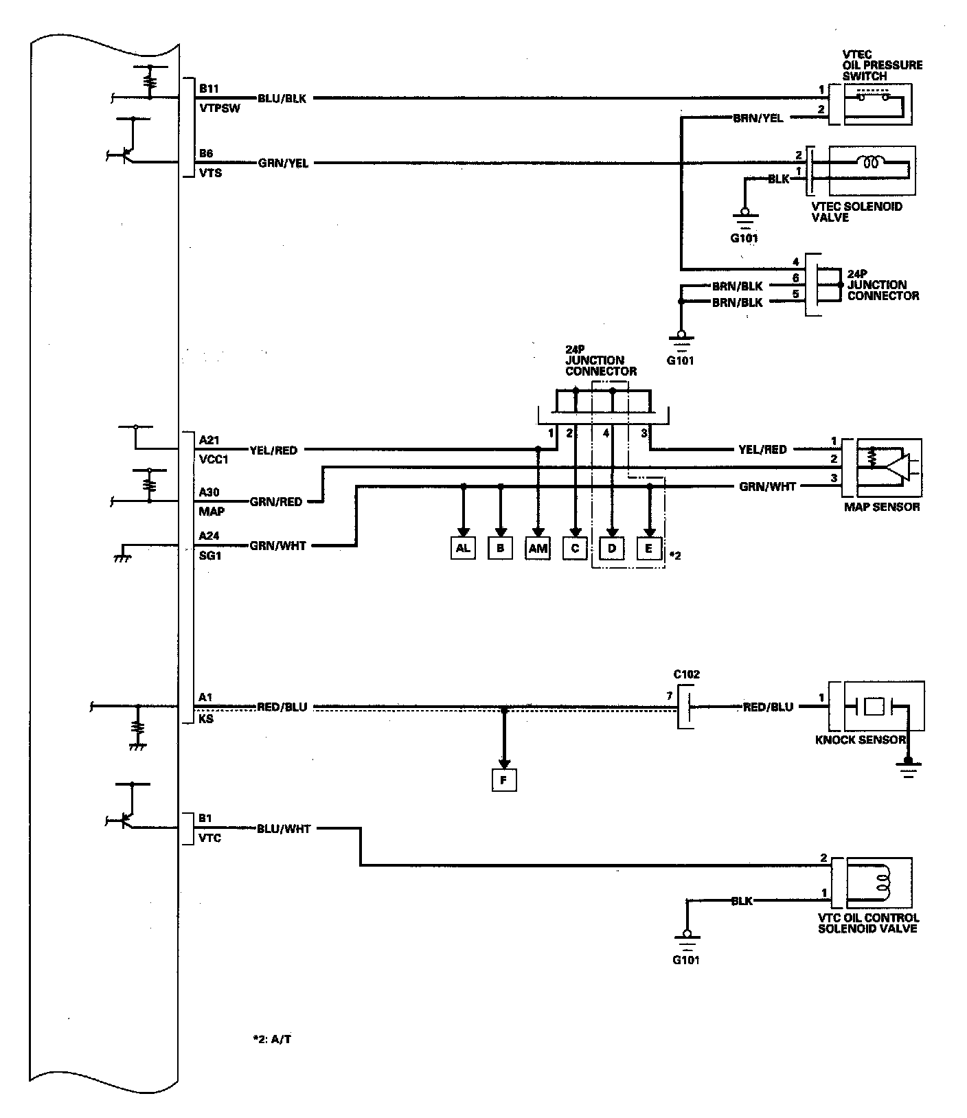
ECM/PCM Circuit Diagram 11-48:
ECM/PCM Circuit Diagram 11-49:
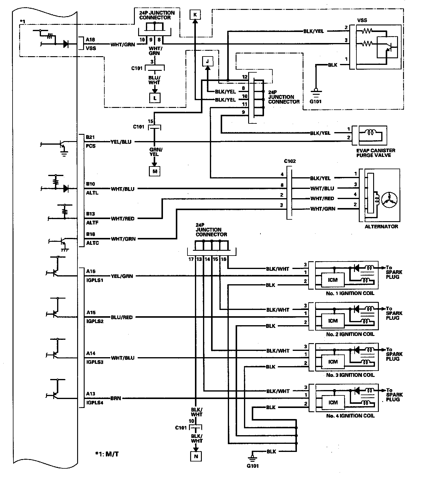
ECM/PCM Circuit Diagram 11-50:
ECM/PCM Circuit Diagram 11-51:
ECM/PCM Circuit Diagram 11-52:
ECM/PCM Circuit Diagram 11-53:
ECM/PCM Circuit Diagram 11-54:
ECM/PCM Circuit Diagram 11-55: