Curiosii for ever!: Car repair manuals for everyone.

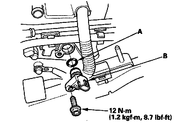
CMP Sensor B Replacement

CMP Sensor B Replacement

NOTE: CMP sensor B is on the exhaust side of the cylinder head.

1. Remove the air cleaner.
2. Disconnect the CMP sensor B 3P connector.




3. Remove CMP sensor B from the exhaust camshaft side of the cylinder head.
4. Install the sensor in the reverse order of removal with a new O-ring (A).