Curiosii for ever!: Car repair manuals for everyone.

Transmission Position Sensor/Switch: Service and Repair

Transmission Range Switch Replacement
1. Raise the vehicle, and make sure it is securely supported.
2. Shift to the N position.





3. Remove the transmission range switch cover.





4. Disconnect the transmission range switch connector.
5. Remove the transmission range switch, and replace the new switch.





6. Make sure the selector control shaft is in the N position. If necessary, move the shift lever to the N position.

NOTE: Do not use the selector control shaft to adjust the shift position. If the selector control shaft tips are squeezed together it will cause a faulty signal or position due to play between the selector control shaft and the switch.





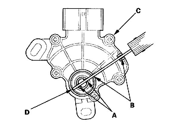
7. Align the cutouts (A) on the rotary-frame with the neutral positioning cutouts (B) on the transmission range switch (C), then put a 2.0 mm (0.08 inch) feeler gauge blade (D) in the cutouts to hold the switch in the N position.

NOTE: Be sure to use a 2.0 mm (0.08 inch) blade or equivalent to hold the switch in the N position.





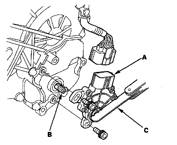
8. Install the transmission range switch (A) gently on the selector control shaft (B) with holding it in the N position with the 2.0 mm (0.08 inch) blade (C).





9. Tighten the bolts on the transmission range switch while you continue to hold the N position. Do not move the transmission range switch when tightening the bolts. Remove the feeler gauge.





10. Connect the connector securely, then install the transmission range switch cover (A).
11. Turn the ignition switch ON (II). Move the shift lever through all positions, and check the transmission range switch synchronization with the A/T gear position indicator.
12. Check that the engine will start in the P and N positions, and will not start in any other shift lever position.
13. Check that the back-up lights come on when the shift lever is in R position.
14. Allow the front wheels to rotate freely, then start the engine, and check the shift lever operation.