Main Relay (Computer/Fuel System): Testing and Inspection
Power Relay Test
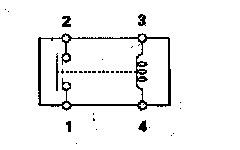
Use this chart to identify the type of relay, then do the test listed for it.
NOTE: For the turn signal/hazard relay input test.
Normally-open type A
Check for continuity between the terminals.
- There should be continuity between the No. 1 and No. 2 terminals when power and ground are connected to the No. 3 and No. 4 terminals.
- There should be no continuity between the No. 1 and No. 2 terminals when power is disconnected.