Curiosii for ever!
: Car repair manuals for everyone.
Home
>>
Honda Truck
>>
2005
>>
CR-V 2WD L4-2.4L
>>
Repair and Diagnosis
>>
Diagrams
>>
Exploded Views
>>
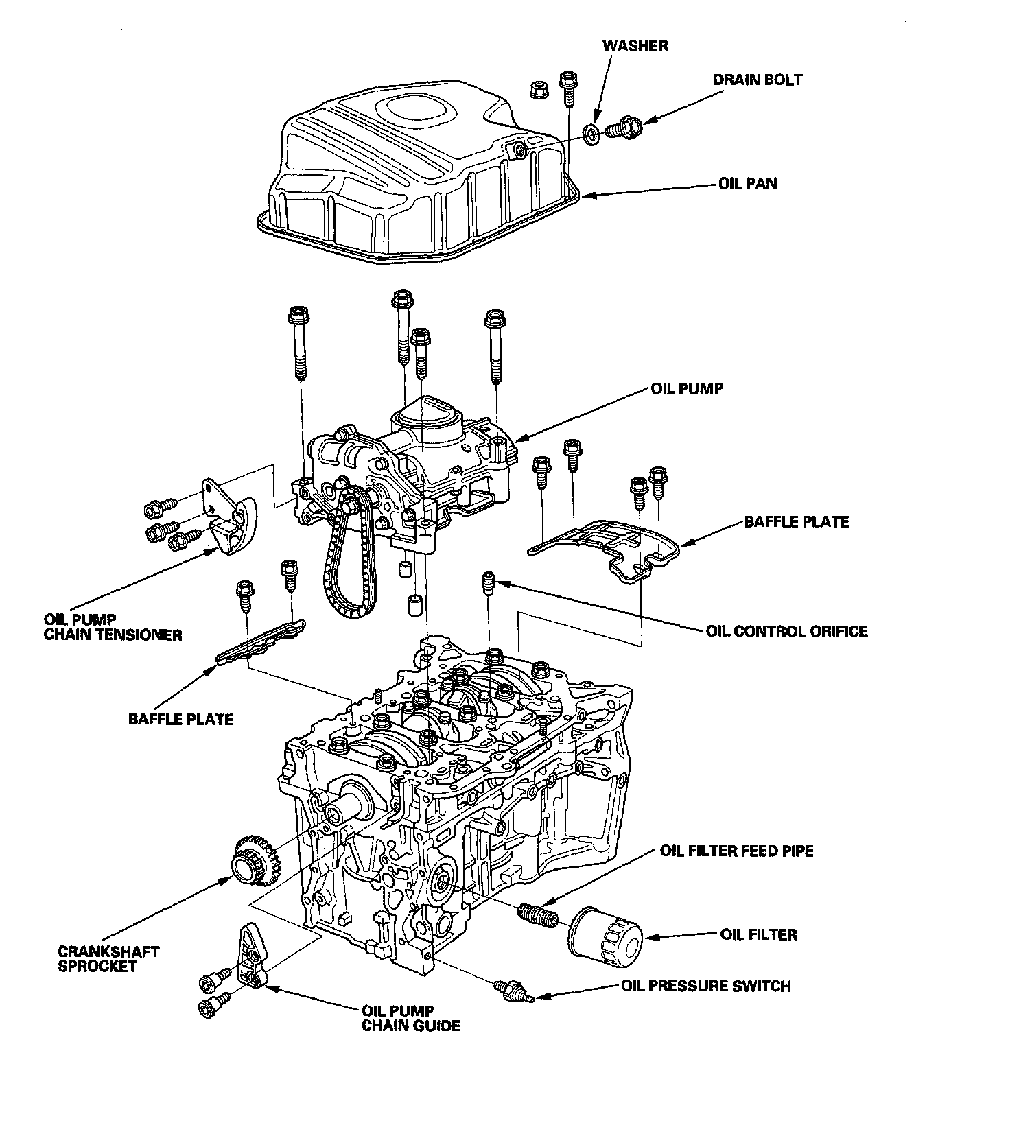
Engine Lubrication
>>
System Diagram
System Diagram
Engine Lubrication Component Location Index: