Curiosii for ever!
: Car repair manuals for everyone.
Home
>>
Honda Truck
>>
2005
>>
CR-V 2WD L4-2.4L
>>
Repair and Diagnosis
>>
Diagrams
>>
Exploded Views
>>
Cylinder Block Assembly
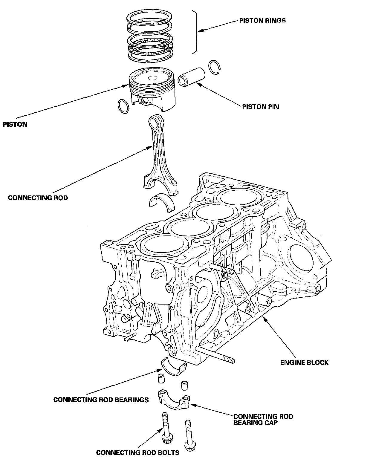
Cylinder Block Assembly
Engine Block Component Illustration Index, Part 1 Of 2:
Engine Block Component Illustration Index, Part 2 Of 2: