Curiosii for ever!: Car repair manuals for everyone.

Compression Check: Testing and Inspection

Engine Compression Inspection
1. Warm up the engine to normal operating temperature (cooling fan comes on).
2. Turn the ignition switch OFF.





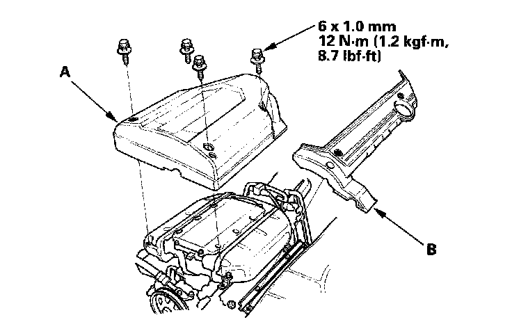
3. Remove the intake manifold cover (A) and ignition coil cover (B).
4. Disconnect the six injector connectors.
5. Remove the six ignition coils.
6. Remove the six spark plugs.





7. Attach the compression gauge to a spark plug hole.
8. Connect a tachometer.
9. Open the throttle fully, then crank the engine with the starter motor and measure the compression.
Compression Pressure: Above 990 kPa (10.1 kgf/cm2, 145 psi) - 200 rpm
10. Perform the same measurement on the remaining cylinders.
Maximum Variation: Within 200 kPa (2.0 kgf/cm2, 28 psi)
11. If the compression is not within specifications, check the following items, then remeasure the compression.
- Damaged or worn valves and seats
- Damaged cylinder head gasket
- Damaged or worn piston rings
- Damaged or worn piston and cylinder bore