Curiosii for ever!
: Car repair manuals for everyone.
Home
>>
Honda Truck
>>
2004
>>
Pilot V6-3.5L
>>
Repair and Diagnosis
>>
Diagrams
>>
Electrical Diagrams
>>
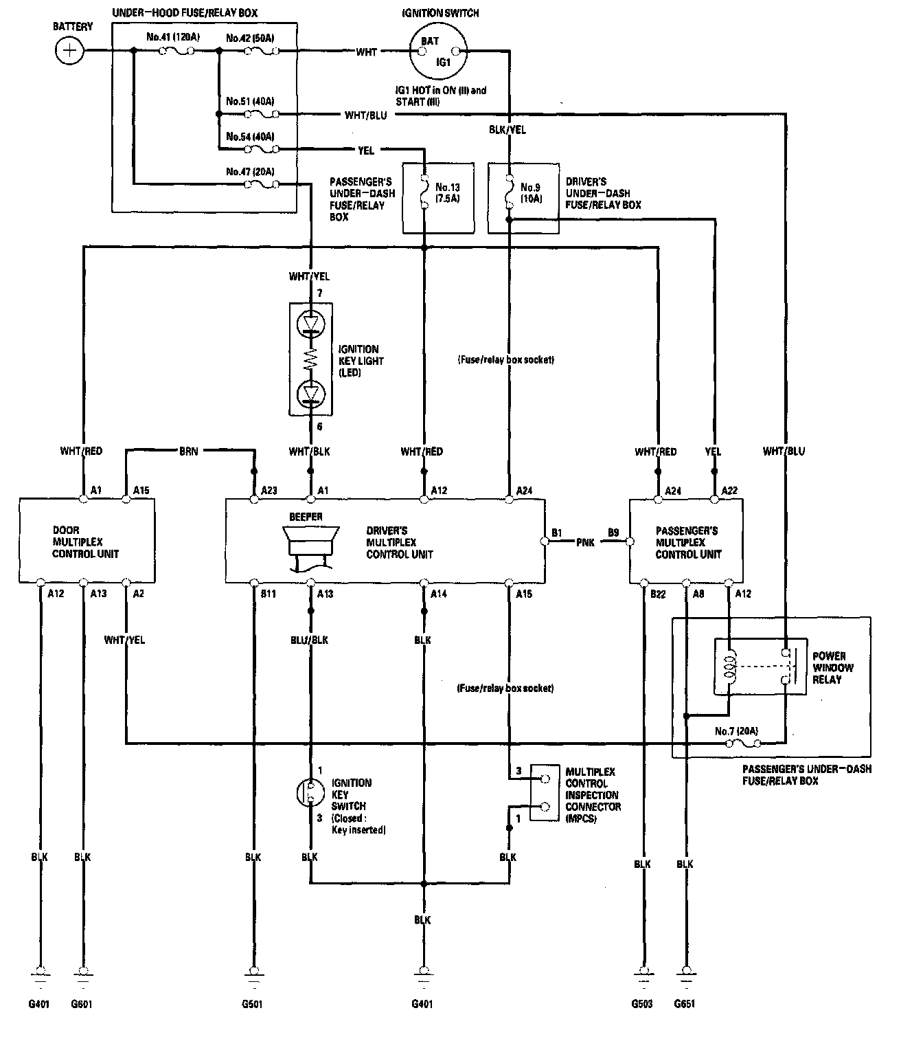
Body Control Systems
Body Control Systems
Multiplex Control System - Circuit Diagram: