Curiosii for ever!: Car repair manuals for everyone.

Circuit Diagram, Security Alarm System

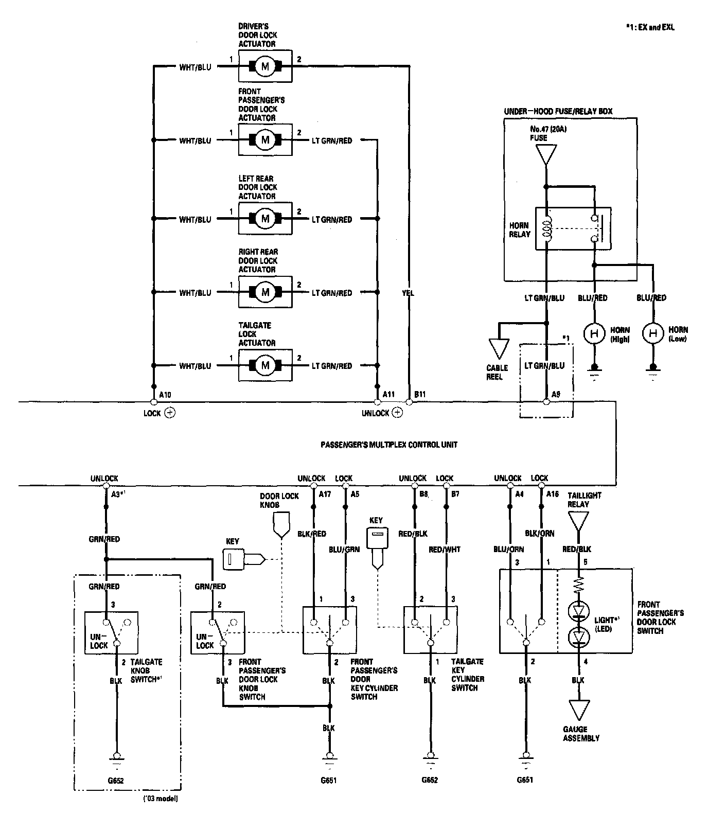
Keyless Entry/security Alarm System - Circuit Diagram Part 1:



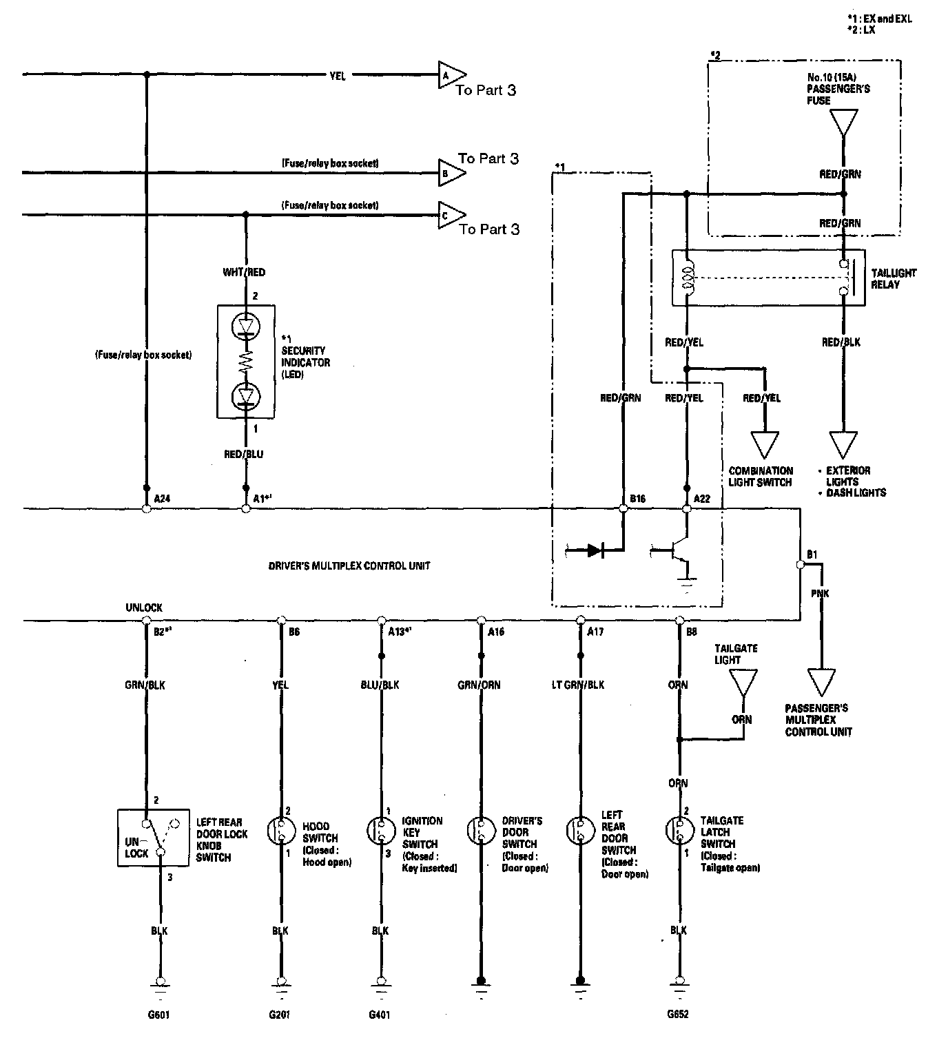
Keyless Entry/security Alarm System - Circuit Diagram Part 2:



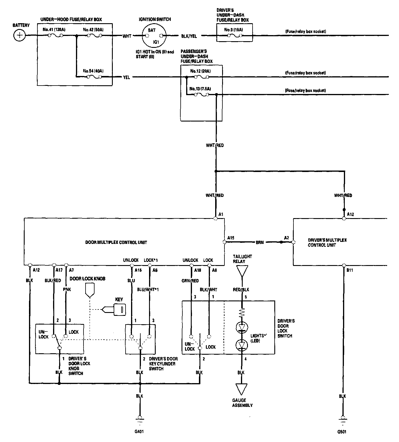
Keyless Entry/security Alarm System - Circuit Diagram Part 3:



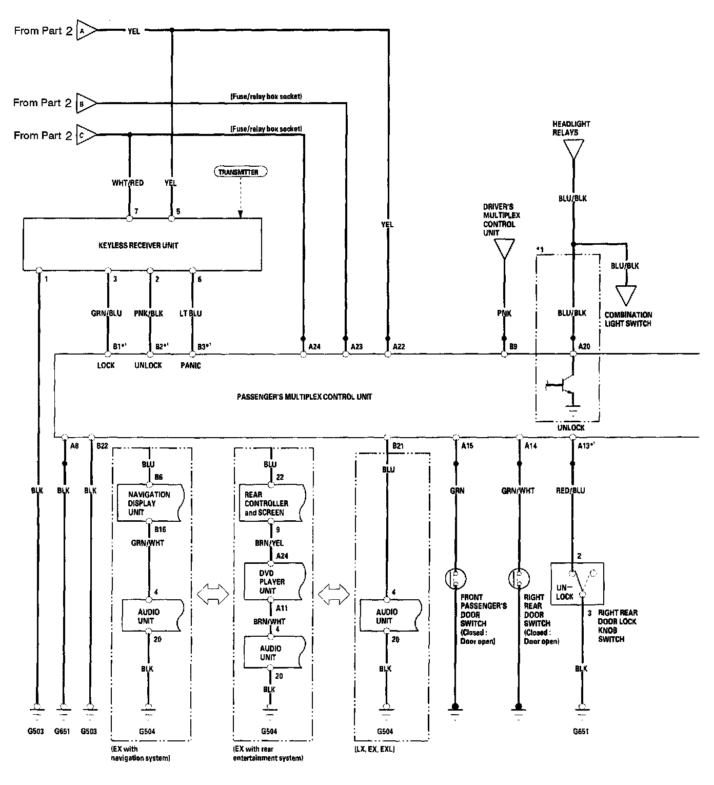
Keyless Entry/security Alarm System - Circuit Diagram Part 4: