Curiosii for ever!
: Car repair manuals for everyone.
Home
>>
Honda Truck
>>
2004
>>
Element 2WD L4-2.4L
>>
Repair and Diagnosis
>>
Diagrams
>>
Exploded Views
>>
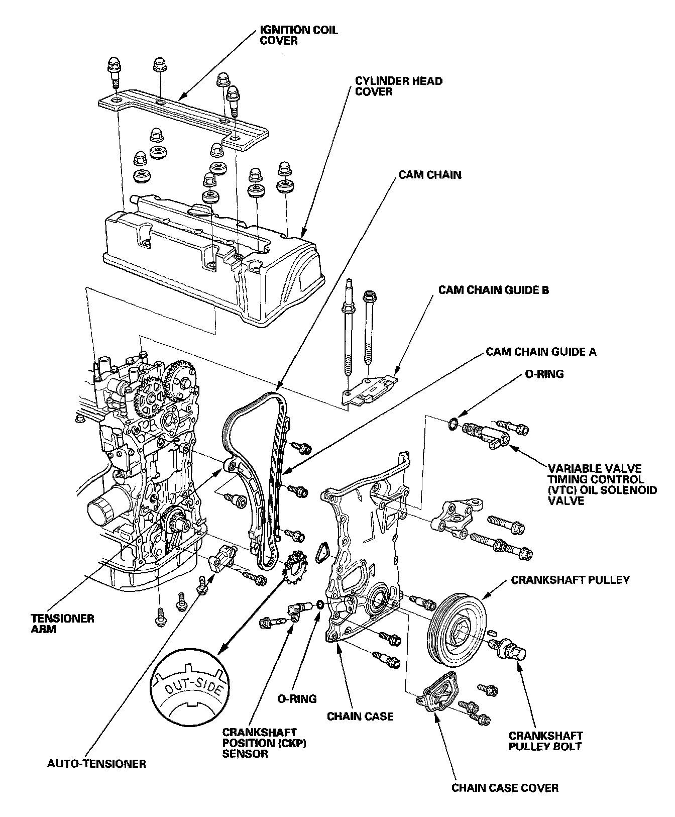
Cylinder Head Assembly
Cylinder Head Assembly
Part 1 Of 3:
Part 2 Of 3:
Part 3 Of 3: