Curiosii for ever!
: Car repair manuals for everyone.
Home
>>
Honda Truck
>>
2003
>>
Pilot V6-3.5L
>>
Repair and Diagnosis
>>
Powertrain Management
>>
Ignition System
>>
Ignition Coil
>>
Service and Repair
Ignition Coil: Service and Repair
Ignition Coil
Removal/Installation
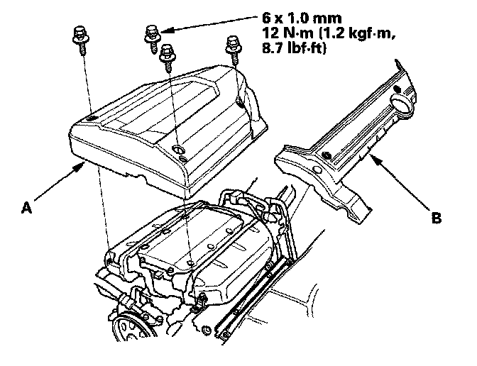
1.
Remove the intake manifold cover (A) and
ignition coil
cover (B).
2.
Remove the
ignition coils
.
3.
Install the
ignition coils
in the reverse order of removal.