ECM/PCM Circuit Diagram
ECM/PCM Circuit Diagram 11-34:
ECM/PCM Circuit Diagram 11-35:
ECM/PCM Circuit Diagram 11-36:
ECM/PCM Circuit Diagram 11-37:
ECM/PCM Circuit Diagram 11-38:
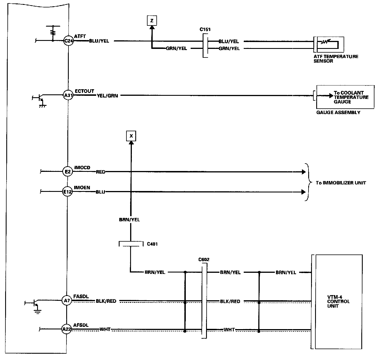
ECM/PCM Circuit Diagram 11-39:
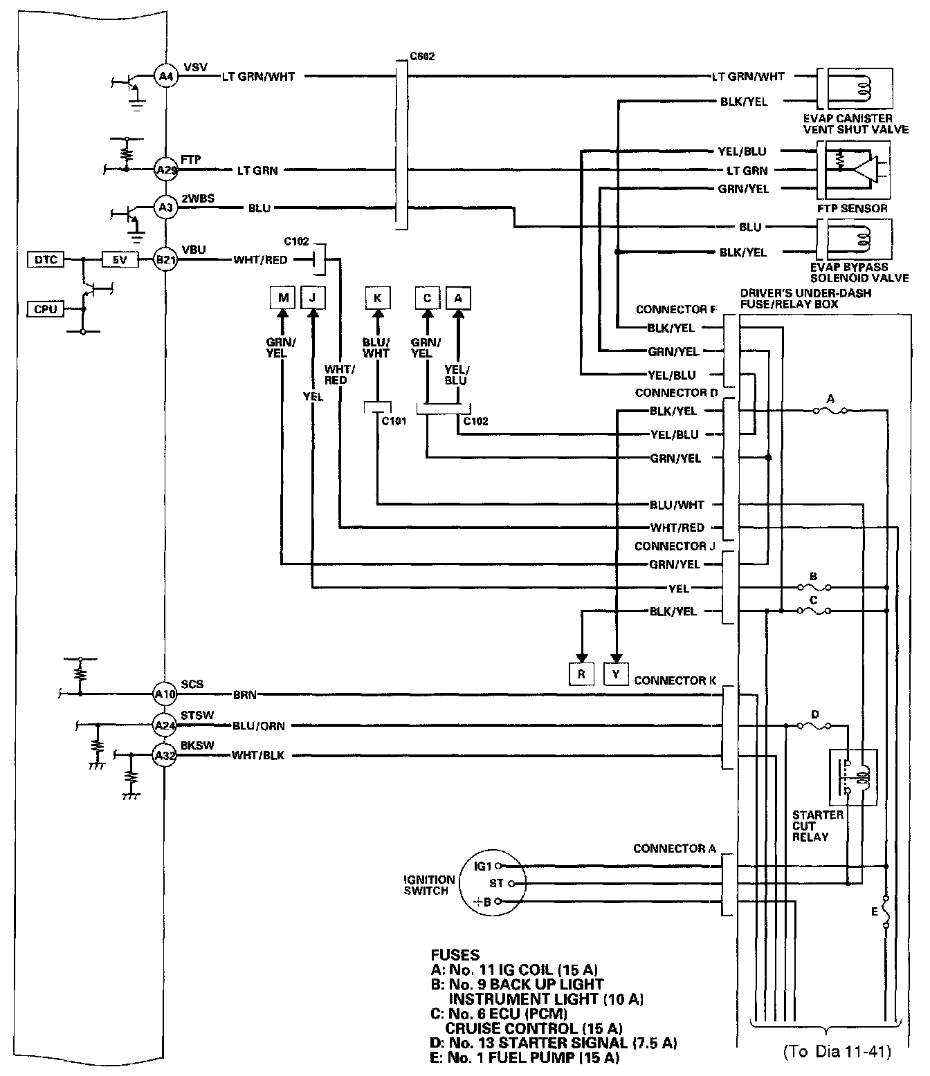
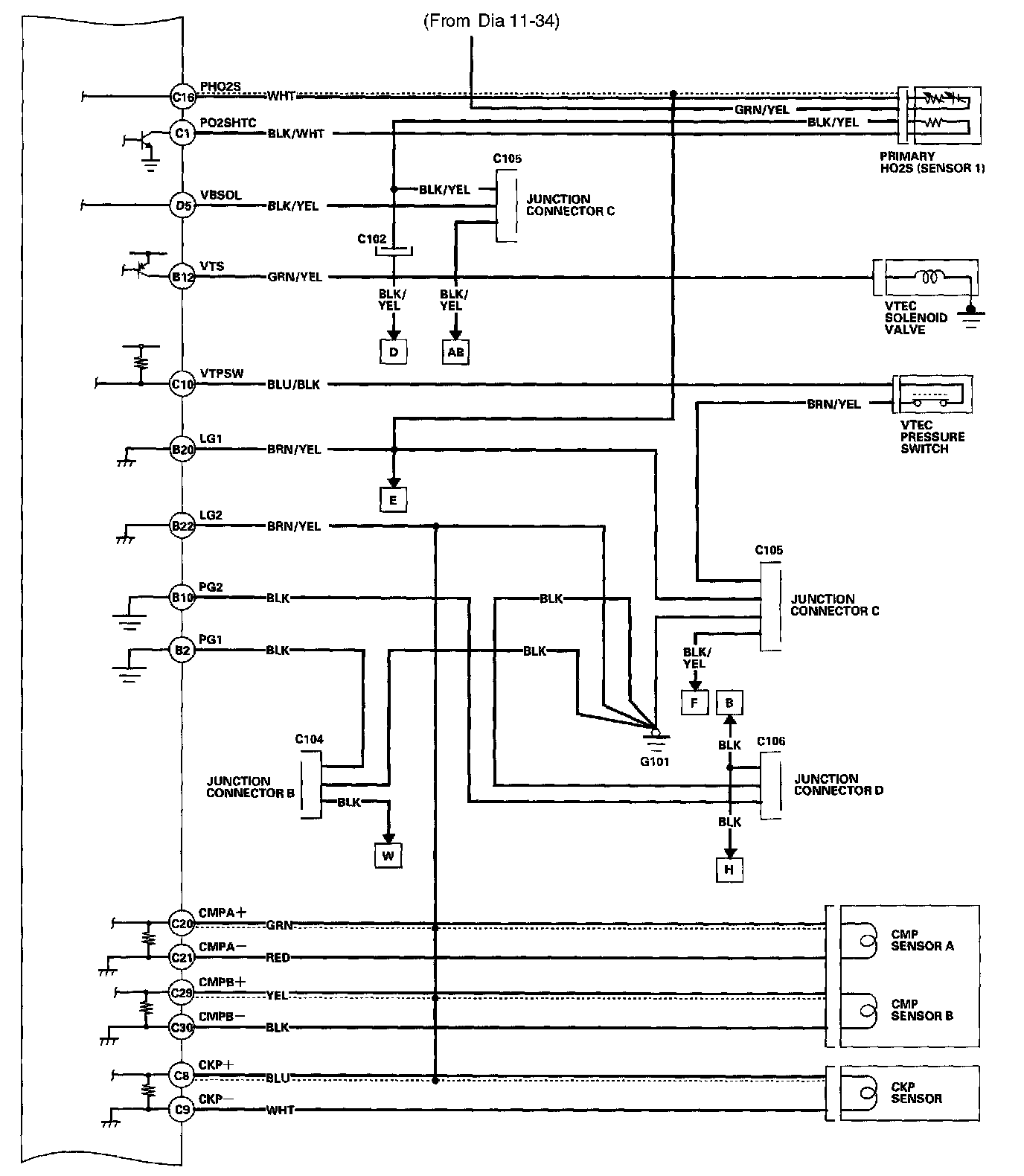
ECM/PCM Circuit Diagram 11-40:
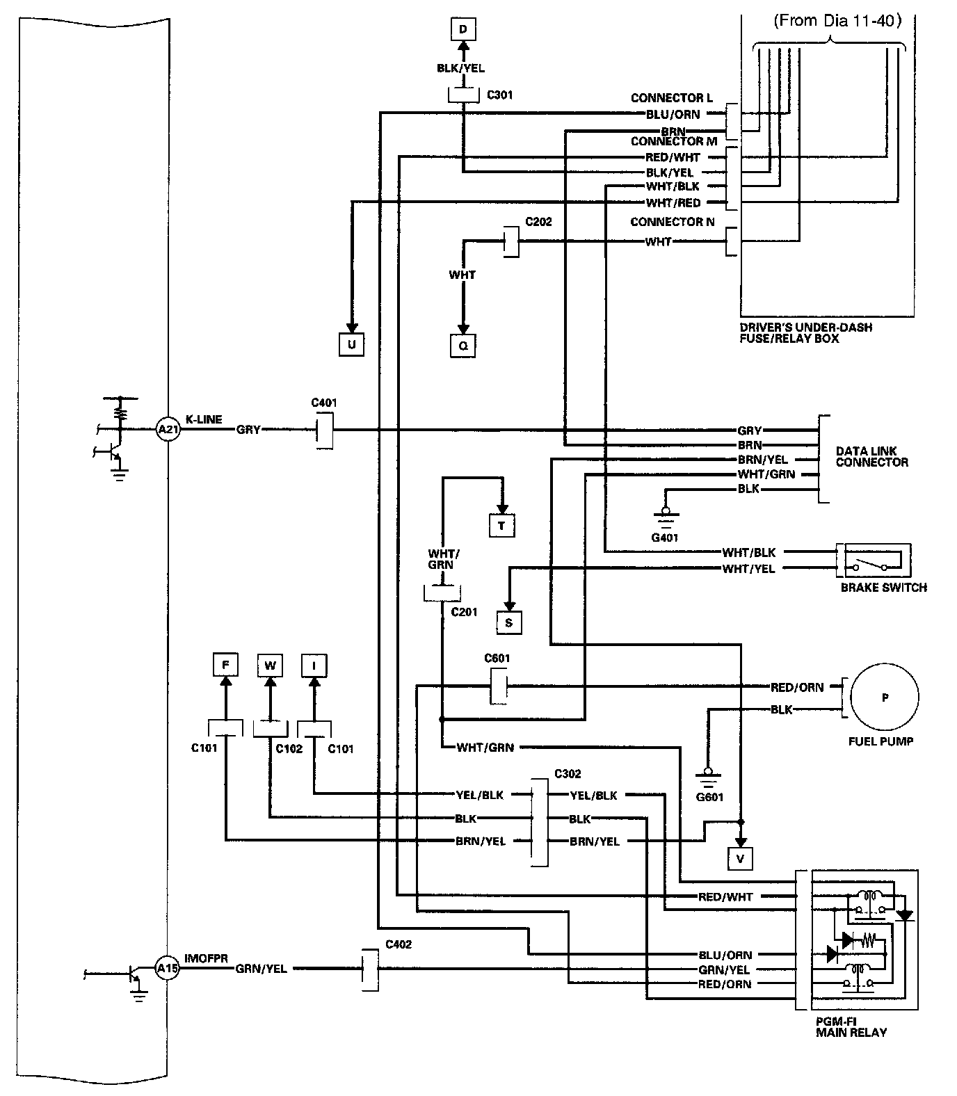
ECM/PCM Circuit Diagram 11-41:
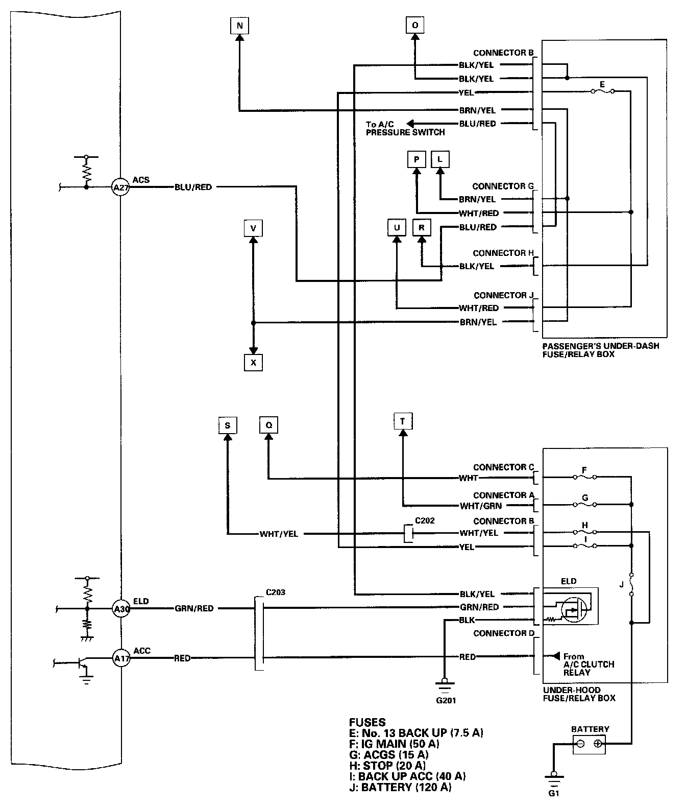
ECM/PCM Circuit Diagram 11-42:
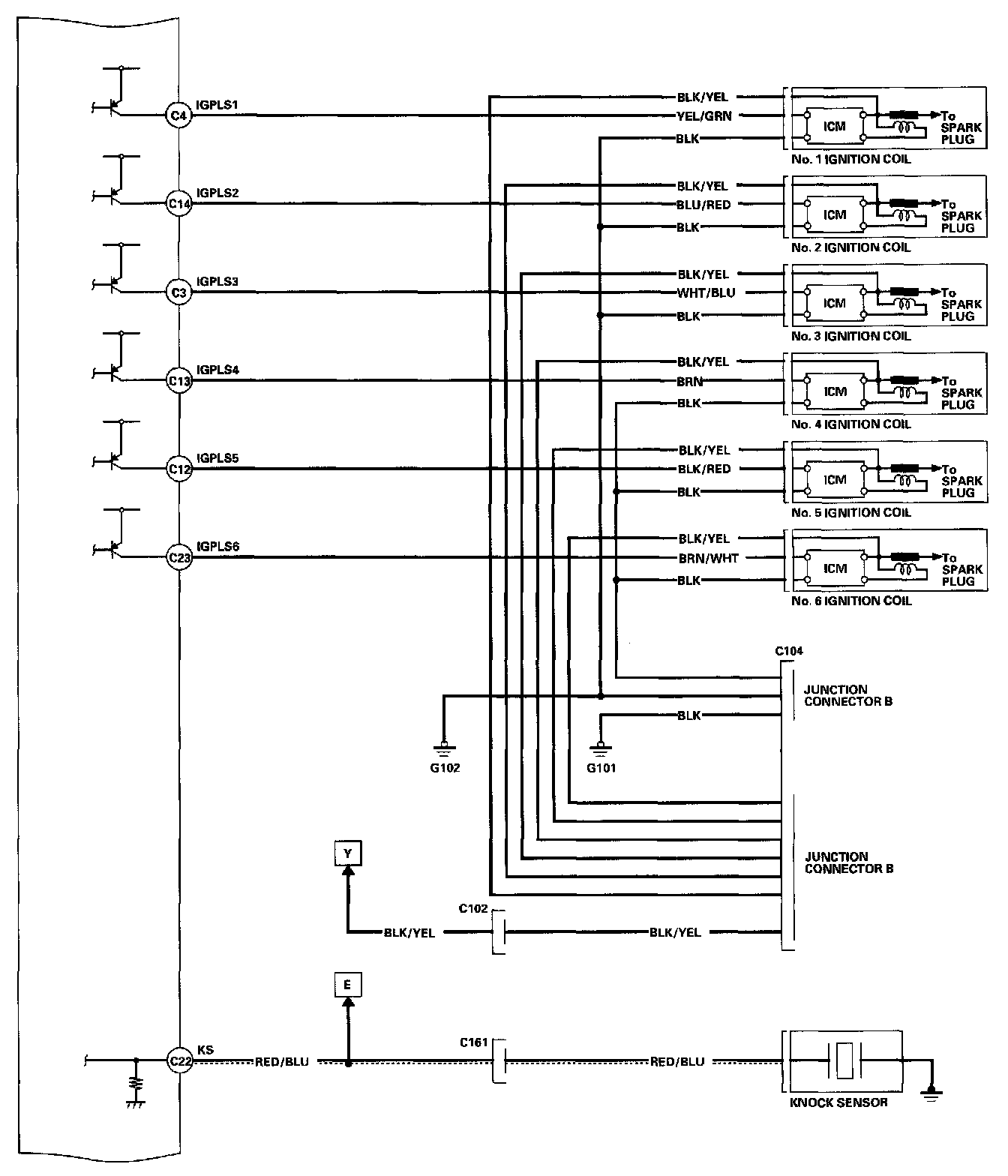
ECM/PCM Circuit Diagram 11-43:
ECM/PCM Circuit Diagram 11-44: