Curiosii for ever!: Car repair manuals for everyone.

Transfer Assembly Reassembly

Transfer Assembly Reassembly

Special Tools Required
^ Holder handle 07JAB-001020A
^ Oil seal driver attachment 07JAD-PH80101
^ Companion flange holder 07RAB-TB4010B
^ Attachment, 72 x 75 mm 07746-0010600
^ Driver, 40 mm I.D. 07746-0030100
^ Attachment, 35 mm I.D. 07746-0030400 Driver 07749-0010000

Note these items during reassembly:
^ While reassembling the transfer assembly:
- Check and adjust the transfer gear tooth contact.
- Measure and adjust the transfer gear backlash.
- Check and adjust the tapered roller bearing starting torque.

^ Coat all parts with MTF during reassembly. Replace the tapered roller bearing and the bearing outer race as a set if either part is replaced.
^ Replace the transfer drive gear and the transfer driven gear shaft as a set if either part is replaced.

Outline of Assembly
1. Select the 35 mm thrust shim. Do this procedure if the transfer driven gear shaft or the tapered roller bearing on the transfer driven gear shaft is replaced.
2. Preassemble the parts to check and adjust transfer gear backlash and transfer gear tooth contact.
3. Disassemble the parts, then assemble the transfer driven gear shaft and its related parts.
4. Measure and adjust the starting torque of the transfer driven gear shaft tapered roller bearing.
5. Assemble the transfer shaft and its related parts.
6. Measure and adjust the total starting torque.








35 mm Thrust Shim Selection





35 mm Thrust Shim

Transfer Gear Backlash Inspection and Transfer Gear Tooth Contact Inspection





2. Install the 35 mm thrust shim (A) on the transfer driven gear), then install the tapered roller bearing (C) using the special tools and a press.





3. Install the bearing outer race, then install the tapered bearing (A) in the companion flange side of the transfer housing.
4. Install the new oil seal (B) in the transfer housing using the special tools.





5. Install the transfer driven gear (A) in the transfer housing (B). Do not install the transfer spacer on the transfer driven near shaft in this step.





6. Install the companion flange (A), conical spring washer (B), and locknut (C) on the transfer driven gear (D). Do not install the O-ring and the back-up ring on the transfer gear shaft in this step.





7. Secure the transfer housing (A) in a bench vise (B) with soft jaws, then install the special tool on the companion flange.
8. Tighten the locknut while measuring the starting torque so the starting torque is within 0.98 - 1.39 Nm (10.0 - 14.2 kgf-cm, 8.7 - 12.3 inch lbs.).

NOTE:
^ Coat the threads of the locknut and the shaft with MTF before installing the locknut.
^ Do not stake the locknut in this step.

Starting Torque: 0.98 - 1.39 Nm (10.0 - 14.2 kgf-cm, 8.7 - 12.3 inch lbs.)





9. Install the transfer shaft assembly (A) in the transfer holder (B), then install the transfer drive gear (C), transfer collar (D), 25 mm thrust shim (E), tapered roller bearing (F), conical spring washer (G), and locknut (H) on the transfer shaft assembly.





10. Hold the transfer shaft (A) with a 14 mm hex wrench (B) clamped in a bench vise, and tighten the locknut.

NOTE: Do not stake the locknut in this step.

11. Apply Prussian Blue to both sides of the transfer drive gear teeth lightly and evenly.





12. Install the dowel pin (A) and transfer holder assembly (B) in the transfer housing (C).

NOTE: Temporarily install the transfer holder assembly without the O-ring.

13. Rotate the companion flange several times to seat the tapered roller bearing.





14. Set a dial indicator (A) on the companion flange (B), then measure the transfer gear backlash.








15. Check the transfer gear tooth contact pattern.
16. If the transfer gear tooth contact is incorrect, adjust the transfer gear tooth contact with a 35 mm or 25 mm thrust shim. H the gear tooth contact is correct, go to step 17.

NOTE:
^ To select a 35 mm thrust shim.
^ Do not use more than one 35 mm shim to adjust the transfer gear tooth contact.
^ To select the 25 mm thrust shim.
^ Do not use more than one 25 mm shim to adjust the transfer gear tooth contact.

^ Toe Contact
Use a thicker 35 mm thrust shim to move the transfer driven gear shaft toward the transfer drive gear. Because this movement causes the transfer gear backlash to change, move the transfer drive gear away from the transfer driven gear shaft to adjust the transfer-gear backlash as follows:
- Increase the thickness of the 25 mm thrust shim.
- Reduce the thickness of the 76 mm thrust shim by the amount you increased the thickness of the 25 mm thrust shim.

^ Flank Contact
Use a thinner thrust shim to move the transfer drive gear toward the transfer driven gear shaft. Flank contact must be adjusted within the limits of the transfer gear backlash. If the backlash exceeds the limits, adjust as described under Heel Contact.
^ Heel Contact
Use a thinner 35 mm thrust shim to move the transfer driven gear shaft away from the transfer drive gear. Because this movement causes the transfer gear backlash to change, move the transfer drive gear toward the transfer driven gear shaft to adjust the transfer gear backlash as follows:
- Reduce the thickness of the 25 mm thrust shim.
- Increase the thickness of the 76 mm thrust shim by the amount you reduced the thickness of the 25 mm thrust shim.
^ Face Contact
Use a thicker thrust shim to move the transfer drive gear away from the transfer driven gear shaft. Face contact must be adjusted with in the limits of the transfer gear backlash. If the backlash exceeds the limits, adjust as described under Toe Contact.





25 mm Thrust Shim





17. Remove the transfer holder assembly (A) from the transfer housing (B).





18. Secure the transfer housing (A) in a bench vise (B) with soft jaws.
19. Install the special tool on the companion flange, then loosen the locknut.





20. Remove the locknut (A), conical spring washer (B), and companion flange (C) from the transfer driven gear (D).





21. Remove the transfer driven gear (A) from the transfer housing (B).
22. Install the new transfer spacer (C) on the transfer driven gear (A), then install them in the transfer housing (B).





23. Install the companion flange (A), O-ring (B), back-up ring (C), conical spring washer (D), and locknut (E) on the transfer driven gear (F).

NOTE:
^ Coat the threads of the locknut, O-ring, and transfer shaft with MTF before installing the locknut.
^ Install the conical spring washer in the direction shown.





24. Secure the transfer housing (A) in a bench vise (B) with soft jaws.
25. Install the special tool on the companion flange, then tighten the transfer driven gear shaft locknut while measuring the starting torque of the transfer driven gear shaft.
Starting Torque: 0.98 - 1.39 Nm (10.0 - 14.2 kgf-cm, 8.7 - 12.3 inch lbs.)
Tightening Torque: 132 - 260 Nm (13.5 - 26.5 kgf-cm, 97.6 - 192 ft. lbs.)

NOTE:
^ Rotate the companion flange several times to seat the tapered roller bearing, then measure the starting torque.
^ If the starting torque exceeds 1.39 Nm (14.2 kgf-cm, 12.3 ft. lbs.), replace the transfer spacer and reassemble the parts. Do not adjust the torque with the locknut loose.
^ If the tightening torque exceeds 260 Nm (26.5 kgf-cm, 192 ft. lbs.), replace the transfer spacer and reassemble the parts.
^ Write down the measurement of the starting torque; it is used to measure the total starting torque.





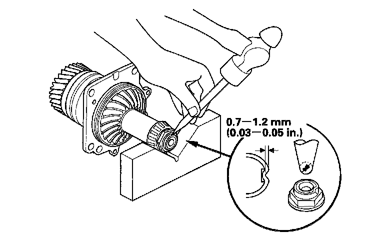
26. Stake the locknut into the transfer driven gear shaft using a 3.5 mm punch.





27. Install the dowel pin (A) in the transfer housing (B), then install the transfer holder assembly (C).





28. Secure the transfer housing (A) in a bench vise (B) with soft jaws, then rotate the companion flange several times to seat the tapered roller bearing.
29. Measure the total starting torque using the torque wrench (C).
Total Starting Torque: 1.30 - 2.47 Nm (13.3 - 25.2 kgf-cm, 11.5 - 21.9 inch lbs.) + Transfer Driven Gear Shaft Starting
Torque Value (written down in step 25).
30. Remove the transfer holder assembly from the transfer housing.
31. If the measurement is not within the specification, go to step 32. If the measurement is within the specification, go to step 43





32. Hold the transfer shaft (A) with a 14 mm hex wrench (B) clamped in a bench vise then loosen the locknut.





33. Remove the locknut (A) and transfer shaft assembly (B) from the transfer holder (C).





34. Remove the tapered roller bearing outer race (A) and 76 mm thrust shim (B) from the transfer holder (C).
35. Measure the thickness of the removed 76 mm thrust shim, and select a new 76 mm shim.





76 mm Thrust mm





36. Install the 76 mm thrust shim (A) in the transfer holder (B).
37. Install the tapered roller bearing outer race (C) using the special tool and a press.





38. Install the transfer shaft assembly (A), transfer drive gear (B), transfer shaft collar (C), 25 mm thrust shim (D), tapered roller bearing (E), conical spring washer (F), and locknut (G) in the transfer holder (H).





39. Hold the transfer shaft (A) with a 14 mm hex wrench (B) clamped in a bench vise, then tighten the locknut.





40. Install the dowel pin (A) in the transfer housing (B), then install the transfer holder assembly (C).
41. Recheck and make sure the total starting torque is within the specification.
42. Remove the transfer holder assembly from the transfer housing.





43. Stake the locknut on the transfer shaft using a 3.5 mm punch.





44. Coat the new O-ring (A) with MTF, install it on the transfer holder, then install the dowel pin (B) and transfer holder assembly (C) in the transfer housing (D).