Curiosii for ever!: Car repair manuals for everyone.

ECM/PCM Circuit Diagrams

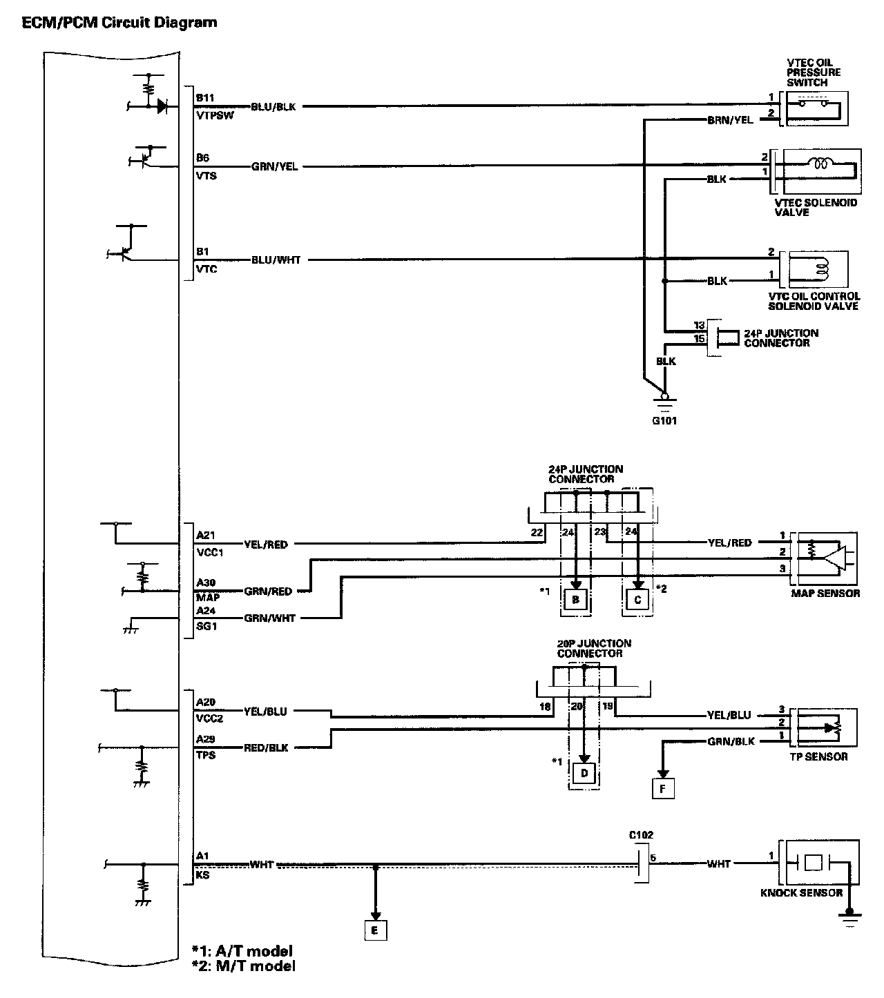
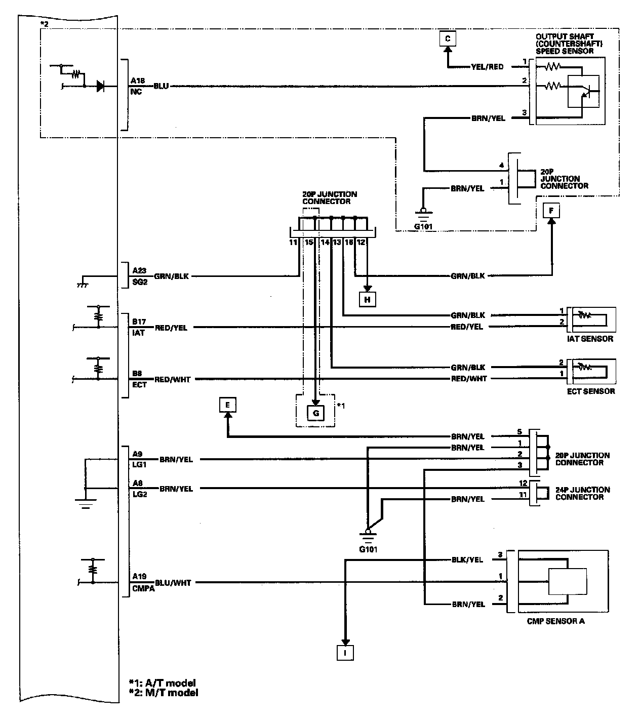
ECM/PCM Circuit Diagram 11-41:




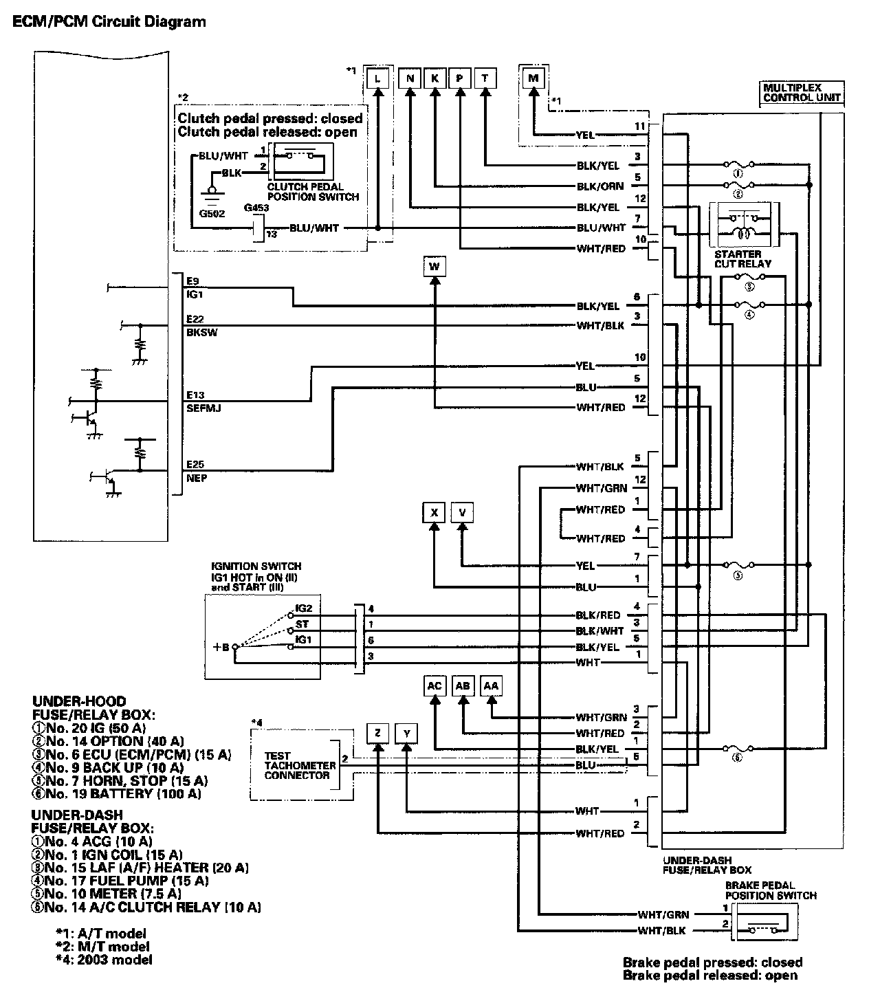
ECM/PCM Circuit Diagram 11-42:




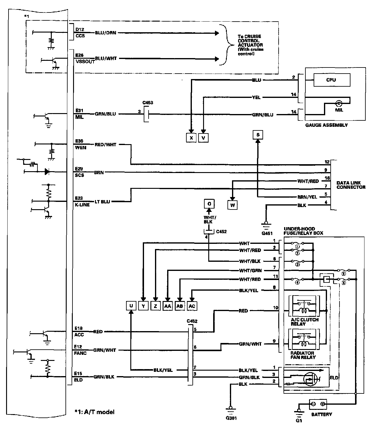
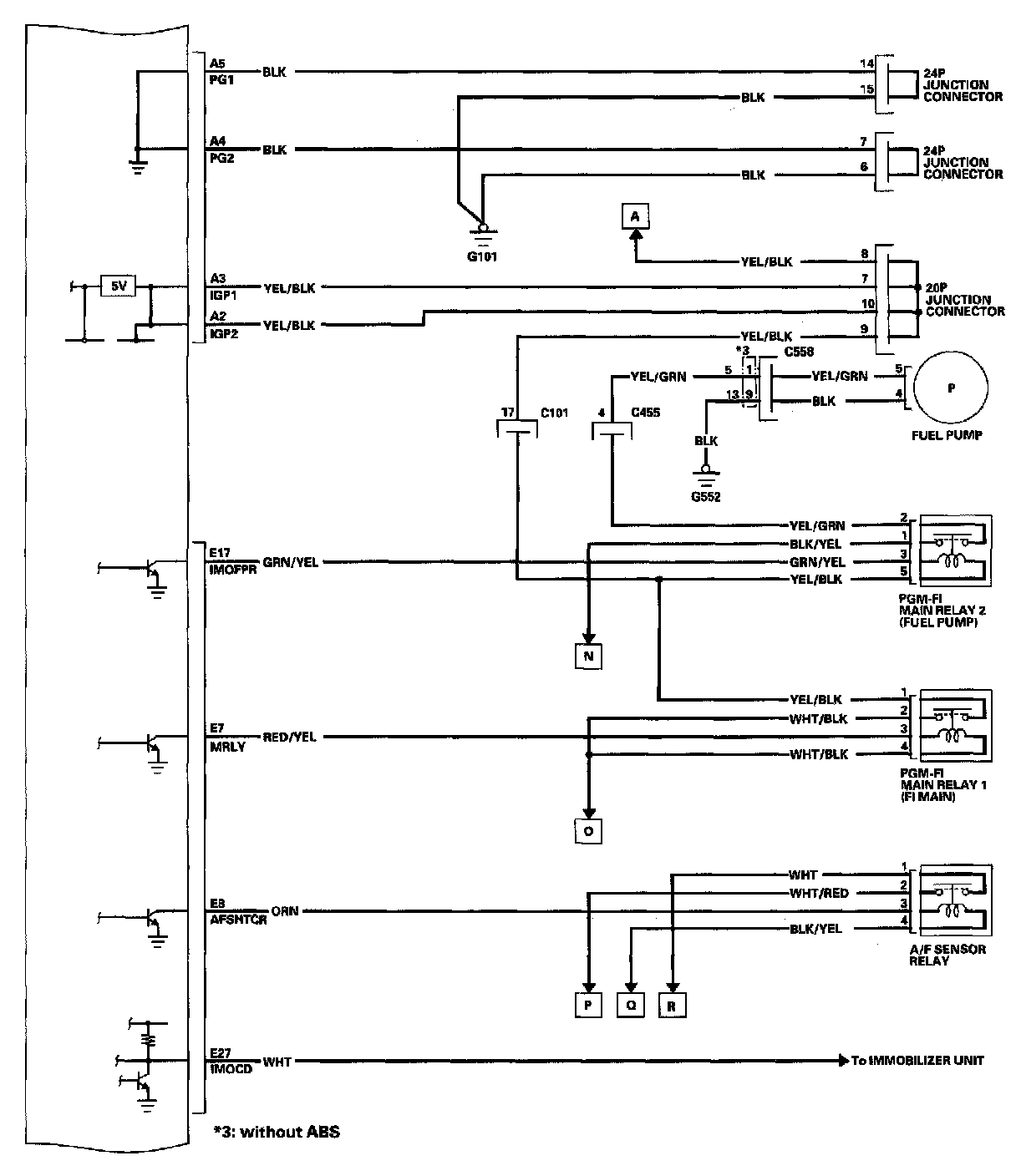
ECM/PCM Circuit Diagram 11-43:




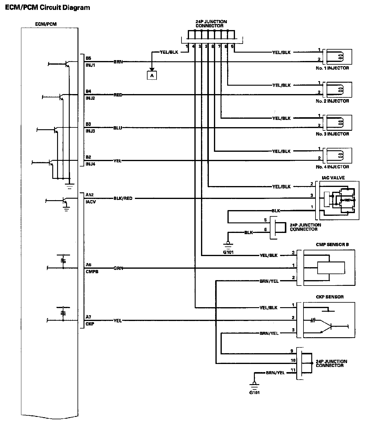
ECM/PCM Circuit Diagram 11-44:




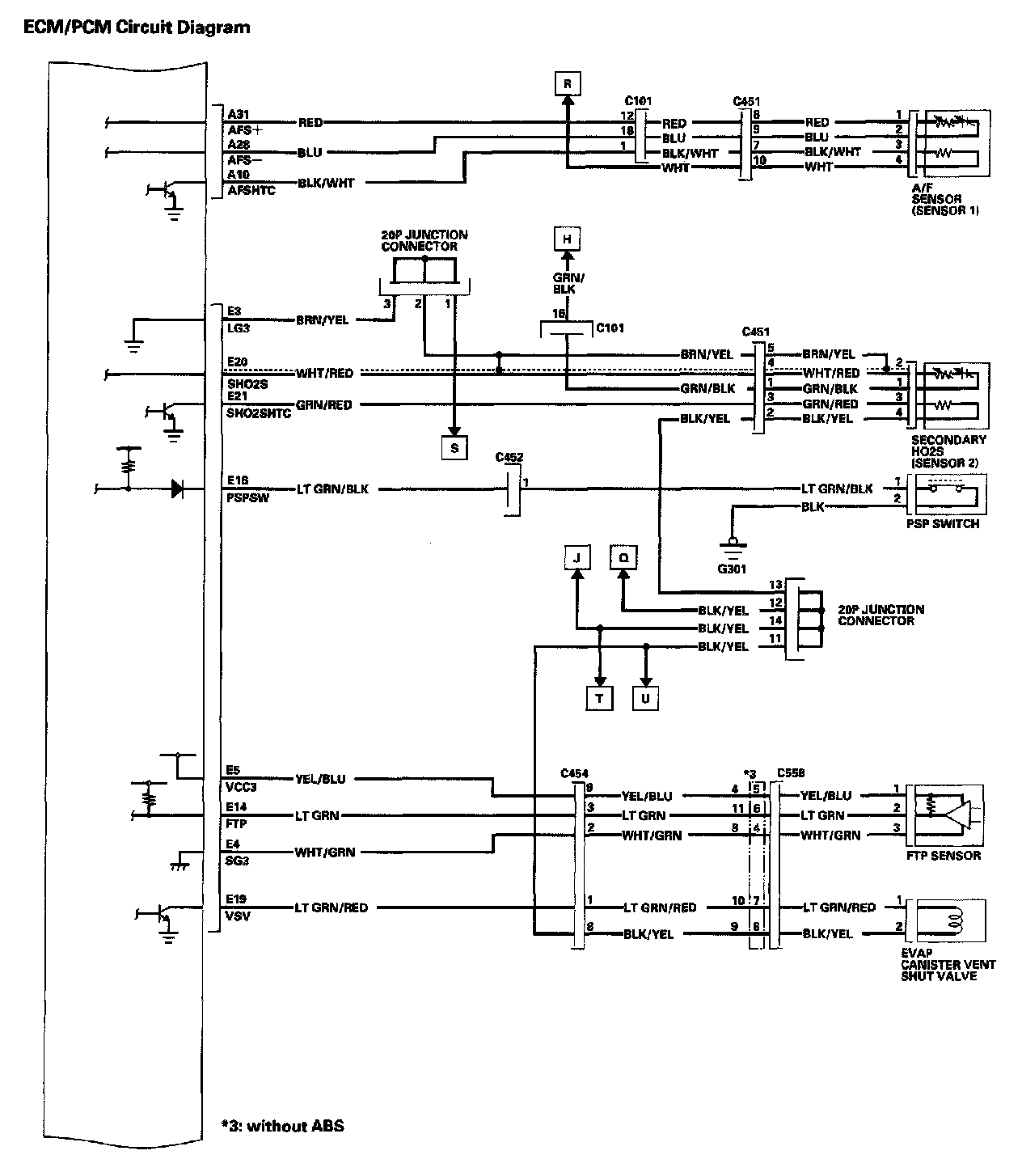
ECM/PCM Circuit Diagram 11-45:




ECM/PCM Circuit Diagram 11-46:




ECM/PCM Circuit Diagram 11-47:




ECM/PCM Circuit Diagram 11-48:




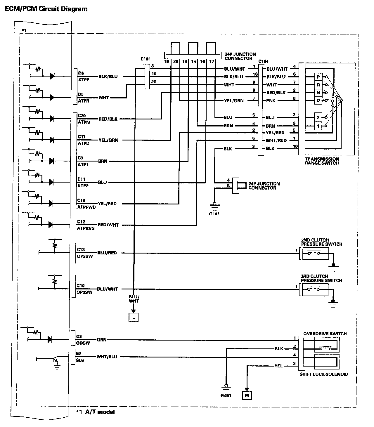
ECM/PCM Circuit Diagram 11-49:




ECM/PCM Circuit Diagram 11-50: