Curiosii for ever!
: Car repair manuals for everyone.
Home
>>
Honda Truck
>>
2002
>>
CR-V EX 4WD L4-2.4L
>>
Repair and Diagnosis
>>
Diagrams
>>
Exploded Views
>>
Cooling System
>>
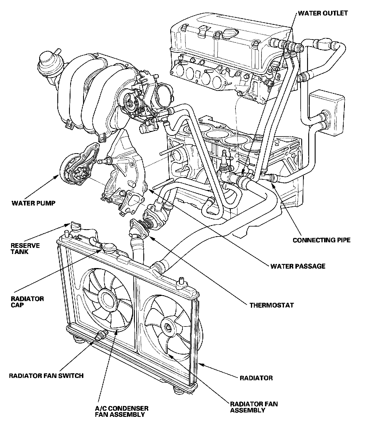
System Diagram
System Diagram