Curiosii for ever!
: Car repair manuals for everyone.
Home
>>
Honda Truck
>>
2000
>>
Odyssey EX V6-3.5L
>>
Repair and Diagnosis
>>
Specifications
>>
Mechanical Specifications
>>
Heating and Air Conditioning
>>
System Specifications
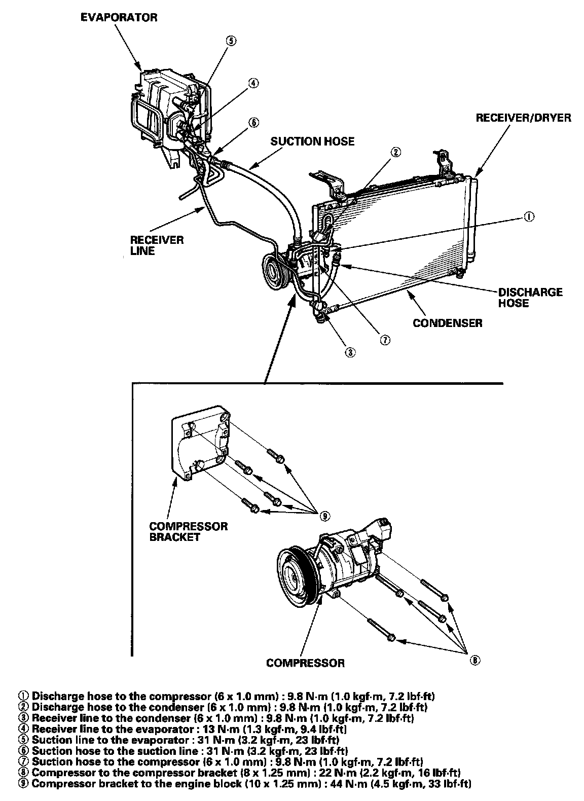
System Specifications