Curiosii for ever!
: Car repair manuals for everyone.
Home
>>
Honda Truck
>>
2000
>>
Odyssey EX V6-3.5L
>>
Repair and Diagnosis
>>
Diagrams
>>
Exploded Views
>>
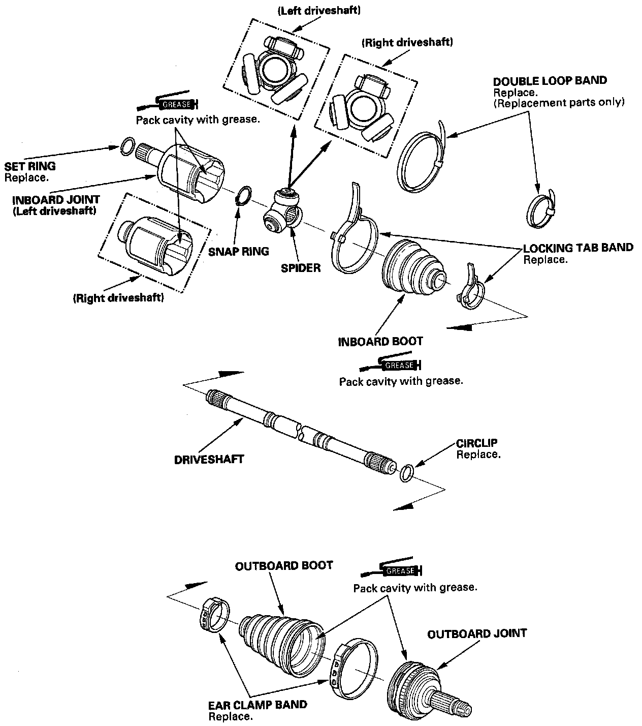
Axle Shaft Assembly
Axle Shaft Assembly