Curiosii for ever!: Car repair manuals for everyone.

Power Door Locks/Keyless Entry/Security Alarm System

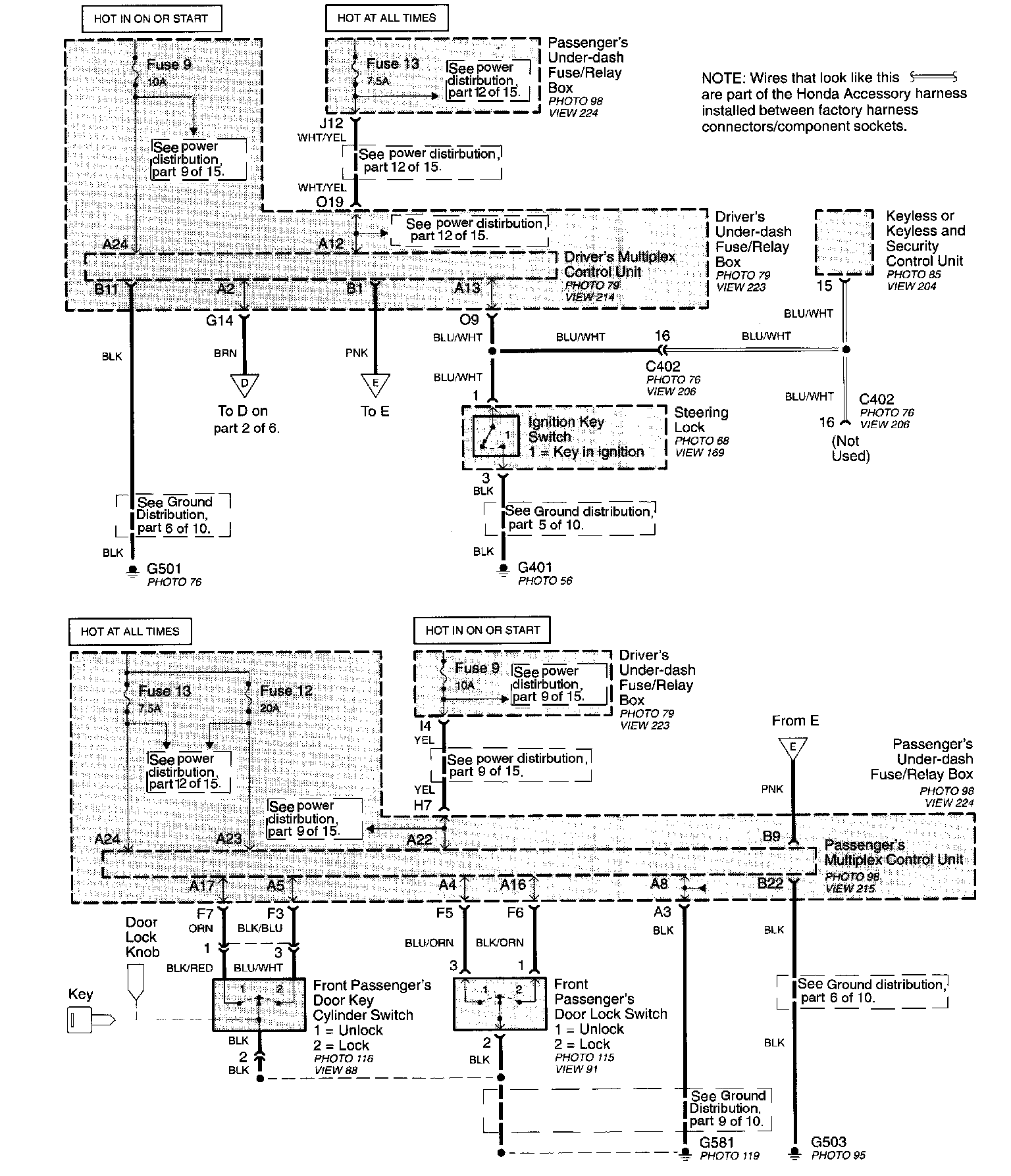
Part 1 Of 6:




Driver's Under-dash Fuse/Relay Box
- Driver's Multiplex Control Unit
Front Passenger's Door Key Cylinder Switch
Front Passenger's Door Lock Switch
Keyless or Keyless And Security Control Unit
Passenger's Under-dash Fuse/Relay Box
- Passenger's Multiplex Control Unit
Steering Lock
- Ignition Key Switch

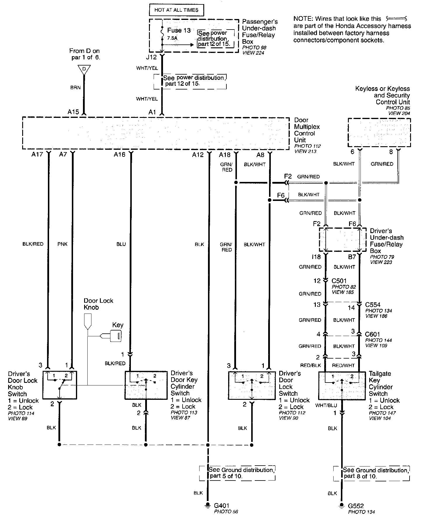
Part 2 Of 6:




Door Multiplex Control Unit
Driver's Door Lock Knob Switch
Driver's Door Key Cylinder Switch
Driver's Door Lock Switch
Driver's Under-dash Fuse/Relay Box
Keyless or Keyless And Security Control Unit
Passenger's Under-dash Fuse/Relay Box
Taillight Key Cylinder Switch

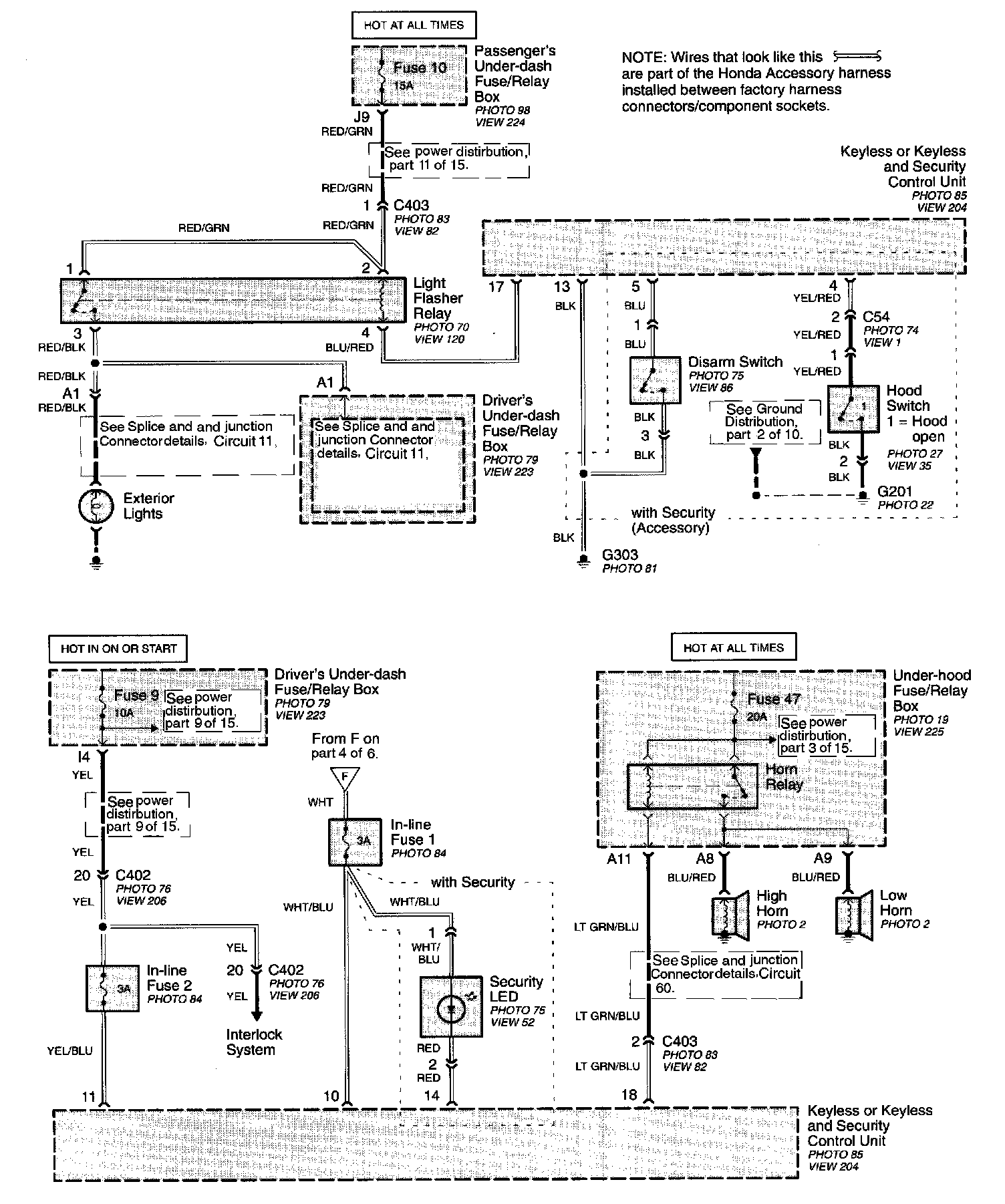
Part 3 Of 6:




Disarm Switch
Driver's Under-dash Fuse/Relay Box
Hood Switch
Keyless or Keyless And Security Control Unit
High Horn
In-line Fuse 1
In-line Fuse 2
Interlock System
Low Horn
Light Flasher Relay
Passenger's Under-dash Fuse/Relay Box
Security LED
Under-Hood Fuse/Relay Box
- Horn Relay

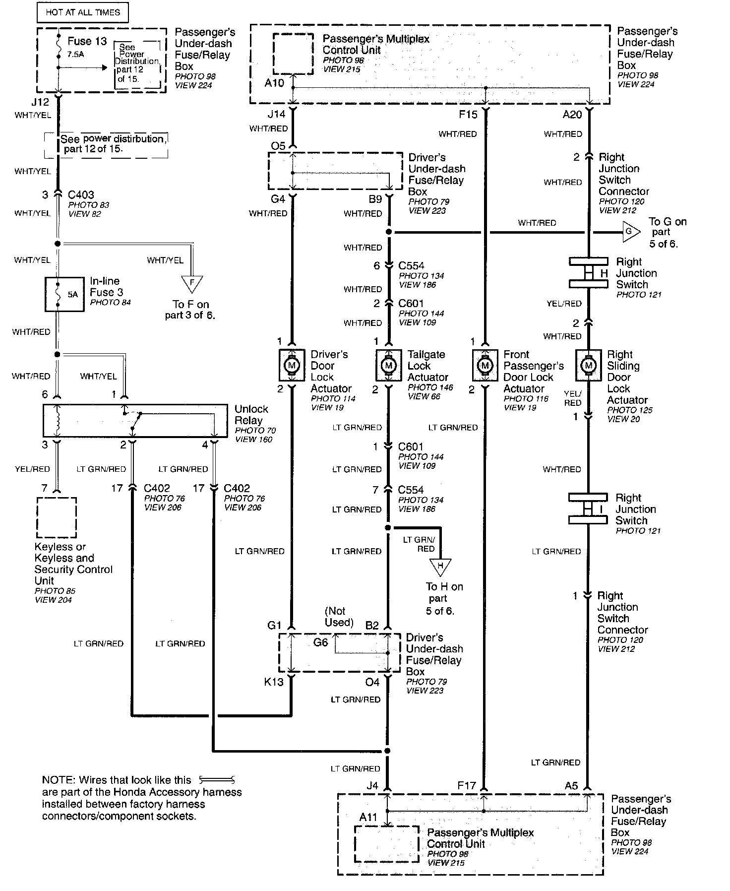
Part 4 Of 6:




Driver's Under-dash Fuse/Relay Box
Driver's Door Lock Knob Actuator
Driver's Door Lock Actuator
Front Passenger's Door Lock Actuator
In-line Fuse 3
Keyless or Keyless And Security Control Unit
Passenger's Under-dash Fuse/Relay Box
- Passenger's Multiplex Control Unit
Right Junction Switch
Right Junction Switch Connector
Right Sliding Door Lock Actuator
Taillight Lock Actuator
Unlock Relay

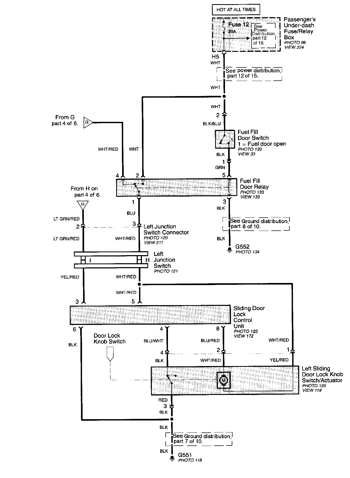
Part 5 Of 6:




Fuel Fill Door Relay
Fuel Fill Door Switch
Left Junction Switch
Left Junction Switch Connector
Left Sliding Door Lock Knob Switch/Actuator
Passenger's Under-dash Fuse/Relay Box
Sliding Door Lock Control Unit

Part 6 Of 6:




Driver's Door Switch
Front Passenger's Door Switch
Gauge Assembly
Interior Light Switch
Interior Light Switch Connector
Keyless or Keyless And Security Control Unit
Left Sliding Door Switch
Right Sliding Door Switch
Taillight Latch Switch