Curiosii for ever!
: Car repair manuals for everyone.
Home
>>
Honda Truck
>>
1999
>>
Odyssey EX V6-3.5L
>>
Repair and Diagnosis
>>
Diagrams
>>
Exploded Views
>>
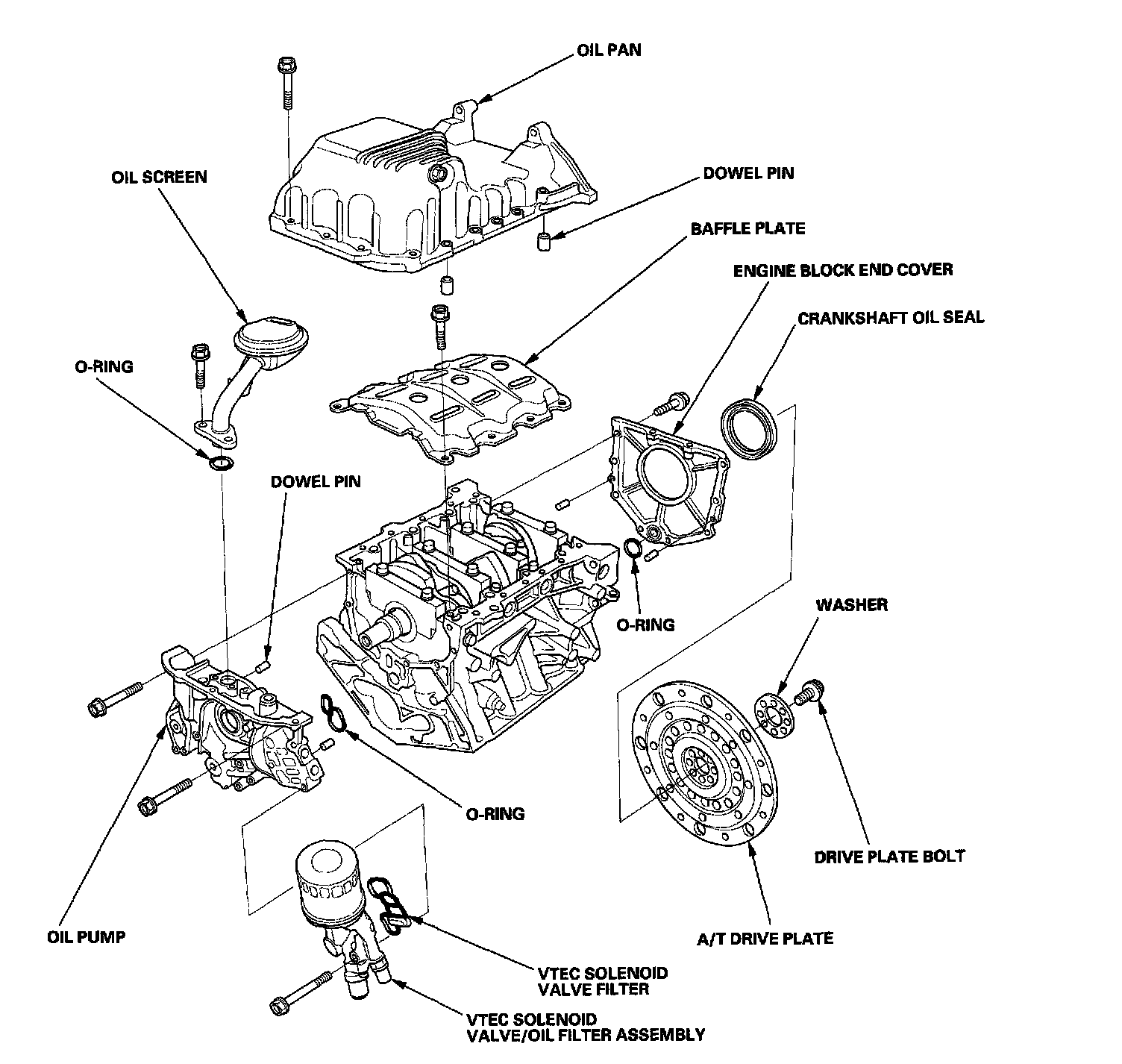
Cylinder Block Assembly
Cylinder Block Assembly
COMPONENT LOCATION INDEX