Curiosii for ever!: Car repair manuals for everyone.

Torque Specifications

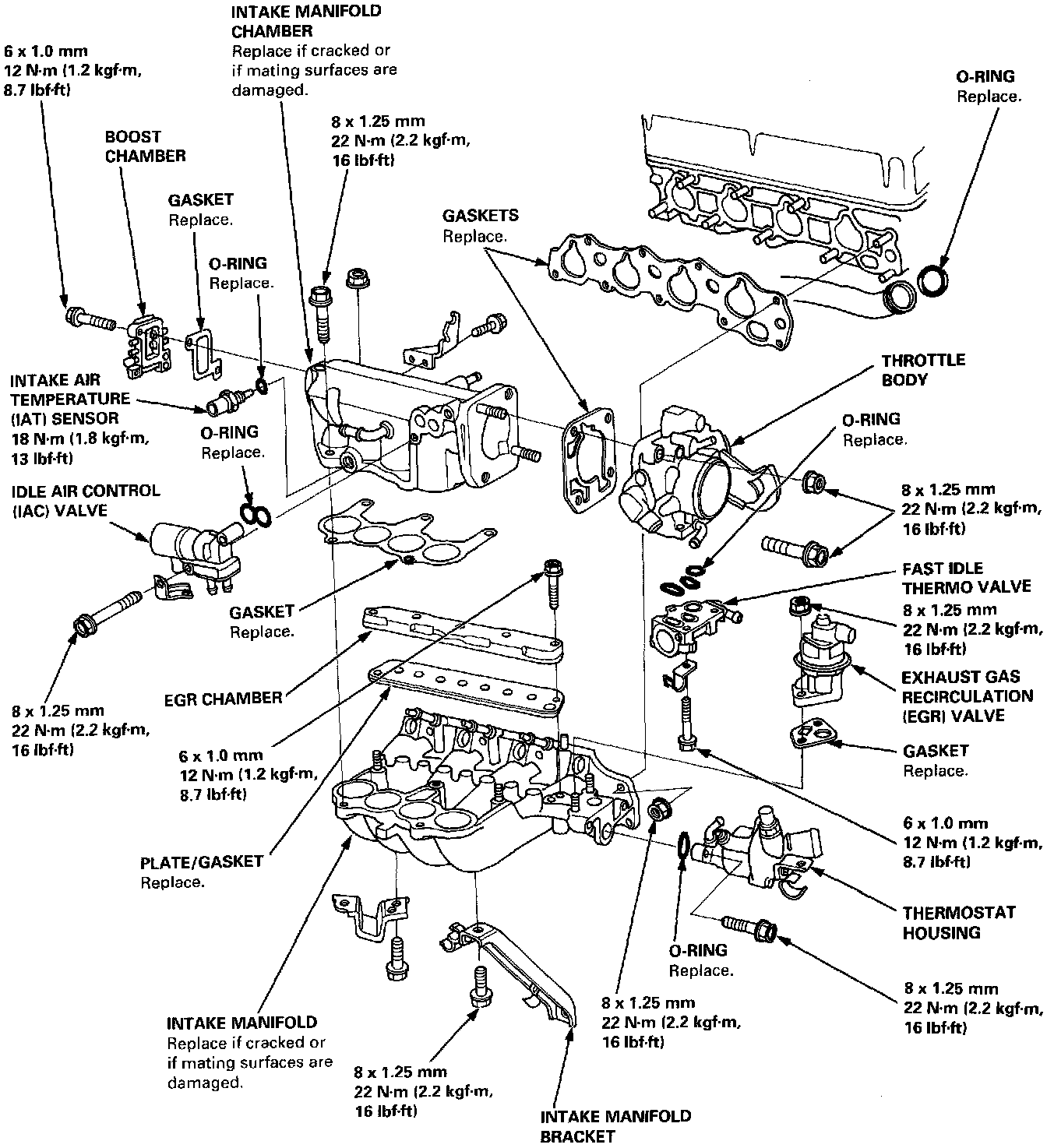
Intake:






Exhaust Manifold:






Upper Engine:
















Cam Holder Torque/Sequence - Tighten 2 Turns At A Time:






Head Bolt Torque Sequence:






Tighten cylinder head bolts, in sequence, in three steps:

1st step: 39 N.m (4.0 kgf-m, 29 lb.ft)
2nd step: 69 N.m (7.0 kgf-m, 51 lb.ft)
3rd step: 98.1 N.m (10.0 kgf-m, 72.3 lb.ft)


Timing Components:






Lower Engine:






Engine Lubrication:


























Main Bearing Loosening Sequence:






Main Bolt Torque Sequence:
















Drive Plate Torque/Sequence: