Curiosii for ever!
: Car repair manuals for everyone.
Home
>>
Geo
>>
1995
>>
Metro L4-079 1.3L VIN 9 TBI
>>
Repair and Diagnosis
>>
Powertrain Management
>>
Ignition System
>>
Distributor
>>
Locations
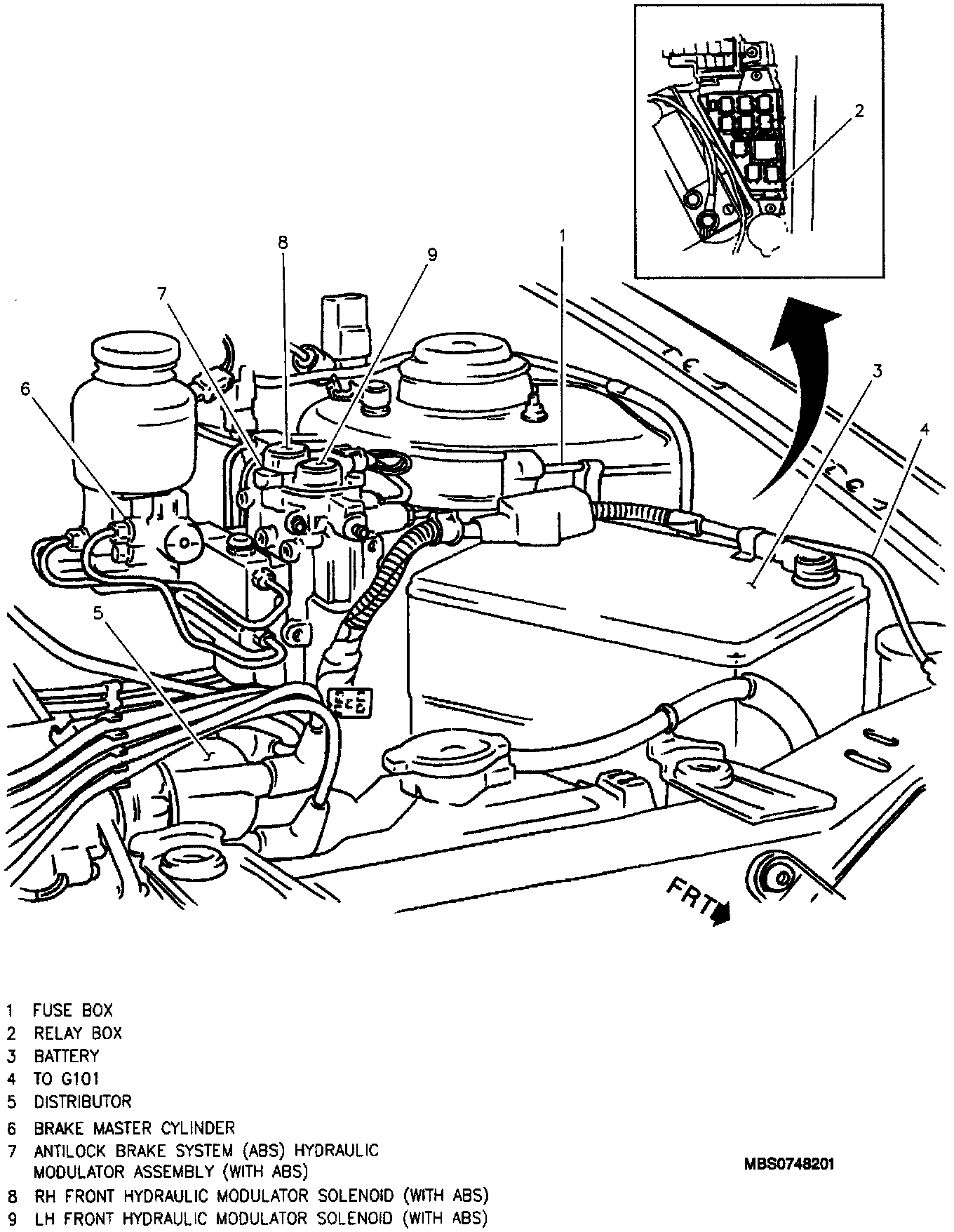
Distributor: Locations
Engine:
Engine:
LH Engine Compartment: