Curiosii for ever!
: Car repair manuals for everyone.
Home
>>
Geo
>>
1992
>>
Storm L4-1600cc 1.6L SOHC
>>
Repair and Diagnosis
>>
Diagrams
>>
Electrical Diagrams
>>
Powertrain Management
>>
System Diagram
>>
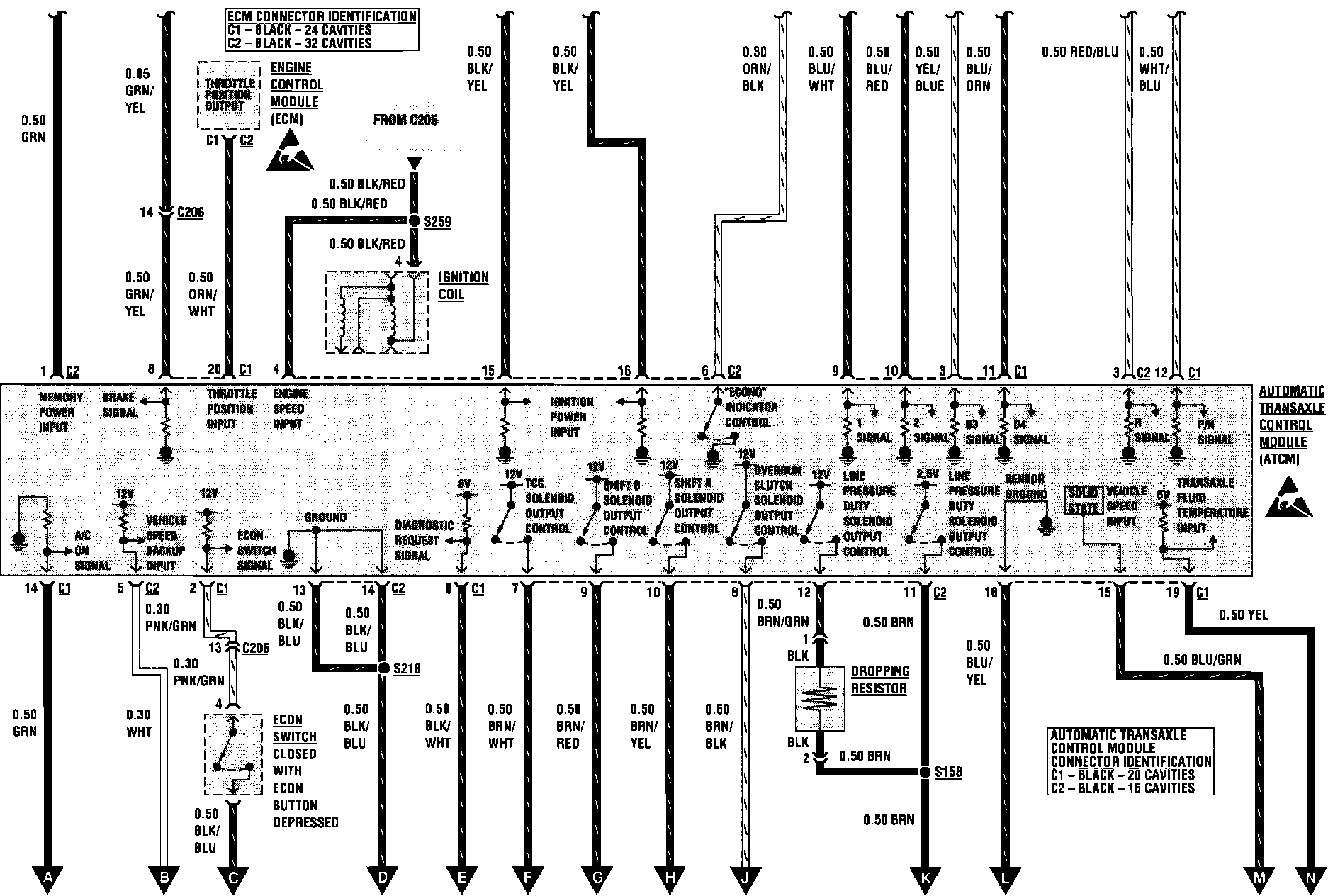
Transmission Control Module (TCM)
>>
GSI Models
GSI Models
Automatic Transaxle Controls:
Automatic Transaxle Controls:
Automatic Transaxle Controls: