Curiosii for ever!: Car repair manuals for everyone.

Electronic/Powertrain Control Module (ECM/PCM)

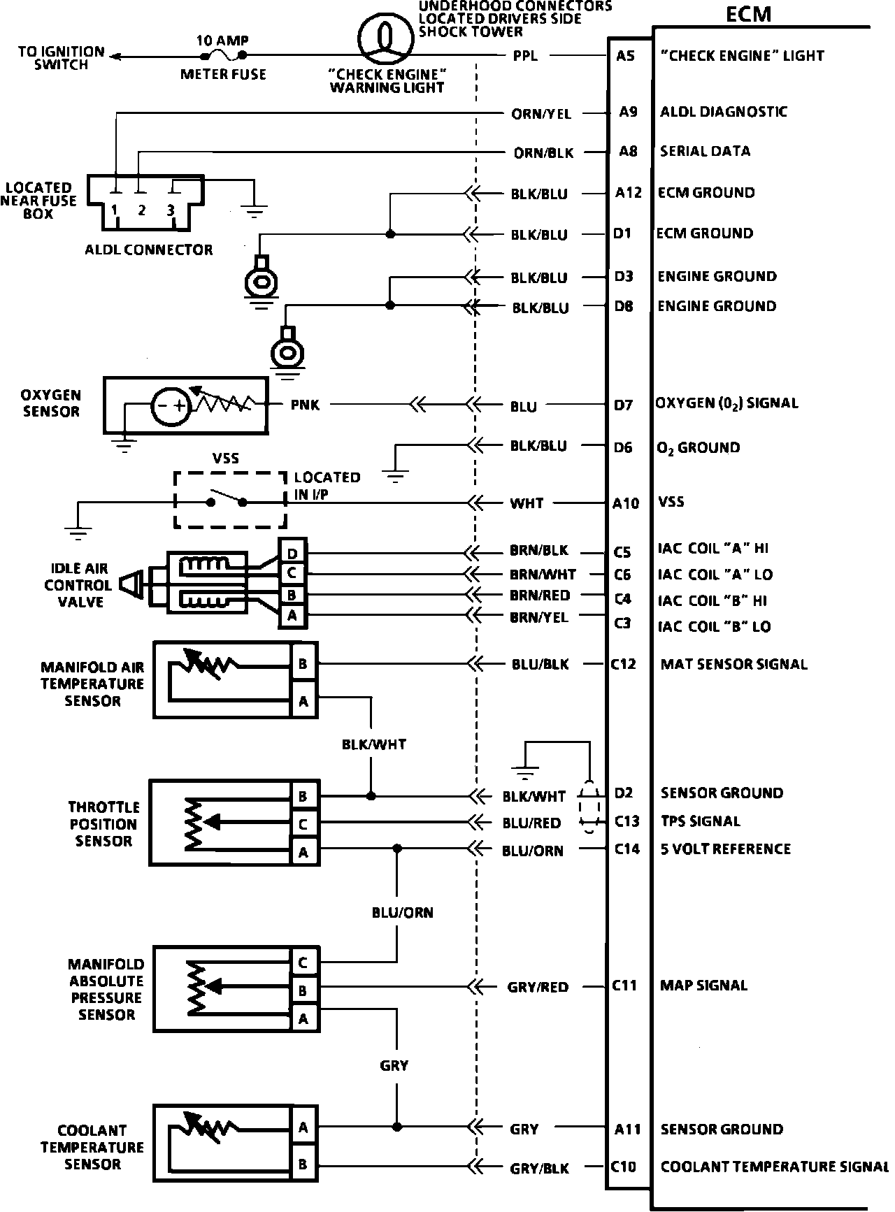
ECM Wiring Diagram:







A5 = CHECK ENGINE LIGHT
A9 = ALDL DIAGNOSTIC
A8 = SERIAL DATA
A12 = ECM GROUND
D1 = ECM GROUND
D3 = ENGINE GROUND
D8 = ENGINE GROUND
D7 = OXYGEN SENSOR SIGNAL
D6 = OXYGEN SENSOR GROUND
A10 = VSS
C5 = IAC COIL "A" HI
C6 = IAC COIL "A" LO
C4 = IAC COIL "B" HI
C3 = IAC COIL "B" LO
C12 = MAT SENSOR SIGNAL
D2 = SENSOR GROUND
C13 = TPS SIGNAL
C14 = 5 VOLT REFERENCE
C11 = MAP SIGNAL
A11 = SENSOR GROUND
C10 = COOLANT TEMPERATURE SIGNAL



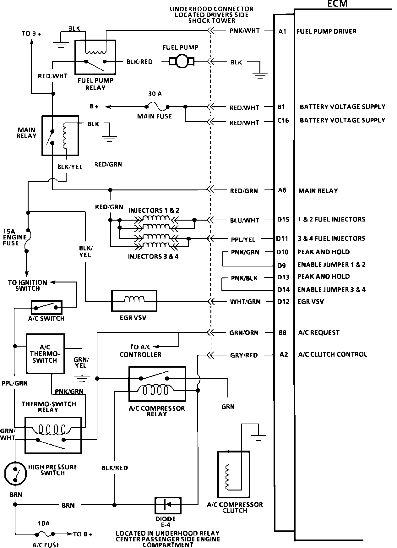
ECM Wiring Diagram:







A1 = FUEL PUMP DRIVER
B1 = BATTERY VOLTAGE SUPPLY
C16 = BATTERY VOLTAGE SUPPLY
A6 = MAIN RELAY
D15 = 1 & 2 FUEL INJECTORS
D11 = 3 & 4 FUEL INJECTORS
D10 = PEAK AND HOLD
D9 = ENABLE JUMPER 1 & 2
D13 = PEAK AND HOLD
D14 = ENABLE JUMPER 3 & 4
D12 = EGR VSV
B8 = A/C REQUEST
A2 = A/C CLUTCH CONTROL



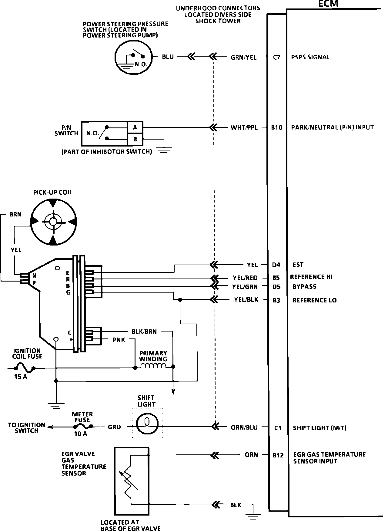
ECM Wiring Diagram:







C7 = PSPS SIGNAL
B10 = PARK/NEUTRAL (P/N) INPUT
D4 = EST
B5 = REFERENCE HI
D5 = BYPASS
B3 = REFERENCE LO
C1 = SHIFT LIGHT (M/T ONLY)
B12 = EGR GAS TEMPERATURE SENSOR INPUT