Curiosii for ever!
: Car repair manuals for everyone.
Home
>>
Geo
>>
1990
>>
Prizm L4-1600cc 1.6L DOHC VIN 6
>>
Repair and Diagnosis
>>
Heating and Air Conditioning
>>
Control Module HVAC
>>
Locations
Control Module HVAC: Locations
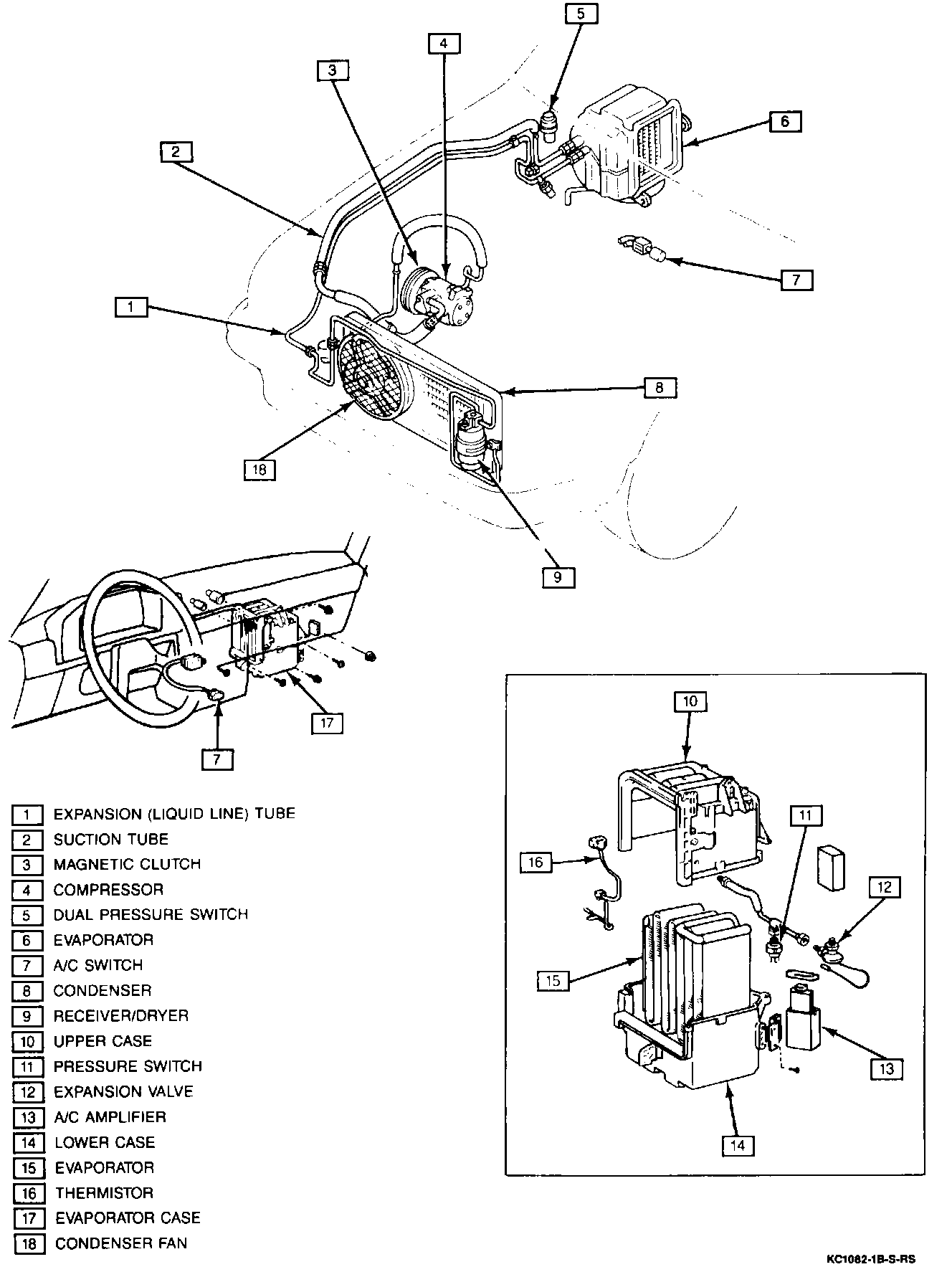
Disassembly Of Evaporator Case:
System Components:
Behind center of I/P, above Evaporator Case (1)