Curiosii for ever!: Car repair manuals for everyone.

Heater Core: Service and Repair


1. Disconnect battery ground cable.
2. Drain cooling system, then disconnect heater hoses from heater core.
3. On models equipped with automatic transaxle, remove console as follows:
a. Position shift control lever in Low position.
b. Remove four console attaching screws, then carefully pull console outward at bottom to disengage retaining pins.
c. Move front seats fully forward, then remove two attaching screws and parking brake lever cover.
d. Remove four screws attaching shift control lever to console.
e. Remove Park lock out knob from shift control console, if equipped.
f. Remove console from vehicle.
4. Remove Instrument cluster as described under BODY ELECTRICAL SAFETY AND ENTERTAINMENT/INSTRUMENT PANELS AND CLUSTERS/COMPONENT REPLACEMENT AND REPAIR PROCEDURES/INSTRUMENT CLUSTER.
5. Remove turn signal/dimmer switch as described under BODY ELECTRICAL SAFETY AND ENTERTAINMENT/AUXILIARY EQUIPMENT/VEHICLE LIGHTING/COMPONENT REPLACEMENT AND REPAIR PROCEDURES/TURN SIGNAL & DIMMER SWITCH.
6. Remove ashtray and bracket, then remove cigar lighter assembly.
7. Disconnect electrical connector, then carefully remove A/C switch through front of instrument panel bezel, if equipped.
8. Remove radio as described under BODY ELECTRICAL SAFETY AND ENTERTAINMENT/AUXILIARY EQUIPMENT/RADIO/COMPONENT REPLACEMENT AND REPAIR PROCEDURES/RADIO.
9. Remove knobs from heater control.
10. Remove two instrument panel bezel to instrument panel attaching screws, then remove bezel.
11. Remove two screws attaching heater control panel, then pull control panel slightly outward and disconnect blower switch electrical connector.
12. Remove screw attaching hood release lever to instrument panel.

Fig. 14 Instrument Panel Attaching Screw Locations:




Fig. 15 Heater Case Attaching Bolt & Nut Locations:




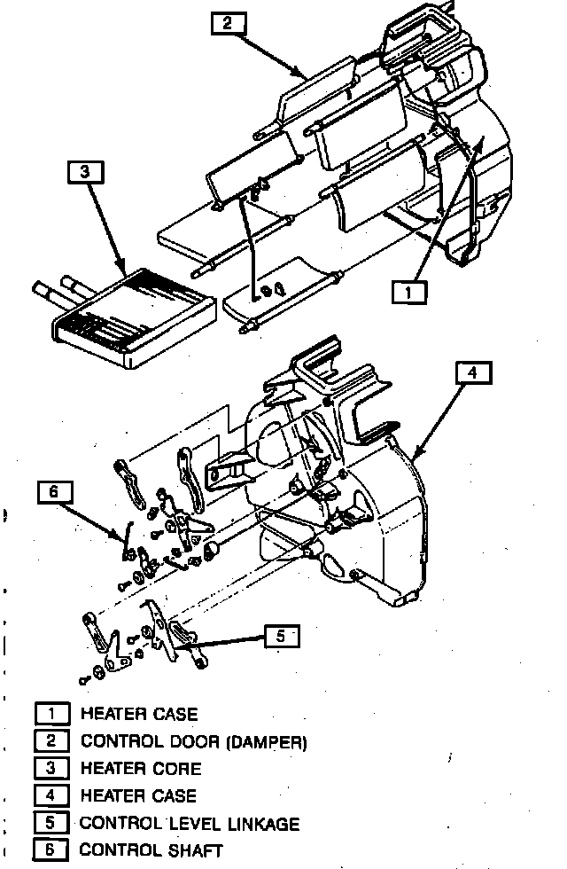
Fig. 16 Exploded View Of Heater Case Assembly:






13. Remove two attaching screws from left and right hand side of instrument panel, Fig. 14.
14. Remove four attaching screws from instrument panel support member.
15. Remove two attaching screws from heater control assembly.
16. Remove attaching screw from rear glove of compartment upper panel.
17. Remove instrument panel access cover, then remove attaching screw at panel.
18. Remove radio speaker trim covers, then one speaker to instrument panel attaching screw from each speaker.
19. Remove left and right hand kick panels, then remove one instrument panel attaching screw from behind each kick panel.
20. Disconnect electrical connectors from radio speakers.
21. Disconnect electrical connectors from instrument panel, then remove instrument panel.
22. Remove two mounting bolts and two mounting nuts attaching heater case to dash panel, Fig. 15.
23. Remove heater case from vehicle.
24. Remove heater case retaining clips and two attaching screws.
25. Separate heater case halves, then carefully remove heater core, Fig. 16.
26. Reverse procedure to install.