Curiosii for ever!
: Car repair manuals for everyone.
Home
>>
Geo Truck
>>
1997
>>
Tracker 4x2 L4-1.6L VIN 6
>>
Repair and Diagnosis
>>
Diagrams
>>
Exploded Views
>>
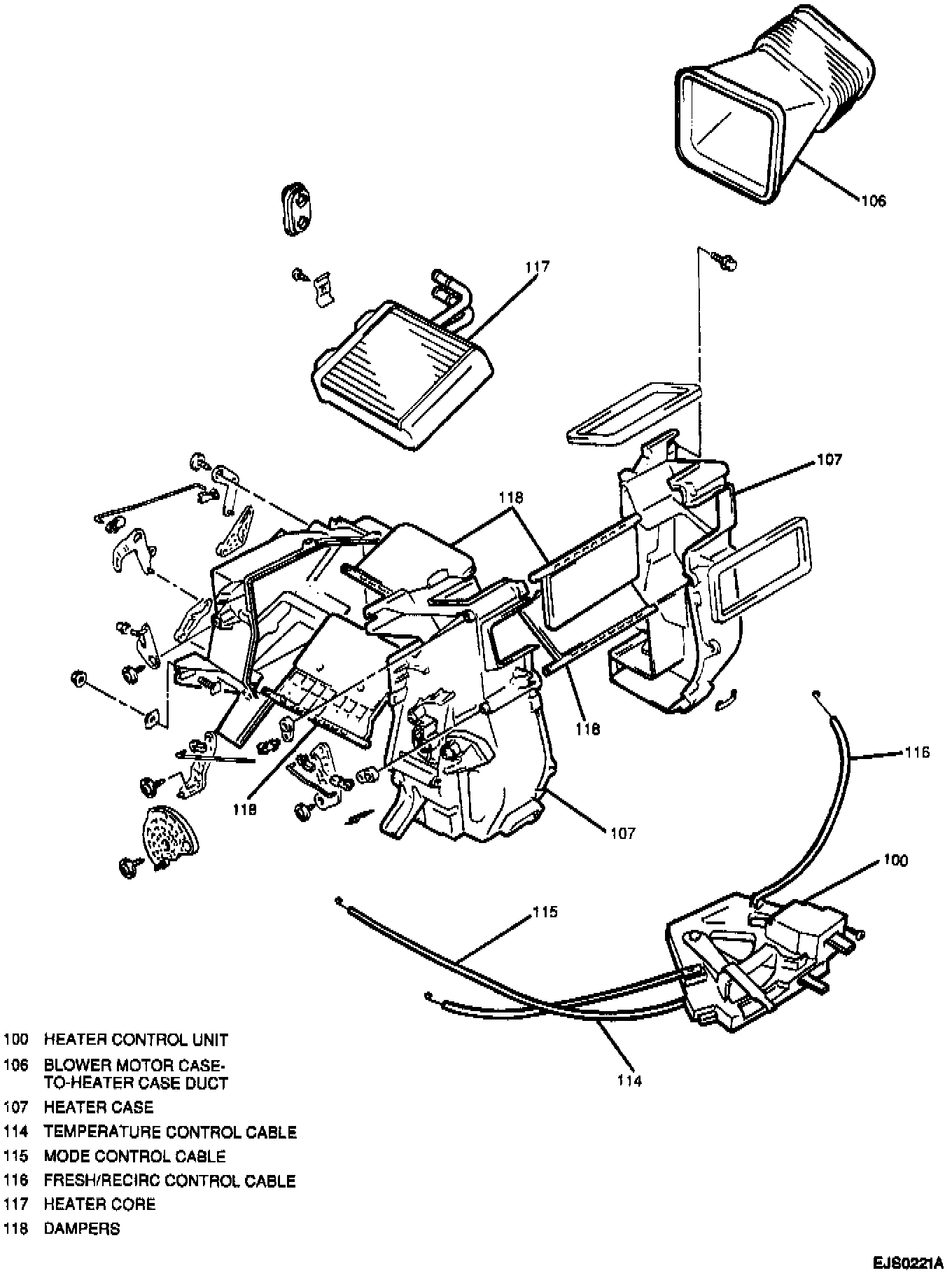
Heater Core Case
Heater Core Case
Heater Case (Sectional View):