Curiosii for ever!
: Car repair manuals for everyone.
Home
>>
Geo Truck
>>
1990
>>
Tracker L4-1590cc 1.6L
>>
Repair and Diagnosis
>>
Powertrain Management
>>
Diagrams
>>
Electrical Diagrams
>>
Engine Controls
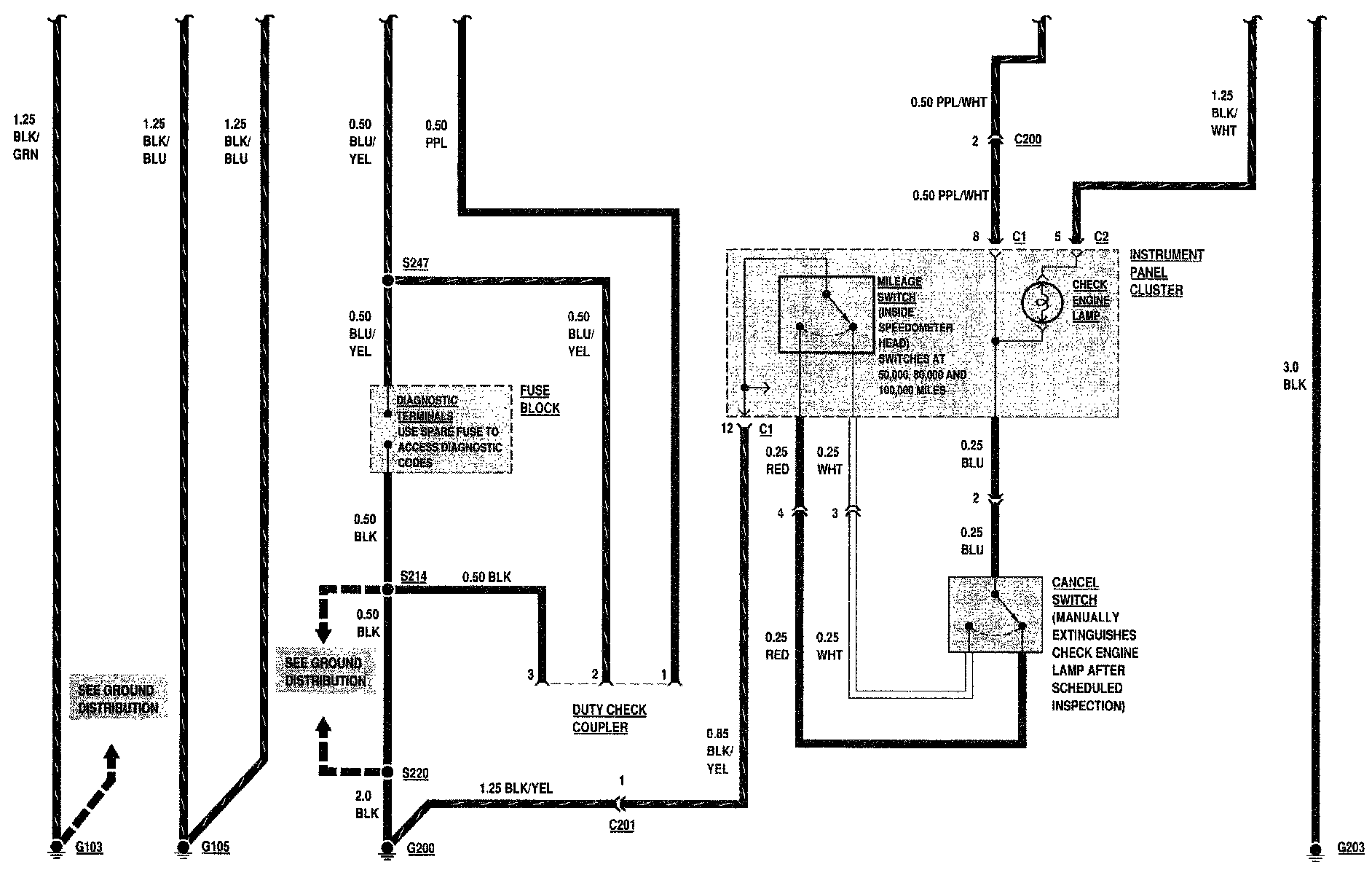
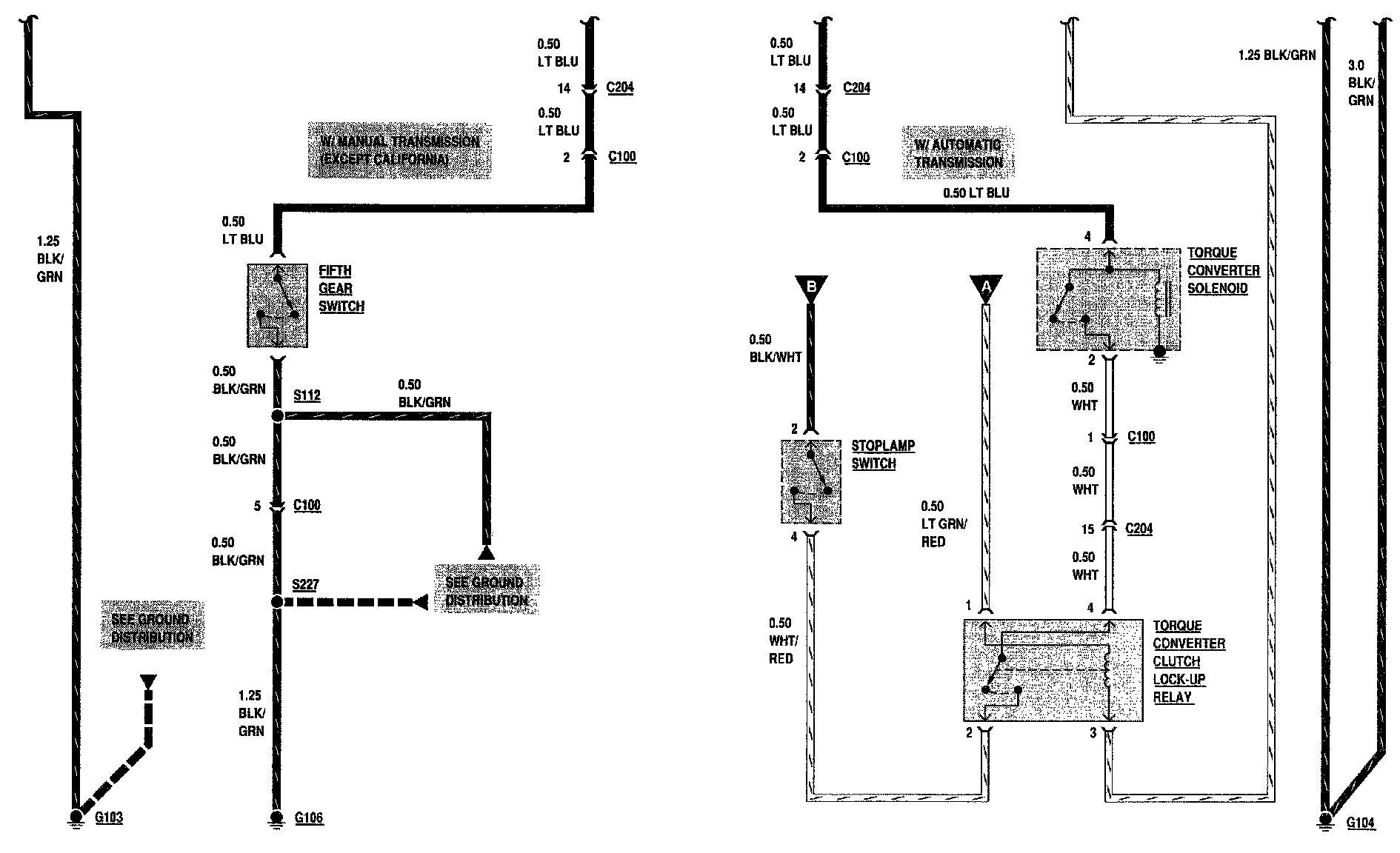
Engine Controls