Curiosii for ever!: Car repair manuals for everyone.

With Automatic Transmission

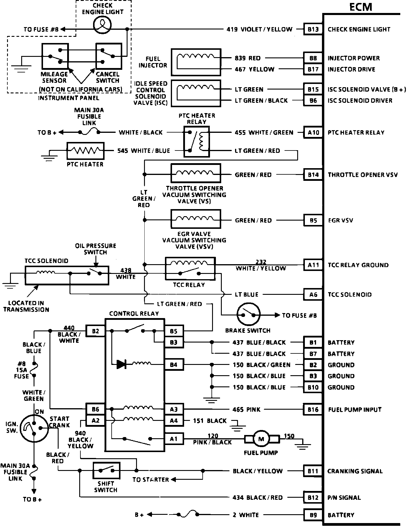
ECM Wiring Diagram:







B13 = CHECK ENGINE LIGHT
B8 = INJECTOR B+
B17 = INJECTOR DRIVER
B15 = ISC SOLENOID VALVE (B+)
B6 = ISC SOLENOID DRIVER
B14 = THROTTLE OPENER VSV
B5 = EGR VSV
B1 = BATTERY
B7 = BATTERY
B2 = GROUND
B3 = GROUND
B10 = GROUND
B16 = FUEL PUMP INPUT
B11 = CRANKING SIGNAL
B9 = BATTERY



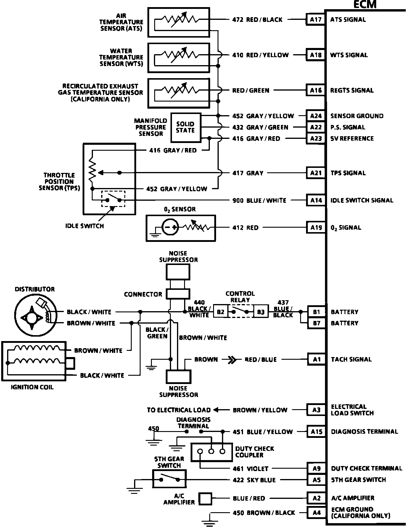
ECM Wiring Diagram:







A17 = INTAKE AIR TEMPERATURE SENSOR SIGNAL
A18 = COOLANT TEMPERATURE SENSOR SIGNAL
A16 = REGTS SIGNAL
A24 = SENSOR GROUND
A22 = P.S. SIGNAL
A23 = 5 VOLT REFERENCE
A21 = TPS SIGNAL
A14 = IDLE SWITCH SIGNAL
A19 = O2 SIGNAL
B1 = BATTERY
B7 = BATTERY
A1 = TACH SIGNAL
A3 = ELECTRICAL LOAD SWITCH
A15 = DIAGNOSIS TERMINAL
A9 = DUTY CHECK TERMINAL
A5 = 5TH GEAR SWITCH
A2 = A/C AMPLIFIER
A4 = ECM GROUND (CALIFORNIA ONLY)