Curiosii for ever!: Car repair manuals for everyone.

Power Moding Schematics




Power Moding Schematics

Accessory Relay





Master Electrical Component List
Power Mode Description and Operation
Control Module References
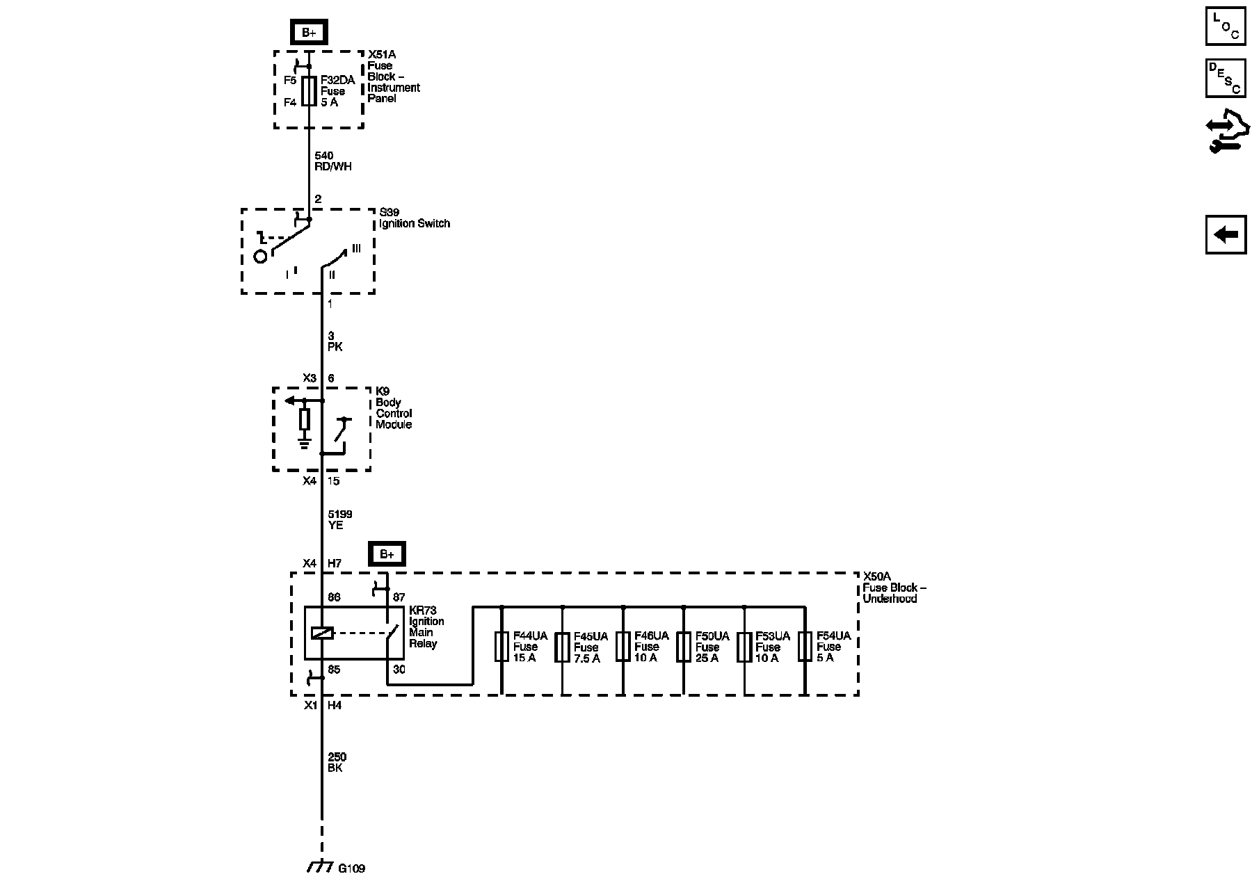
KR73 Ignition Main Relay
Electrical Center Identification Views
F14UA, F13DA, F17DA, F21DA, and F25DA Fuses
G207

KR73 Ignition Main Relay





Master Electrical Component List
Power Mode Description and Operation
Control Module References
Accessory Relay
F11UA, F29DA, F30DA, F31DA, F32DA, F33DA, F34DA, F35DA, F36DA, F37DA, and F38DA Fuses
Electrical Center Identification Views
F44UA, F45UA, F46UA, F50UA, F53UA, and F54UA Fuses
G109