Curiosii for ever!
: Car repair manuals for everyone.
Home
>>
GMC Truck
>>
2010
>>
Terrain FWD L4-2.4L
>>
Repair and Diagnosis
>>
Body and Frame
>>
Seats
>>
Power Seat Control Module
>>
Service and Repair
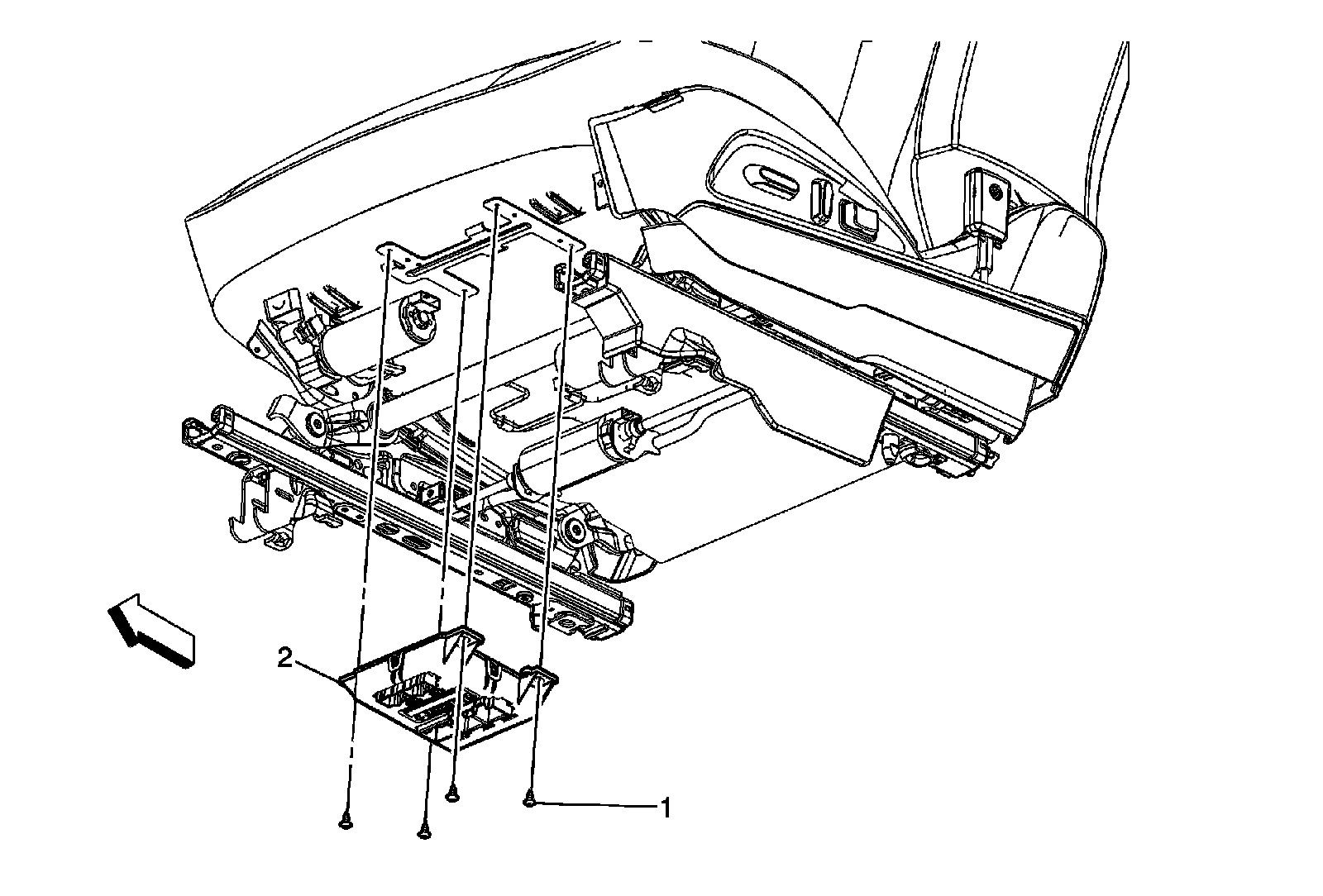
Power Seat Control Module: Service and Repair
Driver or Passenger Seat Adjuster Memory Module Replacement