Curiosii for ever!
: Car repair manuals for everyone.
Home
>>
GMC Truck
>>
2010
>>
Sierra Denali AWD V8-6.2L
>>
Repair and Diagnosis
>>
Diagrams
>>
Electrical Diagrams
>>
Locks
>>
System Diagram
>>
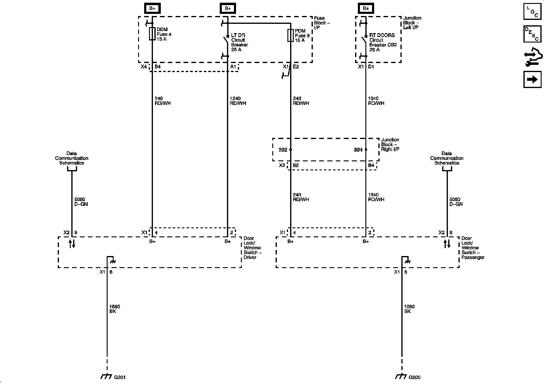
Door Control Module Schematics
Door Control Module Schematics
Door Control Module Schematics
Power, Ground, and Serial Data
Door Lock, Window, and Lighting System References
Outside Rearview Mirror References
Heated Seat References