Curiosii for ever!
: Car repair manuals for everyone.
Home
>>
GMC Truck
>>
2009
>>
Sierra Denali AWD V8-6.2L
>>
Repair and Diagnosis
>>
Relays and Modules
>>
Relays and Modules - Powertrain Management
>>
Relays and Modules - Computers and Control Systems
>>
Body Control Module
>>
Service and Repair
>>
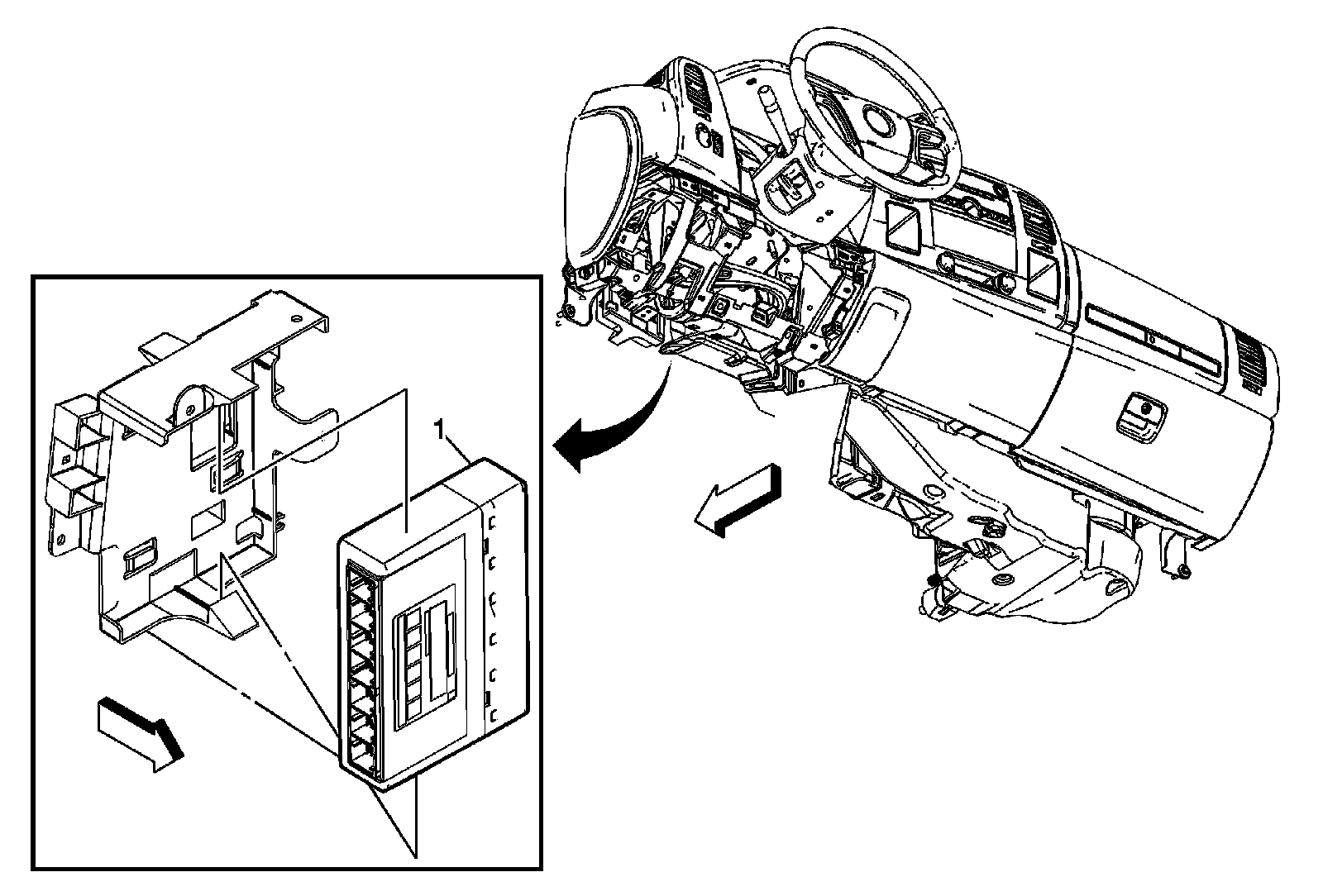
Body Control Module Replacement
Body Control Module Replacement
Body Control Module
Replacement