Curiosii for ever!: Car repair manuals for everyone.

Air Flow Meter/Sensor: Service and Repair



Mass Airflow Sensor with Intake Air Temperature Sensor Replacement

Removal Procedure







Note

Use care when handling the mass air flow (MAF)/intake air temperature (IAT) sensor. Do not dent, puncture, or otherwise damage the honeycell located at the air inlet end of the MAF/IAT. Do not touch the sensing elements or allow anything including cleaning solvents and lubricants to come in contact with them. Use a small amount of a non-silicone based lubricant, on the air duct only, to aid in installation.

1. Remove the air cleaner outlet resonator. Refer to Air Cleaner Resonator Outlet Duct Replacement (Service and Repair) .
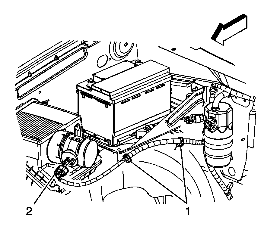
2. Disconnect the engine wiring harness electrical connector (2) from the MAF/IAT sensor.




3. Loosen the MAF/IAT sensor adapter clamp.
4. Remove the MAF/IAT sensor from the air cleaner assembly.



Installation Procedure







Note

The embossed arrow on the MAF/IAT sensor indicates the proper air flow direction. The arrow must point toward the engine.

1. Install the MAF/IAT sensor to the air cleaner assembly.
Caution: Refer to Fastener Caution (Fastener Caution) .
2. Tighten the MAF/IAT sensor adapter clamp.

Tighten the clamp to 4 Nm (35 lb in).





3. Connect the engine wiring harness electrical connector (2) to the MAF/IAT sensor.
4. Install the air cleaner outlet resonator. Refer to Air Cleaner Resonator Outlet Duct Replacement (Service and Repair) .