Curiosii for ever!
: Car repair manuals for everyone.
Home
>>
GMC Truck
>>
2009
>>
Sierra Denali AWD V8-6.2L
>>
Repair and Diagnosis
>>
Diagrams
>>
Electrical Diagrams
>>
Locks
>>
Door Control Module Schematics
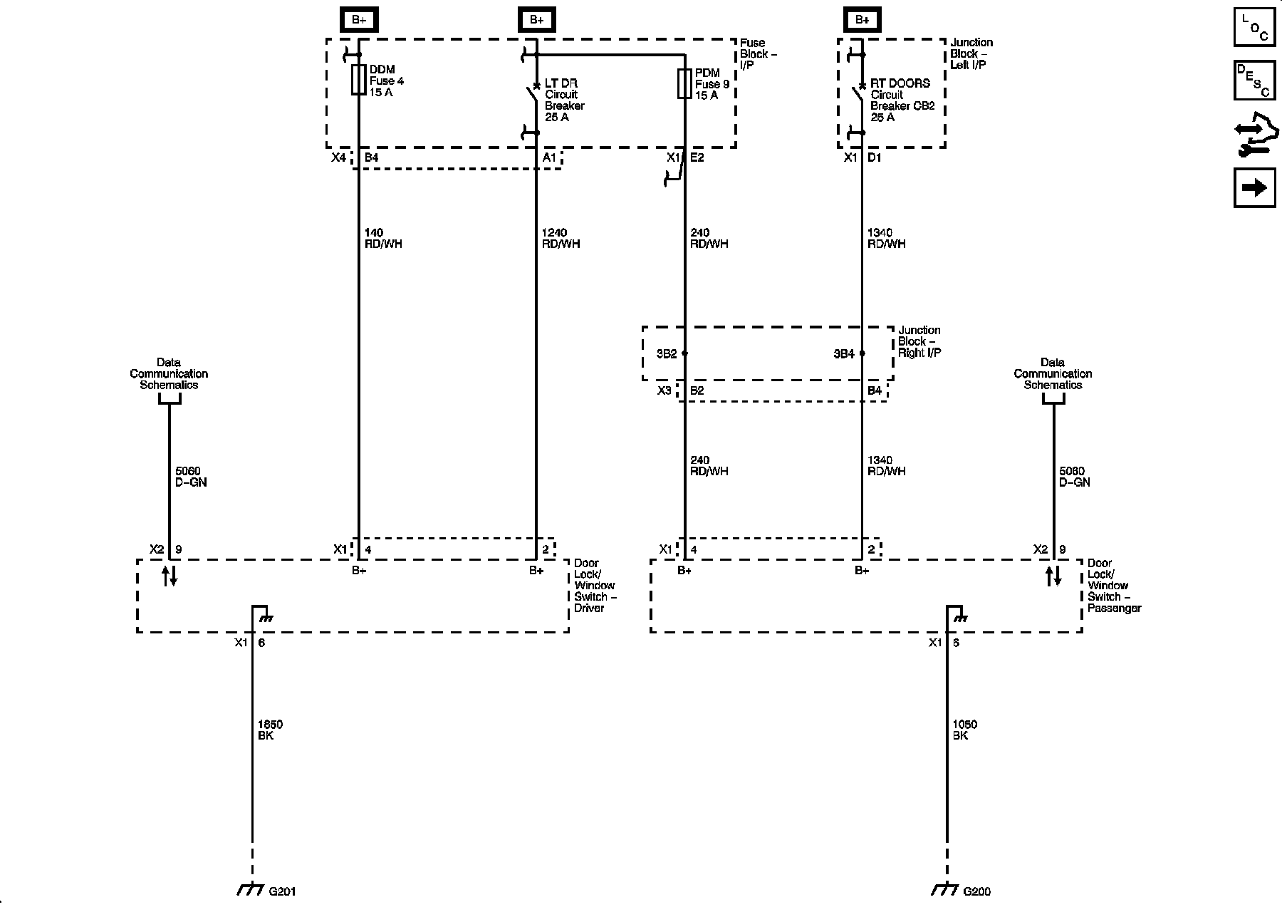
Door Control Module Schematics
Door Control Module Schematics
Power, Ground and Serial Data
Door Lock, Window and Lighting System References
Outside Rearview Mirror References
Heated Seat References