Curiosii for ever!: Car repair manuals for everyone.

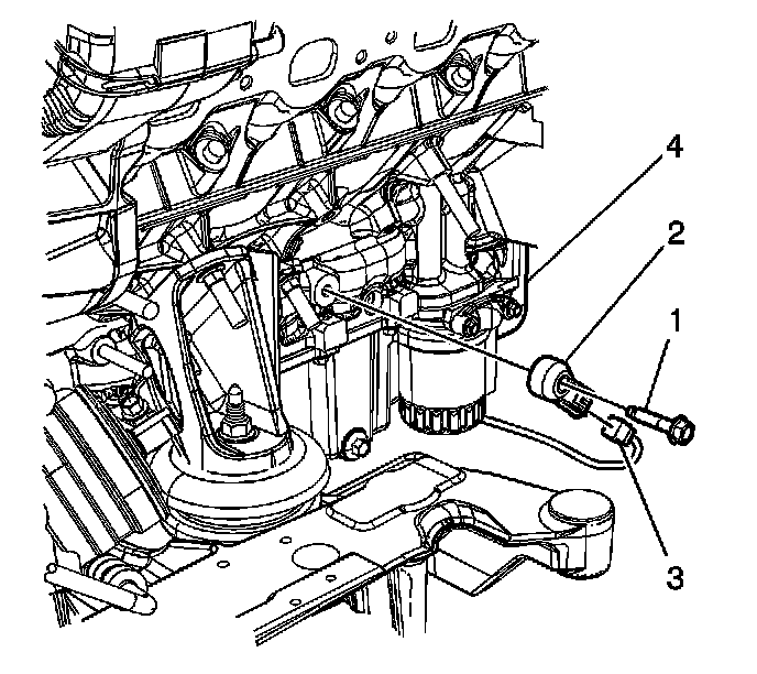
Knock Sensor Replacement (Left Side)



Knock Sensor Replacement (Left Side)

Removal Procedure




1. Remove the mounting bolt for the knock sensor 1.
2. Disconnect the electrical connector of the knock sensor from the engine harness (3).
3. Remove the knock sensor (2) from the engine block (4).

Installation Procedure




1. Reconnect the engine harness (3) and the knock sensor (2) electrical connectors.
2. Position the knock sensor 2 on the engine block (4).
3. Install the mounting bolt (1) for the knock sensor 2.

Notice: Refer to Fastener Notice.

4. Tighten the knock sensor mounting bolt (1).

Tighten the knock sensor mounting bolt to 20 N.m (15 lb ft).