Curiosii for ever!: Car repair manuals for everyone.

Knock Sensor 1 Replacement



Knock Sensor 1 Replacement

Removal Procedure




1. Raise and suitably support the vehicle. Refer to Vehicle Lifting.
2. If equipped, remove the oil pan skid plate and bolts.




3. Remove the knock sensor heat shield bolt and shield.




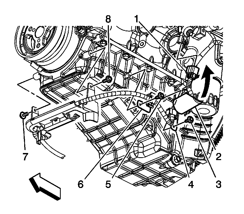
4. Reposition the knock sensor sleeve (2) down, away from the knock sensor.
5. Disconnect the engine wiring harness electrical connector (1) from the knock sensor.




6. Remove the knock sensor bolt and sensor.

Installation Procedure






Notice: Refer to Fastener Notice.

1. Position the knock sensor to the engine block and install the bolt.

Tighten the bolt to 25 N.m (18 lb ft).




2. Connect the engine wiring harness electrical connector (1) to the knock sensor.
3. Position the knock sensor sleeve (2) up and over the knock sensor.




4. Position the knock sensor heat shield to the engine block and install the bolt.

Tighten the bolt to 10 N.m (89 lb in).




5. If equipped, position the oil pan skid plate and install the bolts.

Tighten the bolts to 28 N.m (21 lb ft).

6. Lower the vehicle.