Curiosii for ever!
: Car repair manuals for everyone.
Home
>>
GMC Truck
>>
2007
>>
Acadia AWD V6-3.6L
>>
Repair and Diagnosis
>>
Power and Ground Distribution
>>
Fuse Block
>>
Locations
Fuse Block: Locations
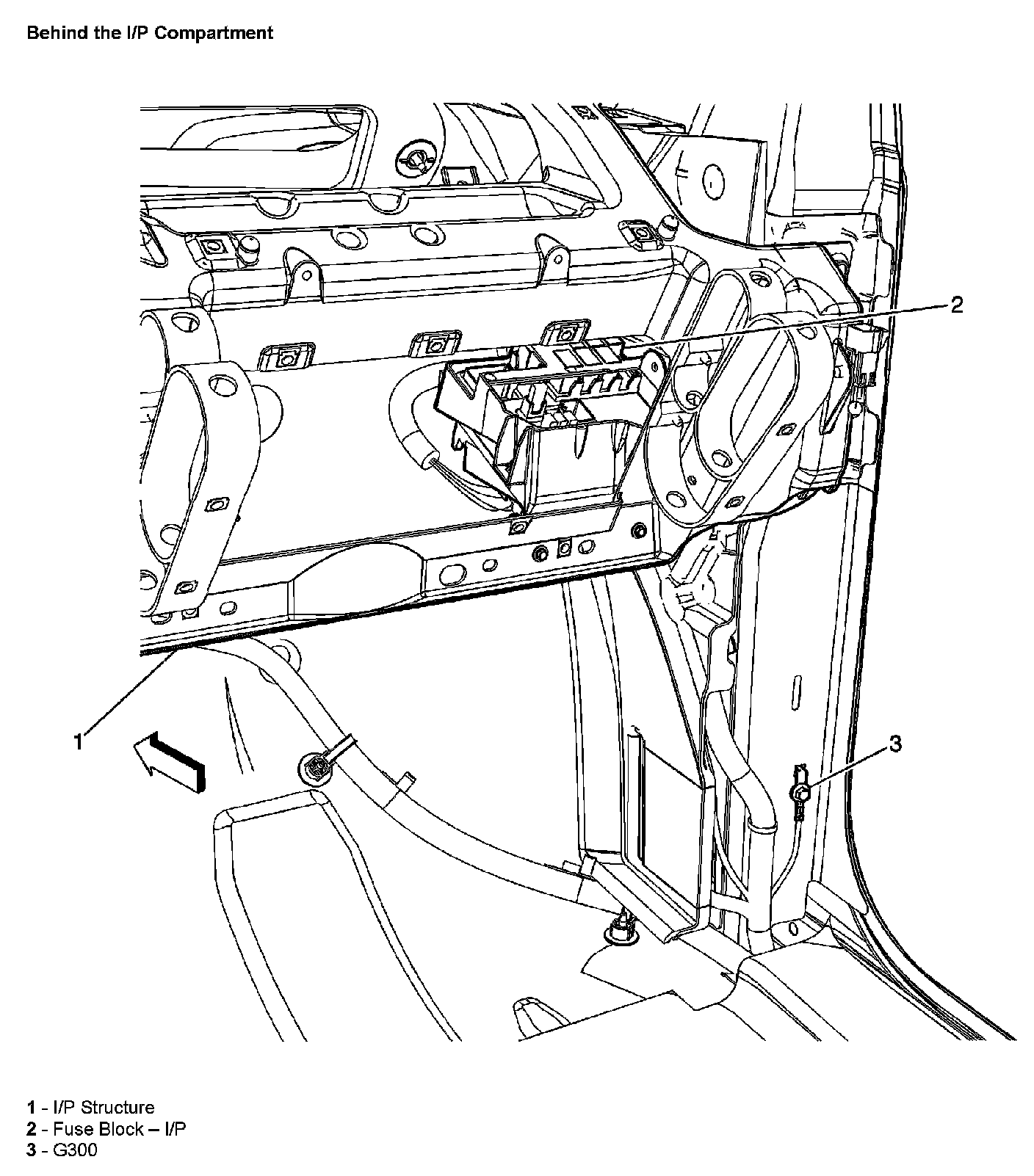
Behind The I/P Compartment: